Стабилизатор тока для светодиодов своими руками - схема выпрямителя напряжения 12 вольт для автомобиля

В настоящее время трудно представить тюнинг автомобиля без светодиодных ламп. Но порой их установка осложнена тем, что они перегорают. Чтобы избежать этой ситуации, в сеть можно включить стабилизатор тока для светодиодов своими руками. В статье приводятся примеры микросхем, по которым можно его сделать.
Схемы стабилизаторов и регуляторов тока
Всем известно, что светодиодным лампочкам необходимо питание двенадцать вольт. В сети авто это значение может доходить до 15 В. Светодиодные элементы очень чувствительны, на них такие скачки отражаются отрицательно. Светодиодные лампы могут перегореть либо некачественно светить (мигать, терять яркость и т.д.).
Чтобы светодиоды служили дольше, в электросеть автомобиля включаются драйвера (резисторы). При нестабильности в сети устанавливаются устройства, которые поддерживают постоянное значение. Существует несколько простых микросхем, по которым можно сделать стабилизатор напряжения своими руками. Все компоненты, входящие в цепь, можно приобрести в специализированных магазинах. Обладая начальными знаниями по электротехнике сделать приборы будет несложно.
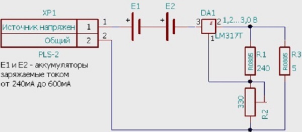
На КРЕНке
Для того, чтобы сконструировать простейший стабилизатор напряжения 12 вольт своими руками, понадобится микросхема с потреблением 12 В. В этом случае подойдет регулируемый стабилизатор напряжения 12 В LM317. Он может функционировать в электросети, где входной параметр составляет до 40 В. Чтобы прибор стабильно работал, необходимого обеспечивать охлаждение.

Крены для микросхем
Стабилизатор тока на LM317требует для работы небольшой ток до 8 мА, и данное значение обычно остается неизменным, даже при большом токе, протекающем через крен LM317, или при изменении входного значения. Это реализуется с помощью компоненты R3.
Можно применять элемент R2, но пределы при этом будут небольшими. При неизменном сопротивлении LM317 ток, идущий через прибор, будет также стабильным (автор видео — Создано в Гараже).
Входное значение для кренки LM317 может составлять до 8 мА и выше. Пользуясь этой микросхемой, можно придумать стабилизатор тока для ДХО. Это устройство может выступать нагрузкой в бортовой сети или источником электричества при подзарядке аккумуляторной батареи. Сделать простой стабилизатор напряжения LM317 не составляет труда.
На двух транзисторах
На сегодняшний момент пользуются популярностью стабилизирующие устройства для бортовой сети машины на 12 В, разработанные с использованием двух транзисторов. Данную микросхему используют как стабилизатор напряжения для ДХО.
Резистор R2 является токораздающим элементом. При возрастании тока в сети увеличивается напряжение. Если оно достигает значения от 0,5 до 0,6 В, открывается элемент VT1. Открытие компонента VT1 закрывает элемент VT2. В итоге, ток, проходящий через VT2, начинает снижаться. Можно вместе с VT2 применять полевой транзистор Мосфет.
Элемент VD1 включается в цепь, когда значения находится в пределах от 8 до 15 В и настолько велики, что транзистор может выйти из строя. При мощном транзисторе допустимы показания в бортовой сети около 20 В. Не стоит забывать о том, что транзистор Мосфет откроется, если показания на затворе будут 2 В.
Если применять универсальный выпрямитель как зарядку для АКБ или других задач, то достаточно использовать резистора R1 и транзистор.
На операционном усилителе (на ОУ)
Стабилизатор напряжения для светодиодов на основе ОУ собирается при необходимости создания устройства, которое будет работать в расширенном диапазоне. В рассматриваемом случае в качестве элемента, который будет задавать выпрямляемый ток, является R7. С помощью операционного усилителя DA2.2 можно увеличить уровень напряжения в токозадающем компоненте. Задачей компонента DA 2.1 является контроль опорного напряжения.
При создании схемы следует учесть, что она рассчитана на 3А, поэтому необходим больший ток, который должен поступать на разъем ХР2. Кроме того, следует обеспечивать работоспособность всех составляющих данного устройства.
Сделанный стабилизирующий прибор для автомобиля должен иметь генератор, роль которого выполняет REF198. Чтобы правильно настроить прибор, ползунок резистора R1 нужно установить в верхнее положение, а резистором R3 задавать необходимое значение выпрямленного тока 3А. Для погашения возможных возбуждений, используются элементы R,2 R4 и C2.
На микросхеме импульсного стабилизатора
Если выпрямитель для автомобиля должен обеспечивать высокий КПД в сети, целесообразно использовать импульсные компоненты, создавая импульсный стабилизатор напряжения. Популярной является схема МАХ771.

Схема выпрямителя с импульсным выпрямителем
Импульсный стабилизатор тока характеризуется выходной мощностью 15 Вт. Элементы R1 и R2 делят показатели схемы на выходе. Если делимое напряжение превышает по показателям опорное, выпрямитель автоматически уменьшает выходное значение. В противном случае устройство будет увеличивать выходной параметр.
Сборка данного устройства целесообразна, если уровень превышает 16 В. Компоненты R3 являются токовыми. Для устранения высокого падения нагрузки на данном резисторе в схему следует включить ОУ.
Заключение
Нами были рассмотрены стабилизаторы напряжения на различных компонентах. Эти схемы можно усложнять, повышая быстродействие, улучшая другие показатели. Можно использовать готовые микросхемы, которые всегда можно усовершенствовать своими руками, создавая устройства, предназначенные для выполнения конкретных задач.
Фотогалерея «Микросхемы для самодельных выпрямителей»



Разработка микросхем для светодиодов в авто – трудоемкое и сложное дело, которое требует специальных знаний и опыта. При их отсутствии трудно будет достичь необходимого результата.
Но опыт можно приобрести, внимательно собирая несложный стабилизатор тока для светодиодов согласно приведенным схемам. Его можно использовать для дневных ходовых огней в своем автомобиле с установленными светодиодными лампами.
Видео «Выпрямитель для светодиодов своими руками»
Видео о том, как изготовить устройство, которое защитит светодиоды от перегорания (автор ролика — Яков TANK_OFF).
