Как заменить воздушный фильтр на Лада Ларгус в домашних условиях

Многие водители не считают воздушный фильтр важный элементом, поэтому порой не обращают на него внимания, забывая вовремя проводить замену. От состояния фильтрующего элемента зависит эффективность работы двигателя. Поэтому нужно следить за его чистотой и своевременно менять. Процедура замены очень простая и может быть выполнена в гаражных условиях. На Лада Ларгус она лишь немного отличается для двигателей с 8 и 16 клапанами.
Зачем и когда необходимо менять воздушный фильтр
Чтобы горючее полностью сгорало, необходимо чтобы в
топливной смеси содержалось в 15-20 раз воздуха больше, чем горючего. Если
воздух, который попадает в автомобиль из окружающего пространства не очищать от
твердых взвесей, то они попадут в двигатель. Со временем мотор будет все хуже
работать, что в итоге может привести к необходимости проведения его
капитального ремонта.
Очищает заборный воздух воздушный фильтр. Дополнительно он
глушит шум, возникающий во впускном тракте. На двигателях, работающих на
бензине, он выступает регулятором температуры ТВС. В течение эксплуатации
фильтр постепенно засоряется, растет его сопротивление поступающему воздушному
потоку и в силовой агрегат поступает недостаточный объем воздуха. Это приводит
к неполному сгоранию топливной смеси. В результате повышается содержание
токсичных веществ в отработанных газах, снижается мощность мотора,
увеличивается расход топлива. Чтобы силовой агрегат дольше прослужил и имел
высокие мощностные характеристики, нужно своевременно менять воздушный фильтр.
Производитель рекомендует менять воздушный фильтр на Лада
Ларгус через 15-30 тысяч километров, точные сроки указаны в инструкции по
эксплуатации автомобиля. О необходимости замены воздушного фильтра можно судить
по его состоянию при визуальном осмотре. Для этого необходимо достать
фильтрующий элемент из корпуса воздухофильтра и оценить степень загрязнения.
Замена необходимо при сильном загрязнении фильтра или наличии на нем следов
масла.
На сроки замены большое влияние имеют условия, которых
эксплуатируется автомобиль. На пыльных дорогах и в мегаполисах, где окружающий
воздух слишком загрязнен, замену приходиться делать чаще. На двигателях с
турбонаддувом повышенные требования к очистке воздуха, поэтому сроки
сокращаются до 10-15 тысяч километров пробега.
Лучше выполнять визуальный осмотр для принятия решения о
замене. Чтобы не забывать о замене фильтрующего элемента, специалисты
рекомендуют его менять вместе с заменой моторного масла. Эта регламентная
процедура выполняется через 15 тысяч километров.
Процедура замены на 8-клапанном двигателе
Существует два вида воздушных фильтров, используемых на Лада Ларгус. На моделях, выпущенных до 2012 года фильтр устанавливали «круглый». Он помещался в короб с крышкой, которая фиксировалась с помощью защелок.

Порядок замены следующий:
- Отцепляем по периметру четыре фиксатора.
- С помощью крестообразной отвертки выкручиваем все винты.

- Демонтируем крышку, под которой находится фильтрующий элемент.

- Вытягиваем старый фильтрующий материал. Внутри короба закрываем тряпкой отверстие в дроссельный узел и внутри очищаем от пыли и мусора чистой тряпкой или продуваем воздухом под давлением.
- Вставляем новый расходник.

- Возвращаем крышку на штатное место. Фиксируем ее защелками. Вкручиваем саморезы.
Замена воздушного фильтра на 8-м Лада Ларгус.
На Ларгусе, выпущенном после 2012 года, под капотом будет находиться воздушный фильтр с ребристой поверхностью крышки. Крышка не имеет никаких надписей.

Выполняем пошаговые действия:
- Находим крепления крышки: два передних винта и два самореза. Ключом на «8» выкручиваем винты, саморезы откручиваема отверткой Torx T20.
- Снизу корпус фильтра фиксируют две пластиковые защелки в виде язычка. Подгибаем их снизу и снимаем короб, выводя его на себя.
- Фильтрующий элемент ничто не держит.

- Вынимаем старый расходник прямоугольной формы, очищаем посадочное место от загрязнений.

- Вставляем новый фильтрующий элемент.
- Возвращаем воздушный фильтр на место, защелкиваем язычки и вкручиваем крепления.
Процедура замены на 16-клапанном двигателе
Работы проводим по следующему алгоритму:
- Снимаем резиновый хомут с пластового выступа, который удерживает резонатор воздушного тракта.

- Отсоединяем воздуховод от воздухофильтра и отводим в сторону, чтобы не мешал.
- Демонтируем глушитель впуска.

- Отключаем трубку ВУТ. На фото она отмечена краской.

- Далее с помощью шестигранника на «25» выкручиваем два крепежных винта.

- Демонтируем фильтр. Вынимаем грязный фильтрующий элемент. Очищаем короб внутри от мусора, протираем чистой тряпкой от пыли и вставляем новый фильтр.

- Дальнейшие шаги выполняем в обратном порядке: фиксируем корпус винтами, устанавливаем глушитель, присоединяем патрубки и подключаем трубку ВУТ.
Замена воздушного фильтра на Лада Ларгус 16 клапанов.
На двигатель К4М с 16-ю клапанами можно вместо фильтрующего элемента штатного воздухо фильтра можно установить фильтр-нулевик. Такие фильтры могут быть многоразовыми.

многоразового использования нужно регулярно чистить и
стирать фильтрующую ткань и пропитывать ее специальным составом. Правда,
стоимость пропитки довольно высокая.
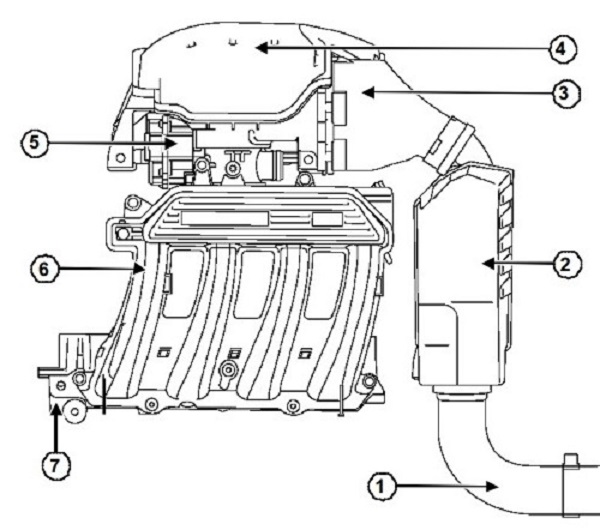
Есть еще один альтернативный вариант – установить
фильтр-люстру. Возможны два способа установки:
- Полностью демонтировать глушитель впуска (2) и
вместо него подключить люстру. - Глушитель не трогать, фильтр-люстру установить
вместо воздуховода (1).
На рисунке схематически указаны детали узла.

Итоги:
- В первом варианте заметен прирост вращающего момента во всем диапазоне частот, хотя он и несущественный;
- Глушитель вреден тем, что прирост на низких частотах будет отсутствовать. В остальном он не мешает.
Сложностей замена воздушного фильтра не вызовет ни на 8-ми, ни на 16-клапанном двигателе Ларгуса. Если следить за состоянием фильтрующего элемента и вовремя его менять, это даст возможность двигателю работать в полную силу.
