Как Сделать Проводку на Мотоцикл Урал 12 Вольт • Электрическая схема
Как провести свет на мотоцикле урал
Появившись в довоенные годы, мотоцикл Урал стал основным тяжелым мотоциклом СССР на долгие десятилетия. Более того, Ирбитский мотоциклетный завод и в 2013 году продолжает выпускать модификации мотоцикла Урал. Но в последнее десятилетие от самостоятельного производства комплектующих деталей отказались, оставив за собой окончательную сборку из покупных элементов.
Фото мотоцикла Урал М-67 образца 1976 г.
Справочно: к сожалению, снижение выпуска привело к тому, что отпускная цена на Урал значительно возросла, что сказалось на количестве продаж. Они заметно упали, и сегодня Ирбитский мотоциклетный завод выпускает мотоциклы только под заказ.
Экскурс в историю
Принято считать, что прообразом Урала стал немецкий мотоцикл BMW R-71, чертежи которого закупались официально в сороковом году прошлого столетия.
После изучения и проработки технической документации, на свет появился отечественный мотоцикл М-72, который имел некоторые отличия от прототипа:
- Модель оснащалась двухдисковым сцеплением (на немецком применялось однодисковое);
- Передаточные числа главной передачи были увеличены, что повысило его проходимость в условиях бездорожья;
- Схема электропроводки мотоцикла Урал была выбрана однопроводной (на немецком прототипе – двухпроводная);
- Вся электросхема строилась на вольтаже в 6В (позже перешли на 12 вольт);
- Угол опережения зажигания для разных режимов работы двигателя давался вручную.
Схема проводки на Урал предусматривала ручное выставление угла опережения зажигания
Особенностью отечественных мотоциклов была простота обслуживания своими руками – любую поломку или неисправность можно было решить в полевых условиях.
За несколько лет было выпущено не более 7000 экземпляров на всех предприятиях, освоивших выпуск мотоциклов:
- Московском мотоциклетном заводе (на ММЗ было самое массовое производство М-72);
- Горьковском мотоциклетном заводе (ГМЗ);
- Заводе «Красный Октябрь» (Ленинград);
- Киевском мотоциклетном заводе (КМЗ);
Основное производство тяжелых мотоциклов Урал было развернуто на Ирбитском мотоциклетном заводе, расположенном в Свердловской области, куда вначале войны было эвакуировано производственное оборудование ММЗ.
Заводская инструкция подробно описывает силовой агрегат мотоцикла Урал
Справочно: Ирбитский мотоциклетный завод, образовавшийся на территории пивзавода в ноябре 1941 года, принято считать родоначальником мотоцикла М-72, получившего название «Урал-1».Все годы деятельности его единственной специализацией был выпуск тяжелых мотоциклов. А на всех военных видео фигурировали исключительно его изделия.
Узнайте также об особенностях 16-ти клапанника — проводки ВАЗ 21103.
Период 1941-1954 годов
Оценив все преимущества мотоцикла в условиях военных действий, было принято увеличить в разы их производство. Только за 1942 год Ирбитский мотозавод выпустил почти 10 000 мотоциклов Урал-1. В послевоенные годы ежегодный план составлял 20 000 мотоциклов.

Как подключить замок зажигания на днепре
- ИМЗ М-61 (переходная модель для обкатки нового верхнеклапанного двигателя);
- М-63 «Урал 2» (модернизирована рама и внедрена новая выхлопная система, позволившая увеличить дорожный просвет);
- М-66 «Урал 3» (схема электропроводки на мотоцикл Урал пополнилась указателями поворотов и новыми фонарями габаритных огней);
Классическая электропроводка на мотоцикл Урал: инструкция по обслуживанию 12 вольтовой центральной проводки 4320 своими руками с фото Урал 5557 и видео советами • Сам автоэлектрик
И по ряду признаков определила наиболее перспективную конфигурацию, которой соответствовала именно марка BMW. Только посадкой с натягом, или есть какие-то сквозные болты, шпильки, штифты?
М-72 / Часть VI: Монтажная схема электрооборудования мотоцикла.

Прошел год с м-72. Что имеем на борту (**). Казалось бы, дело должно двигаться в обратную сторону, но процесс расползается на 1000 мелочей. Для систематизации работы буду писать отчет по разделам книги «Каталог узлов и деталей мотоцикла м-72, 1955 г.», для понимания — что готово, а что еще предстоит сделать.
Каталог у меня новодельный, со временем надеюсь заполучить олдовый, настоящий. А вторая книга, которую использую в работе, к большому счастью имеется в оригинале. Это очень прикольно — получать информацию со страниц 1954 года. В ней подробно описаны и проиллюстрированы механизмы мотоциклов М-72. Иж-49 и М-1-А
*Мотоциклы м-72 начиная с выпуска 1954 г. могут иметь монтажную схему №2 из-за другого расположения сигнала, в которой пучек проводов 72188-6 заменен на 72188-6-6Б и добавочно введен провод 72188-8.
Советские каталоги з/ч имеют довольно подробную структуру — каждая пластика, болт, любая деталь имели номер, артикул. Ранее об этом не задумывался и пока не столкнулся, предполагал, что подобной структурой обладают только каталоги современных автомобилей.
Первая в списке катушка зажигания ИГ-4085-Б. Уже сложной найти исходное фото, но помню, что она была целая, но внешне имела очень не товарный вид. В результате обрела такой цвет. т.к. все электроборудования черное и обзавелась хомутом. Год на катушке 1955, тогда еще не знал, что буду все собирать в этот год.
Распределитель зажигания ПМ05 тоже 1955 года. Некомплектный и устал. Немного магии и получается полный, свежий комплект ПМ05 на 55 год.
Корпус наконечника провода к свече. Правильный корпус. Страстно желаемы всеми фанатами. Отличный, настоящий бронпровод высокого напряжения из старых запасов. Все вместе это образует чудесный тандем.
Рычаг комбинированный сигнала, опережения зажигания, переключения света есть в оригинальном виде и в восстановленном. Ищу нижнюю крышку с маркировкой на 55 год, если таковые были
Сигнал с-35А, свойственный этой модели появился буквально на днях, но уже обрел голос после десятков лет молчания. Очень удачно он вышел датой 19.Х.1955.
М-72 / Часть VI: Монтажная схема электрооборудования мотоцикла. — DRIVE2
Как провести свет на мотоцикле урал
Наряду с основным заказчиком армия в производственной программе ИМЗ появились и: органы правопорядка милиция ;. Со ступицы срезаны бурты в которые вставляются спицы. Мотоцикл Урал. #51. Подключение замка зажигания JAWA.
Схема УРАЛ 63685
Схема электрооборудования и подключения приборов грузового автомобиля УРАЛ 63685. Предназначена для проведения ремонтных работ и обслуживания авто. Показаны фары, двигатель, генератор, датчики и выключатели, а также другие узлы грузовика. Вы можете бесплатно и без регистрации скачать эту и другие схемы с нашего сайта.

Электросхема фары, фонарей знака автопоезда, освещения подножек, габаритных и указателей поворота УРАЛ 63685
Схема урал. Схема проводки мотоцикла Урал
Схема УРАЛ 532301

Новые записи в блогах
Обозначения на схеме Сигнал с-35А, свойственный этой модели появился буквально на днях, но уже обрел голос после десятков лет молчания. Очень удачно он вышел датой 19.Х.1955.
Оставить механику или установить электронику
Возможно не все старые модели мотоциклов на ходу. Стоит и ржавеет в сарае у дедушки мотоцикл Урал, потому что не заводится.
Колеса крутятся, двигатель не заклинен. Может искра в землю, как говорят, уходит. Короче – надо смотреть систему искрообразования. Но и работающий мотоцикл, с контактной системой зажигания, доставляет неожиданные и малоприятные проблемы своему хозяину:
Тюнинг мотоцикла Урал своими руками – эта статья поможет определиться, в каком направлении производить модернизацию своего Урала.
Массу проблем создает контактная система зажигания, особенно тогда, когда движущиеся детали в ней уже поизносились, появились люфты, изменилась геометрия элементов.

Период 1941-1954 годов
2↑ Ответ от Охотник 08-07-2014 00:14:05

3↑ Ответ от kilowatt3 08-07-2014 00:15:27
- shaman507
- Злой модератор
- Неактивен
- Имя: Евгений
- Откуда: Тамбовская область
- Зарегистрирован: 28-05-2013
- Сообщений: 4 350
- Репутация: 401
- Мотоцикл: Днепр МТ 10-36, М-72, Урал ИМЗ-8.103-10, М-63, ИЖ-49, Милицейский Урал одиночка, Минск М-106
Сообщений [ с 21 по 40 из 54 ] Какие преимущества открываются перед пользователями, решившимися установить электронное зажигание на иж юпитер, описываются далее. Получите кошмар! Благодаря пластине-модулятору и обеспечивается налаженная работа зажигания.
Схема подключения замка зажигания иж юпитер 5
Размечаем крепление датчика Холла таким образом, что бы расстояние до задней стенки датчика через щель магнитов от центра якоря было в районе мм.
Какие преимущества открываются перед пользователями, решившимися установить электронное зажигание на иж юпитер, описываются далее. Получите кошмар! Благодаря пластине-модулятору и обеспечивается налаженная работа зажигания.

О какой четкой работе двигателя тут можно говорить? Настойка зажигания необходима, если двигатель плохо работает, стреляет глушитель или карбюратор. Как только напряжение на выв.
Толщина его составляет 0,45 мм. Второй провод с онного переключателя подключаем на клемму «1» замка зажигания второй провод с этой же клеммы идет на сигнал. Хорошо закрепите винты.
Подключите его ко второму и третьему контакту ДХ. После включения такого положения ключа, подача питания от аккумулятора на первичный контур осуществляется по упрощенной схеме. Теперь можно использовать БСЗ. Затем ослабьте винт и поверните эксцентрик. В результате, на свече возникает заряд меньше 12 В, который плохо воспламеняет горючую смесь в цилиндрах.
Электросхема для Урал ИМЗ 8.103-10
- Свеча зажигания;
- Распределитель зажигания (ротор);
- Прерыватель распределителя;
- Вторичная обмотка в катушке зажигания;
- Первичная обмотка в катушке зажигания;
- Исполнительный механизм (молоточек) прерывателя;
- Исполнительные кулачки разрыва контакта распредвала;
- Наковальня прерывателя;
- Конденсатор системы зажигания;
- Распределитель зажигания;
- Аккумуляторная 6В батарея;
- Фара головного света;
- Замок зажигания с ключом;
- Контактная группа замка зажигания;
- Катушка зажигания.
Активные обсуждения форума Однако, по мнению советских инженеров, часть узлов и агрегатов, а также центральная проводка нуждались в доработке под отечественные особенности эксплуатации. Мотоцикл М Урал образца г. Внутренний диаметр втулок составляет мм.
Цена автомобиля
Купить «Урал-сельхозник» б/у можно по всей России, несмотря на то, что производился он небольшими партиями. Ценовой диапазон широк – от 200 тыс. рублей до 500 (в зависимости от типа разгрузки, установленного оборудования и года выпуска). Последняя модификация «Сельхозника» – «Урал-NEXT» – обойдется в 10 раз дороже:
- топливозаправщик – более 3,6 млн. рублей;
- самосвал – от 3 млн. рублей (в зависимости от типа разгрузки);
- с краном-манипулятором и бортовой платформой – около 5 млн. рублей.
Обязательно почитайте: КРАЗ 255 «Лаптежник»
Приобрести новую 5557-ю модель в связи со снятием ее с производства фактически невозможно.

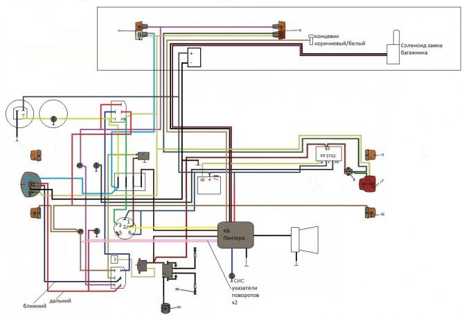
Схема проводки мотоцикла Урал
Прочитали? Напишите комментарий

Outlaws MC
- самосвал (преимущественно, 1-сторонняя разгрузка, в модификациях и 2- и 3-сторонняя);
- передвижную мастерскую;
- автофургон (в том числе для перевозки людей);
- топливозаправщик, транспортировщик автоцистерн;
- спецмашину для коммунальных и дорожно-коммунальных служб с соответствующим ремонтным или строительным оборудованием, автокран (КС-35714);
- пожарный транспорт;
- платформу для буровой установки (нефтегазовая промышленность);
- лесовоз.
Схема проводки мотоцикла Урал: особенности развития электрооборудования Справочно: внедрение ГОСТ 3940—71 на автотракторное электрооборудование в 1975 году заставило ирбитский и киевский мотоциклетные заводы модернизировать мотоциклы Урал М-67 и Днепр МТ10 на 12-ти вольтовую систему электрооборудования.
