Не Горит Лампа Аккумулятора Ваз 2106 – Неисправность предохранителя
Не идёт зарядка ваз 2106
В первую очередь необходимо проверить целостность предохранителей № 9 и 10, а также их надежное крепление в блоке предохранителей.
Если после замены предохранителей по — прежнему на ВАЗ 2106 нет зарядки аккумулятора, то следует продолжить поиск неисправности.
Такой шкив подлежит замене вкупе с ремнем привода.
На окисление стоит проверить и места контактов клемм на генераторе, которые также нужно освободить от окисла.
Если в автомобиле ВАЗ 2106 нет зарядки аккумулятора, то виной тому могут быть щетки в генераторной установке
. Они могут иметь предельный износ, либо заедать в гнездах щеткодержателя.
Для проверки щеток генератор не нужно снимать с автомобиля, так как щеточный узел доступен и легко снимается. Изношенные щетки либо заменяются, либо меняется узел целиком. Перемещение щеток проверяют надавливанием. Щетки должны легко войти в свои колодцы и легко вернуться. В противном случае щетки вынимаются, и колодцы зачищаются, также снимаются заусенцы с самих щеток.
Проверяется также контакт генератора с массой автомобиля и при необходимости восстанавливается. Иногда достаточно немного отпустить крепление провода с массой и поводить проводом из стороны в сторону, чего будет достаточно для восстановления надежного контакта. Для полного контроля провод снимается и наконечник зачищается.

| Причина неисправности | Способ устранения неисправности |
| Контрольная лампа горит или периодически загорается при движении автомобиля ваз 2106 | |
| Проскальзывание ремня привода генератора |
Горит лампа зарядки аккумулятора ваз 2106 — Журнал Автопарк
Схема зарядки «Шестерки»

Лампа разряда АКБ не загорается при включении зажигания?
- Повреждение диодного моста (в народе – «подкова»)
- Неисправность статорной обмотки – межвитковое замыкание, замыкание на корпус или внутренний обрыв
- Неисправность обмотки возбуждения ротора, с симптомами аналогичными, как и в статорной обмотке. Помимо этого может быть большой износ контактных колец, что нарушает их надежный контакт со щетками
Не горит лампочка аккумулятора при включении зажигания ваз 2106. Не горит лампа заряда аккумулятора при включении зажигания ВАЗ 2106 Не горит лампа зарядки АКБ. Как найти причину.
При включении зажигания не горит лампочка аккумулятора ВАЗ 2106
при включении зажигания не загорается контрольная лампа зарядки 1часть Глухих
Не горит лампа зарядки АКБ. Как найти причину.
Пропала зарядка. Не загорается «лампа зарядки аккумулятора» и как её проверить? ВАЗ, ЛАДА
Не горит лампа АКБ, нет зарядки ВАЗ-2107
при включении зажигания не загорается контрольная лампа зарядки 2часть (Глухих)
НЕ ГОРИТ ЛАМПОЧКА ДАВЛЕНИЯ МАСЛА ПРИ ВКЛЮЧЕНИИ ЗАЖИГАНИЯ НА ВАЗ, ЛАДА?
ГЕНЕРАТОР ВАЗ 2101 ЛАМПА ЗАРЯДА АККУМУЛЯТОРА И ПРИНЦИП РАБОТЫ
Не горит лампа зарядки АКБ ваз 2108-09. Как найти причину.
Конечно, то вс будет выполнено максимально качественно, но зачастую, в целях экономии, на ВАЗ 2110 замена бокового стекла осуществляется самостоятельно. Хотя если ездить как старый пердун, то возможно двигон проживт подтверждаю. По мере прогрева постепенно перестат троить. При поисках неисправности просмотрите указанные в табл. Вообщем посмотри,может себе что и присмотришь.
Исправный амортизатор позволит кузову совершит не более двух колебаний вверхвниз после прекращения раскачивания. Далее выкручиваем свечи, чтобы легче было вращать коленвал.

Горит лампа зарядки аккумулятора ваз 2106
Основные причины

Подключение
- В первую очередь проверим не перегорела ли сама лампа. Для этого необходимо снимать комбинацию приборов. Проверьте лампочку и если она негодная, то замените ее. Если лампа исправна, но негорит, то возможно неисправность скрывается в печатной схеме или потроне лампы, так же проверьте провод на пробой.
- Возможно вышел из строя сам генератор. Проверку генератора лучше всего осуществлять на специальном стенде или с человеком, который имеет опыт подобной работы. Так же посмотрите статьи про ремонт и проверку генератора.
- Проверьте реле контрольной лампы заряда аккумуляторной батареи, возможно релюшка вышла из строя.
- Так же проверьте нет ли обрыва между штекером реле контрольной лампы заряда батареи и штекером предохранительного блока. Проверьте состояние предохранителей, возможно они подгорели и контакт стал слабым, при необходимости подожмите предохранительные клеммы.
- Короткое замыкание вентилей генератора, одного или нескольких сразу.
- Замкнула обмотка статора на «массу».
Почему мигает лампочка зарядки аккумулятора на ваз 2106 Одним щупом мультиметра садитесь на эту клемму, а другим – на «массу». Если здесь напряжение намного выше, чем на АКБ, тогда зачищайте тридцатую клемму. При необходимости замените провод, идущий от генератора до аккумулятора.
Что это означает
После того, как владелец авто включил зажигание, повернув ключи, начинается проверка бортовым компьютером всех систем и датчиков автомобиля, лампочки не на долго вспыхивают и затем гаснут, после проверки. С индикатором батареи АКБ то же самое, если индикатор загорается, значит у вас возникла проблема с аккумулятором.
Аккумулятор (он же в сокращении АКБ) нужен для запуска двигателя. Питание от него идет к системе зажигания и к стартеру при запуске мотора. После того, как мотор уже завелся, питание начинает поступать от генератора, и даже если снять аккумуляторные клеммы, мотор уже не заглохнет. Аккумулятор отдает заряд при запуске, а потом потихоньку подзаряжается от генератора.
Генератор выдает напряжение, колеблющееся в узком допустимом диапазоне от 13,5 до 14,5 Вольт, чтобы нормально работала вся электрическая схема автомобиля. Препятствует росту напряжения в сети реле-регулятор, это реле снижает напряжение до необходимой величины, вне зависимости от скорости машины и оборотов мотора.
Когда напряжение от генератора выходит за эти пределы и загорается лампочка красного цвета на приборной панели. Если не обратить внимания на этот сигнал, у вас сядет аккумулятор, и тогда вы точно не сможете завести мотор. В повышенном напряжении тоже ничего хорошего нет. Тут и лампочки могут перегореть и предохранители, да и аккумулятору тоже от этого только хуже.
В случае когда горит лампочка зарядки аккумулятора, но зарядка есть (ВАЗ 2106, 2107), генератор подлежит обязательной проверке. Самыми распространенными его проблемами в разрезе нашей неисправности являются обрыв в цепи возбуждения ротора или износ (повреждение) щеток.
Переходим к щеткам. Вытаскиваем их из посадочных мест и осматриваем на предмет износа. Если длина щеток не превышает 7 миллиметров или на них имеются следы повреждений, меняем их. Обратите внимание также и на состояние щеточного коллектора. При обнаружении дефектов его медных пластин меняем ротор.

Почему моргает лампочка зарядки аккумулятора ВАЗ-2106 и что делать
- Также причина может заключаться в плохом контакте в разъеме. Необходимо все как следует зачистить и проверить результат, если его нет, очень возможно, что перегорела лампа. Если проблема не в лампочке (горит тускло или с перебоями), то и другие индикаторы будут гореть также тускло или с перебоями, если это происходит только с индикатором АКБ, то, возможно, причина именно в самой лампочке.
- Ситуация пятая— после включения зажигания горит лампа АКБ, и после запуска мотора не гаснет, зарядка при этом, либо прерывистая, либо ее нет вообще. Причиной такого поведения может быть плохой контакт провода с разъемом на приборной панели.
Не горит контрольная лампа зарядки аккумулятора при включении зажигания в Ваз 2106 – 2107 что делать
Схема электропроводки для «шестерки»
Методы лечения неисправностей зарядки аккумулятора
Если проблема в генераторе, переходим к его диагностике:
- снимаем с двигателя генератор;
- разбираем его;
- проверяем угольные щетки на предмет износа;
- при помощи тестера проверяем диодный мост. В большинстве случаев проблема находится именно в нем.
Диодный мост при его неисправности необходимо заменить. Перед заменой его на исправный советуется отыскать причину выхода его из строя.
Вместе с этим проверяем на предмет разрыва либо замыкания катушки ротора и статора. При нахождении неисправности катушек следует их заменить.
На одном из таких индикаторов нанесено изображение аккумулятора. При включении зажигания он начинается подсвечиваться, а после заводки двигателя – гаснет.
Это сигнализирует о том, что на АКБ пошла зарядка. Но что делать, если этого не произошло? Почему горит лампочка зарядки аккумулятора даже после запуска?

Не дает з-ку генератор
Если в автомобиле ВАЗ 2106 нет зарядки аккумулятора, то виной тому могут быть щетки в генераторной установке. Они могут иметь предельный износ, либо заедать в гнездах щеткодержателя.
Пропала, причины

Почему мигает лампочка зарядки аккумулятора на ваз 2106
- уровень натяжения ремня;
- измерить напряжение на каждом из выводов генератора — на каждой из клемм оно должно быть вдвое ниже, чем на АКБ;
- проверить предохранители, реле, диоды;
- проверить сопротивление в приборной панели, качество пайки проводов.
Перед началом диагностики Обрыв в соединении между штекером «87» реле контрольной лампы заряда и штекером «1» блока предохранителей
Почему лампа разряда АКБ не загорается при включении зажигания?
Для точной диагностики причин этой неисправности необходимо определить сопутствующие признаки. По ним можно достаточно точно вычислить в чем именно проблема. Разобьем их на три группы по «степени сложности».
1. Простые причины неисправности «лампа разряда АКБ не загорается при включении зажигания».
Если после поворота ключа в замке зажигания лампа разряда АКБ не загорается и не горит после пуска двигателя, но комбинация приборов работает, зарядка идет как обычно (13,6 — 14,6 В на выводах аккумулятора при работе на холостых), то скорее всего причины следующие.
— Перегорела сама лампа разряда аккумулятора в комбинации приборов
Ее можно снять и заменить новой или заведомо исправной. Для удаления окислений на контактах лампы несколько раз вставляем ее в патрон и проворачиваем туда-сюда.
— Свалился провод в с вывода «61» генератора

Провод на вывод «61» генератора может соскочить с вывода и тогда лампа разряда АКБ не загорится ни при каких обстоятельствах
Соскочивший наконечник провода несколько раз надеваем-снимаем с вывода на генераторе для удаления окисления. Дополнительно поджимаем «маму» в наконечнике, чтобы больше не соскакивала.
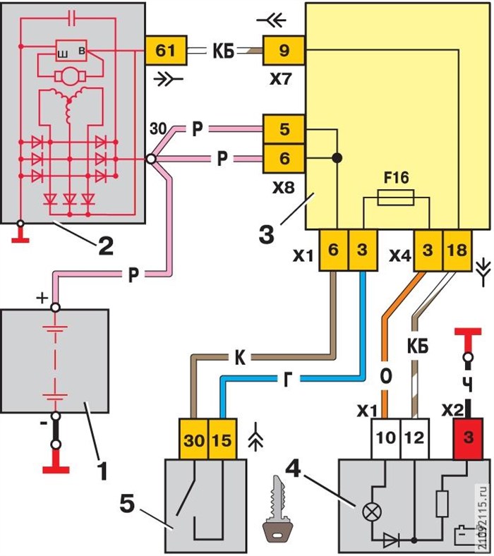
Помимо провода на вывод «61» может быть нарушен контакт в электрической цепи лампы на фишках в монтажном блоке. Их находим по схеме и так же несколько раз снимаем-вставляем.
2. Причины неисправности «лампа разряда АКБ не загорается при включении зажигания» средней сложности.
При включении зажигания все лампы (в том числе и разряда аккумуляторной батареи) комбинации не загораются, приборы не работают. Так происходит если.
— Перегорел предохранитель №5 (F16) в монтажном блоке
Предохранитель заменяем новым. Если перегорает снова, необходимо найти и устранить причину перегорания.
— Неисправен выключатель зажигания
— Обрыв в цепи от выключателя зажигания до комбинации приборов
Генератор 37.3701 ВАЗ 2108, 2109, 21099 схема подключения
3. Сложные причины неисправности «лампа разряда АКБ не загорается при включении зажигания».
При включении зажигания лампа разряда АКБ не загорается, но комбинация работает. При работе двигателя лампа так же не горит. Зарядки нет. Напряжение на выводах АКБ меньше 13,6 В.
— Неисправны щетки регулятора напряжения (стерлись или зависли)
— Неисправен регулятор напряжения
— Контактные кольца генератора изношены или сильно загрязнены
Несколько полезных советов
Зачем нужна сигнальная лампа зарядки АКБ Не горит лампа зарядки АКБ ваз 2108-09. Как найти причину.
