Не Горит Задний Поворотник Ваз 2107 • Назначение устройства
Не работают поворотники ваз 2107

Указатели поворота (поворотники) автомобилей ВАЗ 2107, 2105, 2104 могут не работать по причине неисправности их самих, или выхода из строя каких-либо элементов их электрической цепи.
Вариантов отказа поворотников несколько:
Причины неисправности: не работает указатель поворота ВАЗ 2107, 2105, 2104
— Не работает один указатель поворота, причины
Перегорела лампочка указателя
У перегоревшей лампочки визуально виден обрыв нити накаливания. В ряде случаев лампочка на внешний вид может быть нормальной, но работать не будет. Поэтому заменяем лампочку новой или заведомо исправной.
Окислились контакты в патроне лампочки
Поворачиваем лампочку несколько раз в патроне, либо извлекаем и зачищаем контакты.
Осыпалась дорожка платы (для задних фонарей)
Визуально осматриваем дорожку платы на предмет осыпания. Прозваниваем ее на наличие обрыва.
Проверяем состояние черного провода, идущего от колодки поворотника до места крепления к кузову автомобиля. Проверяем надежность контакта с кузовом. В случае необходимости зачищаем.
Неисправна электропроводка (плюсовой провод)
По схеме проверяем плюсовой провод указателя поворота на наличие обрыва.
При выходе из строя хотя бы одного поворотника, оставшиеся исправные указатели поворота начинают мигать с удвоенной частотой.
— Не работают два указателя поворота: спереди — в передних блок-фарах и на крыльях, или сзади – в задних фонарях
У перегоревшей лампочки визуально виден обрыв нити накаливания. В ряде случаев лампочка на внешний вид может быть нормальной, но работать не будет. Поэтому заменяем лампочку новой или заведомо исправной.
Окислились контакты в патронах лампочек
Поворачиваем лампочку несколько раз в патроне, либо извлекаем и зачищаем контакты.
Осыпалась дорожки платы (для задних фонарей)
Визуально осматриваем дорожку платы на предмет осыпания. Прозваниваем ее на наличие обрыва.
Проверяем состояние черного провода, идущего от колодки поворотника до места крепления к кузову автомобиля. Проверяем надежность контакта с кузовом. В случае необходимости зачищаем.
Неисправна электропроводка (плюсовой провод)
По схеме проверяем плюсовой провод указателя поворота на наличие обрыва.
— Не работают указатели поворота по одному борту автомобиля (по правому или левому)
Не исправно реле-прерыватель указателей поворота
Не исправен подрулевой переключатель
Не замыкаются контакты при перемещении рычага переключателя, либо не плотно посажена колодка проводов.
Перегорели лампочки поворотников
Замена реле поворотов автомобиля ВАЗ 2107 самостоятельно
- Поворотные сигналы горят, но не мерцают, как это положено
- Происходит слишком медленное или быстрое мерцание
- Поворотники и аварийный сигнал вообще не работаю (ваш случай)
Реле поворотов ваз 2107 инжектор где находится. На прошлой недели ни с того, ни с сего выгорел предохранитель указателя поворотов.
Причина была абсолютно не понятна. Вроде бы все на месте, нигде КоЗы не видно, да и проводов с признаками оплавления нет. Но факт есть факт, предохранитель сгорел. Взял новы пред, поставил, поехал дальше.
Не работают поворотники ваз 2107
Уважаемые, автомастера! Нужна ваша помощь. Не работают поворотники ВАЗ 2107. Также не работает аварийка. Машина стояла на аварийке около часа, после чего внезапно все потухло. Ничего не работает, даже лампочка не реагирует. На что грешить, в чем может быть проблема? Буду благодарен за любые ответы.
Изначально нужно проверить предохранитель и реле, не забываем про кнопку аварийки. Не будет лишней проверка работоспособности подрулевых переключателей. В целом говоря, ищите поломку в этих местах
Проверил, всё в порядке. Насколько я знаю, предохранитель у аварийки и поворотных сигналов разный. Если бы один из них перегорел, то я это сразу заметил бы. Потому что с перегоранием предохранителя поворотников приборная панель вероятней всего также потухла бы!!
Тогда смотрите саму кнопку, часто, когда не работает одновременно аварийка и поворотник, виновата именно кнопка
Всем спасибо! Заменил реле — теперь все работает.
Без поворотников ездить неудобно, а главное — опасно. Ведь можно легко спровоцировать дорожно-транспортное происшествие. Поэтому подобную проблему необходимо решать в кратчайшие сроки. Итак, что могло спровоцировать поломку в вашем автомобиле? Сразу по нескольким причинам могут перестать работать поворотники в ВАЗ-2107 и аварийный сигнал:
- Наиболее распространенная и банальная причина — перегорание предохранителя или попросту потеря контактов.
- Контактные колодки могли повредиться, если произошло именно это, то не будет работать одна из поворотных сторон. Вытащите и после вновь вставьте все колодки, часто такие манипуляции дают положительный эффект
- Поворотники могут не работать по причине выхода из строя подрулевого переключателя. Проверьте его целостность и работоспособность
- Еще одна частая причина — поломка реле
В вашей ситуации, судя по описанной проблеме, проблем с предохранителем нет, да и подрулевой переключатель в порядке (но не факт). Нужно обязательно проверить реле, и, если есть надобность, заменить его новым экземпляром.

Не работают поворотники и аварийка: причины, диагностика и ремонт
- открыть крышку монтажного блока;
- поддеть отверткой и извлечь старое реле;
- установить новое реле;
- закрыть крышку монтажного блока.
Реле поворотов ваз 2107 ремонт — Авто Брянск Габаритный свет (правая фара и левый задний фонарь). Лампа освещения приборов. Лампа освещения прикуривателя. Лампа освещения вещевого ящика
Расположение реле поворотов ВАЗ 2107
В зависимости от типа питания двигателя (карбюратор или инжектор), реле может располагаться за приборной панелью или в монтажном блоке, находящемся под капотом. Конструкция реле одинакова на всех модификациях ВАЗ 2107, но порядок процедура замены отличается в зависимости от места установки.
Конструкция реле не предусматривает возможности его ремонта. При обнаружении неисправности необходимо выполнить замену детали.
Если реле находится в монтажном блоке, для его замены достаточно выполнить простые действия:
- открыть крышку монтажного блока;
- поддеть отверткой и извлечь старое реле;
- установить новое реле;
- закрыть крышку монтажного блока.
[tip]Если реле находится за приборной панелью, заменить его намного сложнее. Во избежание замыкания лучше отсоединить провод “массы” от аккумулятора. Замена реле поворотников выполняется следующим образом:[/tip]
- Открутить и снять кнопку (рукоятку) счетчика суточного пробега.
- Демонтировать декоративные ручки с рычагов управления отопителем салона.
- Снять декоративную заглушку с самореза крепления приборной панели.
- Выкрутить саморез.
- Отщелкнуть крепления приборной панели, поддев ее отверткой.
- Отщелкнуть колодки проводов с панели приборов.
- Вручную открутить трос спидометра.
- Демонтировать приборную панель.
- Отстыковать клеммы проводов от реле поворотом.
- Открутить гайку крепления реле.
- Подключить клеммы проводов
- Установить реле на место и затянуть гайку крепления.
- Подключить клеммы проводов к приборной панели.
- Прикрутить к приборной панели трос спидометра.
- Установить панель на место, защелкнув крепления.
- Закрутить саморез, фиксирующий приборную панель.
- Установить декоративные ручки на рычаги управления отопителем.
- Прикрутить рукоятку счетчика суточного пробега.
- Установить декоративную заглушку на саморез.
После этого необходимо подключить провод массы к АКБ. Замена реле поворотников на этом завершена.
Работу указателей, а также их мигание при маневре обеспечивает реле поворотов. В модели 2107 оно представляет собой электронное устройство, сконструированное на полупроводниках. Помимо них, в конструкции прибора применяется электромагнит, который размыкает и соединяет контакты по определенной схеме.

Не работает аварийка ваз 2107 — Автожурнал MyDucato
- в машинах с инжекторными двигателями реле размещается в подкапотном пространстве, в специально предназначенном монтажном блоке;
- в карбюраторных «семерках» реле поворотов может находиться непосредственно в салоне, за приборной панелью. В данном случае для получения доступа к нему потребуется демонтировать торпеду, что займет значительно больше времени.
Не работают поворотники ваз 2107 — Автожурнал MyDucato * В знаменателе для штыревых предохранителей
Диагностика неисправностей поворотников
Если однажды поворотники перестают функционировать, то это говорит о том, что пришло время провести диагностику автомобиля. Для этого нет необходимости ехать на СТО, а можно выполнить все в домашних условиях. О том, что механизм перестал функционировать, говорят следующие признаки:
- При включении поворотники горят, но при этом не происходит их мерцание. Такой вид поломки связан непосредственно с выходом из строя реле. Для исправления неисправности требуется заменить прерыватель.
- Ускоренное или замедленное мерцание поворотников. Ускоренное мерцание говорит о том, что перегорела спираль одной из ламп. Медленное мерцание свидетельствует о том, что в схеме подключена минимум одна лампа большей мощности, чем рекомендуется. Многие автомобилисты с появлением современных светодиодных ламп стремятся установить их на авто. При установке светодиодных ламп в поворотники наблюдается слишком быстрое их мерцание, это связано с их низкой потребляемой мощностью.
- Устройства вовсе не функционируют. Причина может заключаться в неисправности реле, предохранителя, подрулевого переключателя или кнопки включения аварийки. Схема подключения выполнена так, что питание поворотников проходит через кнопку включения аварийки. Если кнопка неисправна, то и повороты не будут функционировать.

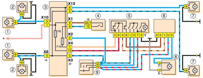
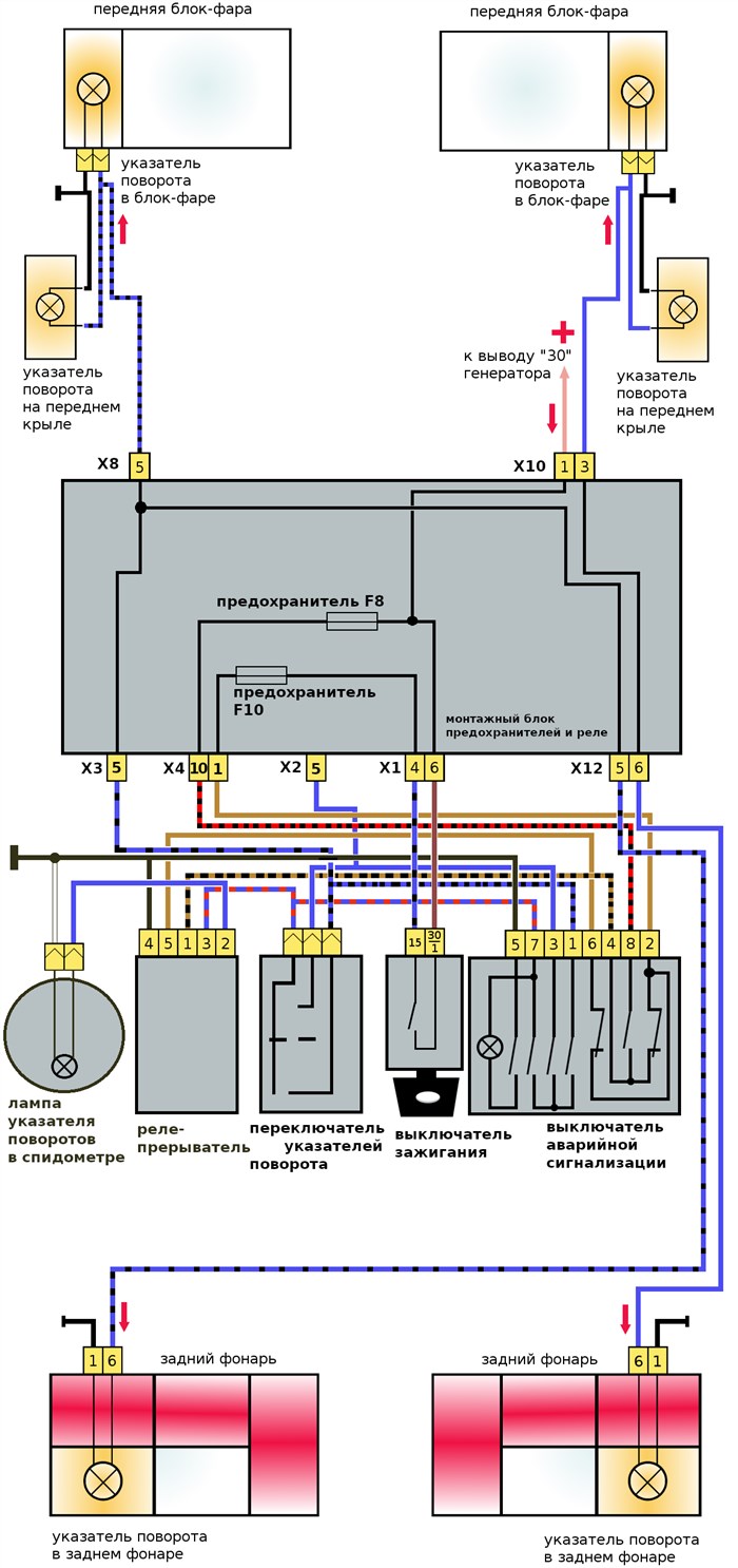
Для наглядности представим схему указателей поворотов и аварийки для семерки. В нее входят:
- указатели поворота расположенные на передних крыльях авто(боковые);
- монтажный блок;
- замок зажигания;
- кнопка аварийки;
- рассматриваемое реле;
- лампочки поворотников расположенные в задних фонарях;
- лампочка на панели приборов, сигнализирующая о включении поворотов;
с лампочками указателей поворота;
Предохранитель поворотников ваз 2107 — АвтоТоп
- Нужно снять приборную панель, поддев ее при помощи отвертки.
- После этого пробуем вытянуть ее на незначительное расстояние, если имеется такая возможность. Если длина проводов не позволяет вывести панель на некоторое расстояние, то соединения следует разъединить.
- Отвинтить трос привода спидометра.
- Найти визуально реле, и отсоединить от него контактные провода.
- Также от него отсоединяем «массу» после чего устройство демонтируем.
- Вместо старого прерывателя поворотов следует установить новое реле.
- В завершении собрать и подключить все демонтированные детали в порядке обратном снятию.
Назначение устройства Не исправно реле-прерыватель указателей поворота
Назначение устройства
Изначально следует отметить, что углы работают иначе, чем другие фары в автомобиле. Работают в прерывистом режиме, что гарантирует такое изделие, как реле оборотов ВАЗ-2107 (выключатель.
Также следует отметить, что, помимо прерывистой работы, реле указателей поворота издают звуковые сигналы в виде щелчков, которые помогают водителю. С помощью этих щелчков водитель понимает, что устройство в данный момент работает.
Помимо того, что переключатель отвечает за срабатывание светового сигнала, необходимого для маневров, он также позволяет им работать в аварийном режиме. На ВАЗ-2107 используется электронное реле, частота мигания ламп зависит от настройки электронной схемы. Выше фото современного электронного реле поворотников, которое используется на автомобилях ВАЗ-2107.

Особенности замены прерывателя
Назначение реле поворотников и аварийной сигнализации

Диагностика неисправностей поворотников
- Когда горит, указатели поворота горят, но не мигают. Этот тип отказа напрямую связан с выходом из строя реле. Для устранения неисправности выключатель необходимо заменить.
- Ускоренное или замедленное мигание указателей поворота. Ускоренное мигание свидетельствует о перегорании спирали одной из ламп. Медленное мигание означает, что в цепь подключена как минимум одна лампа с мощностью выше рекомендованной. Многие автомобилисты с появлением современных светодиодных ламп стремятся устанавливать их на автомобили. Когда в поворотники устанавливаются светодиодные лампы, они слишком быстро мигают, это связано с их низким энергопотреблением.
- Аппараты вообще не работают. Причина может заключаться в неисправности реле, предохранителя, подрулевого переключателя или кнопки аварийной сигнализации. Схема подключения сделана таким образом, что питание указателей поворота проходит через кнопку аварийного освещения. Если кнопка неисправна, повороты работать не будут.
Реле поворотов ВАЗ 2107 Я рекомендую вам заменить именно этот механизм, стоит он не так уж много, а работу можно проделать буквально за 20-30 минут. Обеспечьте себе доступ к монтажному блоку, обнаружьте там реле, выглядит оно следующим образом:
