Не Горит Лампа Заднего Хода Ваз 2105 – Как проверить лягушку
Не горят лампы заднего хода ВАЗ 2110 — что делать?
Как нетрудно видеть, что когда не горит задний ход на ВАЗ2110, причины могут носить самый различный характер. Но как бы там ни было, необходимо все поправить, а для этого следует устранить причину.
Для этого необходимо выполнить следующие действия:
- Необходимо определить состояние предохранителя № 19. Он рассчитан на мощность в 7,5 А. Его местом расположения является плата заднего фонаря ВАЗ 2110 монтажного блока под приборной панелью.
- Далее требуется удостовериться в том, что лампочки исправны. Если выяснится, что проблем с ними нет, надо проверить датчик заднего хода.
В последнем случае может возникнуть вопрос о месте его нахождения. При рассмотрении машины спереди она находится в правой стороне. Если же рассматривать ее в проекции по ходу движения, то он будет находиться в коробке передач, в ее левой нижней части.

Ремонт, доработка или тюнинг задних фонарей Ваз 2107
- Для замены авто необходимо поставит на яму либо загнать на эстакаду.
- При наличии защиты двигателя, ее необходимо снять.
- Предварительно следует приготовить какую-то емкость для масла, поскольку в тот момент, когда датчик будет откручен, определенная часть масла вытечет.
- Затем необходимо открутить провода, которые подведены к датчику.
- Старый датчик необходимо снять, а на его место поставить новое устройство.
- Вытекшее в процессе замены датчика масло, необходимо долить в коробку.
- Далее подсоединяются провода. Их предварительно необходимо вытереть насухо с целью удаления попавшего на них масла.
- Затем следует завести автомобиль, и проверить наличие света от лампочек при включенном заднем ходе.
Популярные причины почему не горят лампы заднего хода ВАЗ 2110 Как известно, при неисправности любых световых приборов эксплуатация автомобиля запрещена. И тут есть два варианта: отправиться в ближайшую СТО и заплатить там немалые деньги или попытаться устранить неисправность самому. В этой статье мы разберем причины «зависания» лампочки заднего хода на ВАЗ 2110 и попробуем устранить проблему сами.
Проверка работоспособности
При обнаружении неисправности необходимо выполнить следующие проверки:
Датчик-лягушка
- Установите автомобиль на контрольном канале или эстакаде.
- Заглушите двигатель и зафиксируйте машину стояночным тормозом или противооткатными упорами.
- Проверить картер коробки передач, датчик находится на задней стенке. На некоторых моделях рядом установлен датчик скорости, который передает сигнал на электронный спидометр.
- Снимаем заглушку с разъема датчика и проверяем контакты.
- Используйте кусок проволоки или скрепку, чтобы закоротить металлические части внутри шайбы.
- Включите цепь зажигания. Если проводка в хорошем состоянии, должны загореться сигнальные лампы.
Загорание ламп свидетельствует о выходе из строя контрольного датчика, который необходимо открутить от картера и заменить. Если лампы не горят, неисправность может быть в датчике или проводке.
Для проверки датчика следует использовать адаптированную лампу.до 12 В, устанавливается в розетку с коммутационными шнурами. Лампа подключается к выводам датчика при включении задней передачи и включенном зажигании. Если лампа не включается, замените или отрегулируйте датчик.
Целостность цепи
Регулировка выключателя на КПП
Если конструкция датчика не обеспечивает контргайку, положение регулируется с помощью шайб. Толщина пакета регулировочных шайб подбирается экспериментально при включенной скорости заднего вращения. Обратите внимание, что большое количество шайб уменьшит длину резьбы, которая крепит корпус датчика к картеру.
В автоматических коробках передач датчик заднего хода совмещен с индикатором нейтрального или парковочного положения. Требуется дополнительная индикация, позволяющая запускать двигатель только при разомкнутой кинематической цепи. Подобная конструкция используется на некоторых коробках передач, а также в селекторе есть переключатель, который нельзя отрегулировать.
- Выньте вилку и проверьте назначение контактов на этикетке или на электрической схеме в автомобиле.
- Включите зажигание и переведите рычаг селектора в положение заднего хода.
- Поверните датчик до тех пор, пока не погаснут контрольные лампы, и отметьте мелом положение корпуса датчика относительно картера. Чтобы проверить это, используйте индикаторную лампу с внешним питанием, подключенную к инвертирующим контактам.
- Подключите лампу к другим контактам и медленно покрутите корпус до щелчка нити накала. Отметьте положение мелом на корпусе датчика и корпусе коробки.
- Установите переключатель в промежуточное положение между найденными положениями. При правильной настройке кормовые фонари включаются, когда рычаг перемещается в положение R (задний ход), и двигатель может быть запущен в положениях P и N.

Не горят фонари заднего хода: причины, ремонт
Снятие платы задней платы

Не работают стоп-сигналы на автомобилях ВАЗ 2105, 2107
Зависает лампочка заднего хода ВАЗ 2110: причины и устранение неисправности Неисправен датчик света заднего хода
Проверка работоспособности
При обнаружении поломки требуется произвести проверку:
Датчик-лягушка
- Установить автомобиль на смотровую яму или эстакаду.
- Заглушить двигатель и зафиксировать машину стояночным тормозом или противооткатными упорами.
- Осмотреть картер коробки скоростей, датчик располагается на тыловой стенке. На части агрегатов рядом устанавливается сенсор определения скорости, который передает сигнал электронному спидометру.
- Снять штекер с разъема датчика и осмотреть контакты.
- При помощи отрезка провода или скрепки замкнуть металлические элементы внутри колодки.
- Включить цепь зажигания. Если проводка находится в исправном состоянии, то должны сработать сигнальные лампы.
Включение сигнализаторов указывает на неисправность датчика управления, который требуется выкрутить из картера и заменить. Если индикаторы не загорелись, то причиной дефекта может стать сенсор или электропроводка.
Для тестирования датчика используется лампа, рассчитанная на напряжение 12 В, установленная в патроне с коммутационными кабелями. Индикатор присоединяется к клеммам сенсора при включенной передаче заднего хода и активном зажигании. Если лампа не включилась, то датчик нуждается в замене или регулировке.

Целостность цепи
Регулировка выключателя на КПП
Если в конструкции датчика не предусмотрена контргайка, то корректировка положения производится шайбами. Толщина пакета прокладок подбирается опытным путем при включенной задней скорости. Следует помнить, что большое количество шайб сокращает длину резьбы, удерживающей корпус сенсора в картере.
На автоматических коробках встречается датчик заднего хода, совмещенный с индикатором нейтрального или стояночного положения. Дополнительная индикация необходима для разрешения запуска двигателя только при разомкнутой кинематической цепи. Подобная конструкция используется на части трансмиссий, также встречается переключатель в селекторе, который регулировке не поддается.
- Демонтировать штекер и определить назначение контактов по маркировке или электрической схеме автомобиля.
- Включить зажигание и перевести рычаг селектора в положение движения на задней передаче.
- Вращением датчика добиться момента выключения сигнальных огней и отметить положение корпуса сенсора относительно картера метками, нанесенными мелом. Для проверки используется контрольная лампа с внешним источником питания, которая подключается к контактам реверса.
- Подсоединить лампу к оставшимся контактам и медленно закрутить корпус до момента включения нити накала. Отметить положение мелом на кожухе сенсора и картере коробки.
- Установить переключатель в промежуточное положение между найденными позициями. При корректной регулировке при переводе рычага в позицию R (движение назад) будет включаться светотехника на корме машины, а при положениях P и N станет доступна возможность запуска мотора.
Алгоритм действий при замене датчика
- Неисправность датчика
. Он же выключатель заднего хода, концевик или лягушка. Этот контроллер достаточно надежный и долговечный. Но все равно исключать вероятность его поломки нельзя. Особенно, если в машину приходился удар сзади, разбивалась фара и менялись фонари; - Сгоревшая лампочка
. А может все до безобразия банально. Лампочка со временем израсходовала свой ресурс, а потому уже не работает. Ее придется заменить; - Предохранитель
. Также сигнал может пропасть, если перегорит отвечающий за эти фонари датчик. Это плавкая вставка, которая выгорает при превышении допустимого напряжения. Поскольку этот предохранитель отвечает сразу за несколько приборов в большинстве авто, параллельно с задним ходом могут не гореть и другие лампы, подсветка приборной панели и пр.; - Обрыв в электроцепи
. Тут могут обломаться пины, перетереться провода и не только; - Окислы и коррозия
. Образуются в местах, где соединяются контакты цепи, ведущей к задним фонарям; - Контакт массы
. Если масса плохая, задний ход может не функционировать. Это также одна из причин, почему не горят стоп-сигналы на автомобиле.
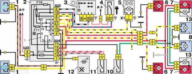
Проверка цепи Габаритные огни включаются трёхпозиционным переключателем, расположенным под рычагом переключения скоростей
Не горят фонари заднего хода – диагностика неисправностей и ремонт
Поменять его не особо сложно, но требуется выполнить следующие действия:
- Для замены авто необходимо поставит на яму либо загнать на эстакаду.
- При наличии защиты двигателя, ее необходимо снять.
- Предварительно следует приготовить какую-то емкость для масла, поскольку в тот момент, когда датчик будет откручен, определенная часть масла вытечет.
- Затем необходимо открутить провода, которые подведены к датчику.
- Старый датчик необходимо снять, а на его место поставить новое устройство.
- Вытекшее в процессе замены датчика масло, необходимо долить в коробку.
- Далее подсоединяются провода. Их предварительно необходимо вытереть насухо с целью удаления попавшего на них масла.
- Затем следует завести автомобиль, и проверить наличие света от лампочек при включенном заднем ходе.
Подобные мероприятия являются одним из вариантов устранения проблемы, при которой не горят фонари заднего хода ВАЗ 2110.

Устройство и принцип работы
- Снимите фишку выключателя фонарей.
- Включите зажигание.
- Небольшим отрезком провода замкните между собой контакты разъема датчика включения реверсной передачи.
Габаритные огни Открой багажник и при необходимости освободи его. Сними обшивку и отвинти пластиковый защитный кожух. Осталось извлечь заднюю панель, и ты получишь доступ к фонарям и плате управления.
Основные причины неисправности стоп-сигналов
При нажатии на педаль тормоза могут быть следующие эффекты:
- Не горят — требуется искать проблему. Причем сигнал о том, что не горят обе лампы на автомобиле, свидетельствует о необходимости проведения глобальной проверки, так как парно световые элементы перегорают в редких случаях.
- Горят наполовину — если горит только один стоп-сигнал, значит надо разобрать вторую фару и проверить исправность лампы. С большей вероятностью из строя вышел осветительный элемент(лампочка), и реже причиной может быть нарушение контакта.
Причинами неисправности стопа на ВАЗ 2107 являются:

Масса фонаря
- Из строя вышел предохранитель F11(10А). Предохранитель состоит из плавкой вставки, которая перегорает при прохождении по цепи тока большой величины. Предохранитель рассчитан на соответствующую величину тока, поэтому его перегорание может быть связано с возникновением короткого замыкания или установкой ламп большой мощности.
- Замыкание в проводке или ее повреждение. Такая неисправность часто встречается после проведения работ в салоне или багажном отсеке.
- Окисление контактов. В месте соединения ламп с цоколем, или в месте подключения проводов к фарам со временем может сформироваться окисление, причинами которого является плохой контакт и попадание влаги внутрь блок фары задних фонарей.
- Перегорание ламп накаливания — лампы имеют свой ресурс, поэтому часто неработоспособность стоп-сигнала связана с их перегоранием.
- Неисправность жабки или лягушки — это датчик, который расположен в конструкции педали тормоза. Датчик замыкает контакт при нажатии педали тормоза, в результате чего загорается стоп-сигнал.
Это все виды неисправностей, которые связаны с неработоспособностью стопа на автомобиле ВАЗ 2107 и других автомобилей. Выявить поломку и устранить ее можно самостоятельно, не обращаясь к электрику. Для выявления поломки понадобится тестер или мультиметр. Более подробно о том, как найти и устранить неисправности стопа на ВАЗ 2107, рассмотрим подробно.
Проверка лампочек
Окислились контакты
Выявить такую неисправность не трудно, для чего следует выкрутить лампу из патрона, и осмотреть внутренность. Окислы и ржавчину выявить можно визуально, а для устранения неисправности, понадобится очистить контакты наждачной бумагой. После этого перед установкой светоизлучающего элемента, следует обработать место патрона силиконовой смазкой.
Это интересно! Контакты могут окислиться, покрыться коррозией или ослабнуть, что приведет в итоге к неисправной работе стоп-сигналов. Контакты следует проверить также на лягушке или ДСС.
Подсветка номера ВАЗ-2107
- отсутствие массы на фонаре;
- перегорание лампы;
- окисление контактов;
- обрыв или перетирание проводки;
- выход из строя контактов разъёма и др.
Датчик-лягушка Если эксперимент удался, то просто замени экспериментальный предохранитель на другой с номиналом на 50% выше штатного. В этом случае можно считать, что проблема решена.
