Лампа Акб Горит в Полнакала Ваз 2114 • Разряжен аккумулятор
Почему лампа зарядки аккумулятора на ВАЗ-2110 тускло горит во время движения
Из данной статьи вы узнаете, почему постоянно горит лампа зарядки АКБ или появляется слабая индикация. Почему так происходит и что делать, читайте далее.
Рассматриваемый индикатор предназначен для того, чтобы водитель знал, происходит ли зарядка батареи или вся электросеть питается напрямую от АКБ во время движения.
При включении зажигания все сигнальные лампы зажигаются, во время запуска ДВС все индикаторы должны погаснуть. В таком случае система зарядки аккумулятора исправна и беспокоиться не о чем.
В ином случае, если лампа АКБ все же горит, тогда следует искать неисправность.

Горит аккумулятор на панели приборов ВАЗ 2114, 2115: причины неисправности, тусклое свечение
Почему появляется этот сигнал

Горит лампочка зарядки аккумулятора, но зарядка есть — причины и устранение
- Отсутствие качественного контакта на клеммах АКБ.
- Повреждение ремня генератора или ослабление натяжения.
- Нет контакта «минуса» с массой.
- Обрыв в цепи возбуждения ротора или износ щеток в генераторе.
- Поломки диодного моста обычно сопровождаются тусклым горением лампочки аккумулятора на приборной панели.
- Выход из строя предохранителя.
- Сбой в работе реле-регулятора.
Почему продолжает гореть лампочка зарядки аккумулятора, если зарядка фактически происходит Если же генератор подает напряжение меньше 8 В, либо вообще не подает ток, то аккумулятор переключается в режим источника энергии, и именно он будет питать всех потребителей. В таком случае лампа на панели должна гореть ярко. Чтобы устранить неполадку нужно возобновить подачу тока от генератора.
Аккумулятор не держит зарядку
Узнай время зарядки своего аккумулятора
Покупать новый аккумулятор до того как убедитесь в непригодности старого нерационально. Но при наличии запасного, возможности воспользоваться батареей с другого автомобиля, можно установить ее на место своего, пока тот заряжается, и попробовать завести машину и проехать на ней несколько километров.
Если лампочка на панели ВАЗ больше не загорается, проблема была в разряженном аккумуляторе. Ждем зарядку своего. Если он не держит зарядку, покупаем новый или, при наличии времени, желания, способностей, восстанавливаем старый.

| Один из первых шагов — проверка контактов генератора. |
Горит зарядка в пол накала — Клуб любителей микроавтобусов и минивэнов
- Предохранитель
. В случае F16 или плохом контакте (окисление, перегорание, и т. д.). Данный предохранитель связан и с другими индикаторами панели приборов, поэтому в случае проблем с этим предохранителем, гореть будут и другие лампочки.
- Обрыв «ноля»
. Разрыв в цепи «нулевого» провода приведет к перебоям питания комбинации приборов.
- Клеммы аккумулятора
. Проверьте состояние клемм, качество контакта, а также то, нет ли окисления на клеммах. Из-за таких «мелочей» вполне возможны проблемы с зарядкой батареи и как результат появление на панели соответствующего индикатора.
- Замок зажигания
. Неисправность замка зажигания, а точнее износ выключателя зажигания, нередко становится причиной непрерывного горения лампочки АКБ. Однако в данном случае индикатор аккумулятора тоже будет гореть не один.
- Масса
. Плохой контакт провода массы может привести к тому, что на панели загорится лампочка АКБ. Проверьте состояние контакта, в случае обнаружения проблем устраните их.
Не горит лампочка зарядки аккумулятора ВАЗ 2114: при включении зажигания, не загорается индикатор на панели приборов. Читайте также: Что такое ГРМ в автомобиле и для чего он нужен? Техническое обслуживание газораспределительного механизма
Горит зарядка в пол накала
Симбир Врос
Всего сообщений: 689 Зарегистрирован: 02.01.2010 Детей: 2 Профессия: техник-технолог Откуда: г.Ульяновск (Симбирск) Авто: ММС КИРПИЧ,95г.4Д56. ММС РВР,4Д68 Возраст: 50
Всем привет.Проблема появилась случайно точнее неожиданно для меня.
Сейчас темнеет рано,поэтому и заметил.Вообщем так горит в пол накала,независимо от оборотов.Дискомфорта не испытываю,я имею в виду «утренний пуск» и вообще.Генератор после переборки.Мож кто толкового подскажет?Да,забылгенератор от Газели(такой был до меня) .Зарание огромное спасибо.
nik3106 Задержался
Всего сообщений: 25 Зарегистрирован: 28.08.2009 Детей: 2 Профессия: Монтаж сплит-систем Откуда: Невинномысск Авто: FORD FREDA WL 1996, FORD FREDA J5 2001г
Симбир Врос
Всего сообщений: 689 Зарегистрирован: 02.01.2010 Детей: 2 Профессия: техник-технолог Откуда: г.Ульяновск (Симбирск) Авто: ММС КИРПИЧ,95г.4Д56. ММС РВР,4Д68 Возраст: 50
ed57orel Врос
Всего сообщений: 748 Зарегистрирован: 17.02.2011 Откуда: russian г Орел Авто: 407Д 85г 616двиг Возраст: 32
Симбир Врос
Всего сообщений: 689 Зарегистрирован: 02.01.2010 Детей: 2 Профессия: техник-технолог Откуда: г.Ульяновск (Симбирск) Авто: ММС КИРПИЧ,95г.4Д56. ММС РВР,4Д68 Возраст: 50
З.Ы.Свет действительно очень хорош ,в смысле яркий.Мож в этом и проблема
smouse Врос
Всего сообщений: 325 Зарегистрирован: 10.10.2010 Детей: 2 Профессия: инженер кондиционирование,вентиляция Откуда: москва Авто: мерс 210D 93 г до него такой же 89 год Возраст: 53
проверь напряжение в сети с нагрузкой и без
у меня такое было когда подгорела щётка на таблетке ,сменил таблетку и всё ок.
ed57orel Врос
Всего сообщений: 748 Зарегистрирован: 17.02.2011 Откуда: russian г Орел Авто: 407Д 85г 616двиг Возраст: 32
может генератор от казели слабый и не до зарежает он расчитан на аком 75-80 (не помню ) и из за этого не до зарежает акамулятор (в бусе должен быть вроде по сельней
sogd Ветром занесло Всего сообщений: 7 Зарегистрирован: 06.09.2011 Откуда: Tambov Авто: Ford Transit Возраст: 51
проблема может быть в диодах в самом генераторе. Но если все устраивает — можно влепить диод от плюса до лампочки

Калькулятор расчета тока утечки в автомобиле
Как определить, что есть неисправность? Добавлено спустя 2 минуты 55 секунд:
На фишке генератора может отгнить провод тоже такое было.
ВАЗ 2110 горит лампа аккумулятора
Фото панели приборов автомобиля ВАЗ 2110. Лампа аккумулятора — третья слева в нижнем ряду.
Возможна, например, потеря тока при выключенном автомобиле, или повышенное потребление бортовой электроники во время поездки. И даже при нормальном режиме разряда подвести может генератор, который не будет восполнять заряд аккумулятора из-за неисправности. Если при запуске ВАЗ 2110 горит лампа аккумулятора на приборной панели. то как раз имеет место последний вариант.
А вот почему конкретно генератор не подает напряжение сразу определить довольно сложно. Самый очевидный сценарий – ослаб ремень, и генератор просто не набирает необходимые для работы обороты. Тогда достаточно просто натянуть ремень, и следить за поведением лампочки. Если же и после этого аккумулятор не заряжается, виновником может быть регулятор напряжения.
А вот влияние высокого напряжения на батарею куда более пагубное – за значением напряжения в сети очень важно следить
Еще одной причиной мигания лапочки на «десятке» может стать выход из строя одного из диодов выпрямительного блока. Диод предназначен для того, чтобы пропускать ток только в одну сторону, и не давать ему идти в генератор.
Фото диодов выпрямителя генератора ВАЗ 2110. 3 — дополнительные диоды, 2 — отрицательные диоды, 1 — положительные диоды
Одна из поломок стартера, это выход из строя втулок. В данной статье мы рассмотрим технологию замены втулок стартера для модели ВАЗ 2109.
Плохо крутит или не крутит стартер ВАЗ 2109
Распространенная проблема — стартер вроде работает, а вроде и не работает, крутит, но плохо. Что делать в этом случае, Вы узнаете из данного обзора.

Перегорел предохранитель
- Ситуация вторая — воль, а также лампочка говорят о зарядке, при этом аккумуляторная батарея разрядилась. Напряжение на АКБ при этом в норме (~14V), но при нагрузке (сигнал, фары и. т.) стрелка зарядки дергается в крайнее левое положение. Причина — слабая натяжка ремня генератора, либо проблема с самим шкивом или подшипником.
- Кроме того, причиной вышеописанной ситуации может стать пробой одного из диодов или обрыв в обмотке статора. Сделайте следующее — выключите зажигание, затем проверьте диоды при помощи мультиметра, если обнаружится пробой — произведите замену.
- Не лишним будет проверить щетки генератора. Чтобы сделать это достаточно достать щетки и проверить их длину, если длина менее пяти мм. рекомендую заменить щетки генератора.
- Ситуация третья — после поворота ключа в замке зажигания, лампа аккумулятора не горит, при этом датчик заряда не срабатывает, и зарядка на батарею не поступает. Вероятнее всего причина заключается в перегорании предохранителя. Он имеет обозначение «F10», его номинал равен – 10 Амп. Если после замены нового предохранителя вы не увидели результата, причина может заключаться в самом замке или реле зажигания.
- Ситуация четвертая — после поворота ключа нет зарядки, однако все приборы при этом функционируют, лампочка аккумулятора не горит.
Пути обнаружения возникшей неисправности Нужно проверить предохранитель F16. На рисунке ниже он обозначен синим цветом.
Про лампочку аккумулятора
Лампочку аккумулятора правильнее называть индикатором работы генератора. При его загорании после половины оборота ключа зажигания, можно сделать вывод, что всё в порядке. Однако если лампочка загорается в ходе движения машины, явно генератор не работает, а бортовая сеть питается от АКБ. Если такое происходит, то это повод заехать в ближайший автосервис.
Таким образом, индикатор должен загораться, как только водитель поворачивает ключ в замке зажигания на пол-оборота и тухнуть, как только запускается двигатель.
Но бывает и так, что лампочка не горит при включённом зажигании и отключённом двигателе. Из-за чего такое происходит, узнайте ниже.

Готовим инструменты и исправляем внешние поломки
- износ щеток
- неисправность реле регулятора
- неисправность выпрямителя (диодного моста)
- износ коллектора ротора
- обрыв обмоток статора или ротора
Неисправности генератора Проверьте состояние выводов АКБ и контактных проводов батареи. Нередки случаи, когда в этих местах происходит окисление и соприкосновение значительно ослабевает. Когда загорается лампа и зарядка есть, именно это может стать причиной.
Какими ещё причинами могут спровоцировать эту неисправность
контрольная лампочка зарядки Помимо вышеперечисленных, имеется ещё несколько причин неправильной работы контрольной лампочки зарядки аккумулятора:
питания аккумулятора В первую очередь следует произвести замер напряжения на клеммах АКБ. Если результаты будут ниже рекомендованных, то необходимо пошагово провести проверку всей цепи:
- произвести проверку степени натяжения ремня;
- выполнить замеры напряжения на каждом из выводов на генераторе (его показатели должны быть в два раза ниже, чем полученные при замерах на клеммах аккумулятора);
- проверить сохранность предохранителя;
- убедиться в исправности диодного мостика;
- провести ревизию состояния реле;
- посредством специальных приборов произвести замеры сопротивления цепи питания;
- проинспектировать качество соединение всех проводов в местах их пайки;
- убедиться с помощью тестера в отсутствии обрыва в цепи питания.
Конечно, от возникновения неисправностей не застрахован никто, однако имеется несколько простых рекомендаций, соблюдение которых позволяет продлить срок безаварийной работы всей цепи с и генератора в частности. Выглядят они так:
- регулярно проводить проверку качества крепления генератора, так как наличие постоянных вибраций может привести к возникновению механических повреждений;
- поверхность генератора следует время от времени очищать от грязи;
- за натяжением ремня необходимо следить постоянно и при необходимости его подтягивать;
- периодически следует проверять качество подшипников ротора, для чего снимается ремень и в процессе проворачивания ротора вручную не должно возникать люфтов и посторонних шумов, а вращаться он должен ровно и плавно;
- проводить регулярную проверку качества соединения проводов по всей цепи питания аккумулятора.

Как самостоятельно отремонтировать зарядное устройство для автомобильного аккумулятора Из чего состоит зарядное устройство для автомобильного аккумулятора, и как его правильно ремонтировать.
3-04-2016, 08:00 0 Как самостоятельно отремонтировать зарядное устройство для автомобильного аккумулятора
29-01-2014, 15:58 0 Восстанавливаем энергообеспечение: проверка и восстановление работы альтернатора Volkswagen Sharan
Как самостоятельно поменять генератор на «десятке», не прибегая к услугам автосервиса. Генератор является важным элементом электропитания автомобиля. Технические неисправности, возникающие при неправильной работе с ним, могут нанести ущерб элементам электрооборудования и полностью вывести их из строя.
15-12-2013, 20:25 0 Как самостоятельно поменять генератор на «десятке», не прибегая к услугам автосервиса.
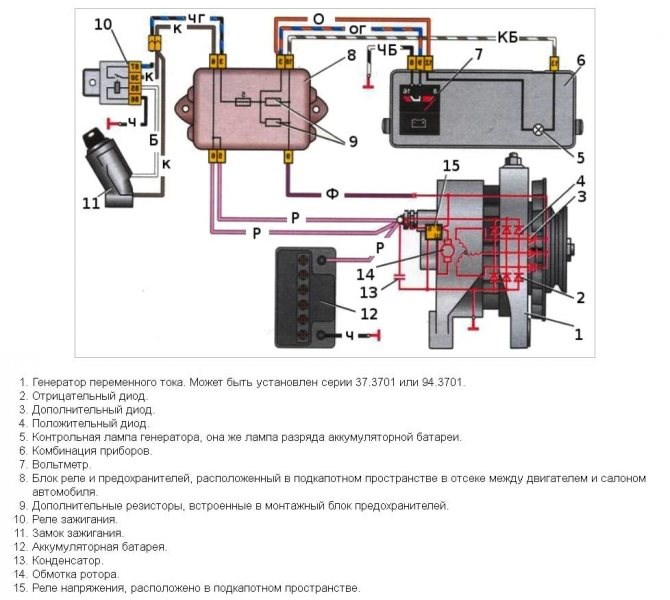
Схема проводки
Полезные рекомендации Симбир Врос
Всего сообщений: 689 Зарегистрирован: 02.01.2010 Детей: 2 Профессия: техник-технолог Откуда: г.Ульяновск (Симбирск) Авто: ММС КИРПИЧ,95г.4Д56. ММС РВР,4Д68 Возраст: 50
