Ошибка Подушки Безопасности на Фольксваген б5. Снять пассажирскую
Как проверить датчик удара подушек безопасности мультиметром
Пневмоподушка — это эластичная оболочка, выбрасываемая путем стремительного наполнения газом при срабатывании датчика удара, который замыкает контакты пиропатрона.
Где расположены автомобильные пневмоподушки безопасности
Модули с пневмоподушками находятся в определенных производителем местах. Например, для водителя — по центру рулевого колеса, внутри него, а для пассажира — в панели приборов. Почти всегда они маркируются словом «airbag», «SRS».
Может быть полный набор airbags или часть из них:
- перед передними креслами: внутри руля (верхняя часть торпеды, центр баранки), для пассажира — в приборной панели;
- боковые: дверки, стойки, за обшивкой около окон;
- airbag в спинках сидений;
- для защиты колен, ног: под рулем, бардачком, внизу задних кресел;
- центральные подушки безопасности: подлокотники.
Сравнительно недорогие автомобили оснащаются только фронтальными подушками.
Из чего состоит модуль подушек безопасности машины
Стандартный узел автомобильных подушек безопасности состоит из следующего:
- модуль с оболочкой, состав:
- узел, отвечающий за наполнение. Стандартно содержит специальный пиропатрон, наполнитель (inflator) из стального корпуса и инициатора — запала (Initiator, igniter), газогенерирующее вещество (обычно азид натрия, нитрат калия);
- подушка из нейлона в сложенном состоянии с отверстиями, так как после выброса она должна сдуться для уменьшения ее удара о тело, исключения зажатия человека;

Как проверить датчик удара подушек безопасности мультиметром: где он находится
- важно правильно подсоединить тестер. Обычно на подключении 2 плюса, а болт — масса, поэтому надо один щуп — к нему, другой — к одному из первых;
- несмотря на то, что напряжения цифрового мультиметра не хватит для сработки запала баллончика реактивов (потребуется 12 В, а в тестере «крона» только на 9 В), все же желательно подушку отсоединить. Так в случае форс-мажора хотя бы она останется несработавшей.
Как проверить подушки безопасности, проверка подушек безопасности при покупке авто – электронного устройства управления системой и контроля функциональной готовности системы (блока управления);
– двух надувных подушек безопасности (воздушных мешков с газогенератором) для:
водителя (в рулевом колесе),
переднего пассажира (в панели приборов);
– контрольной лампы на комбинации приборов.1.8. Система надувных подушек безопасности
Система передних надувных подушек совместно с трехточечными ремнями безопасности предоставляет дополнитель ную защиту головы и верхней части тела водителя и пассажира на переднем сидении в случае серьезных фронтальных столкновений. Предупреждение
Максимальное защитное действие ремней безопасности и надувных подушек достигается только при правильной регулировке сидений.
Система передних надувных подушек безопасности не срабатывает при:
– боковых ударах,
– ударах в заднюю часть автомобиля,
– опрокидывании,
– слабых фронтальных ударах.Система надувных подушек безопасности ни в коем случае не является заменой ремням безопасности, а представляет существенную составную часть общей концепции пассивной безопасности автомобиля. Пожалуйста, запомните что наибольшая эффективность действия надувных подушек безопасности достигается только при совместном действии с надетыми ремнями безопасности.

– электронного устройства управления системой и контроля функциональной готовности системы (блока управления);
– двух надувных подушек безопасности (воздушных мешков с газогенератором) для:
водителя (в рулевом колесе),
переднего пассажира (в панели приборов);
– контрольной лампы на комбинации приборов.Функциональная готовность системы надувных подушек контролируется электронным устройством.
После каждого включения зажигания контрольная лампа системы надувных подушек безопасности загорается приблизительно на 3 секунды (самопроверка).
Какой бензин экономичнее?О нарушении функциональной готовности системы свидетельствует следующее:
– при включении зажигания контрольная лампа не загорается,
– приблизительно через 3 секунды после включения зажигания контрольная лампа не гаснет,
– после включения зажигания контрольная лампа гаснет и затем опять начинает светиться,
– во время движения контрольная лампа светится или мерцает.Когда отмечено нарушение функциональной готовности системы, необходимо обязательно проверить систему в сервисном предприятии Фольксваген. Иначе существует опасность, что в случае необходимости, надувные подушки не сработают надлежащим образом.
Система надувных подушек спроектирована таким образом, что она срабатывает в случае сильных фронтальных столкновений.
Размеры сектора направления фронтального столкновения, при котором происходит срабатывание системы, представлены на рисунке.
При срабатывании системы воздушные мешки наполняются рабочим газом и, надуваясь, разворачиваются перед водителем и пассажиром.
При упоре водителя и переднего пассажира в полностью надутые воздушные мешки движение их тел по инерции вперед гасится, и риск получения ими травм головы и верхней части тела существенно уменьшается.
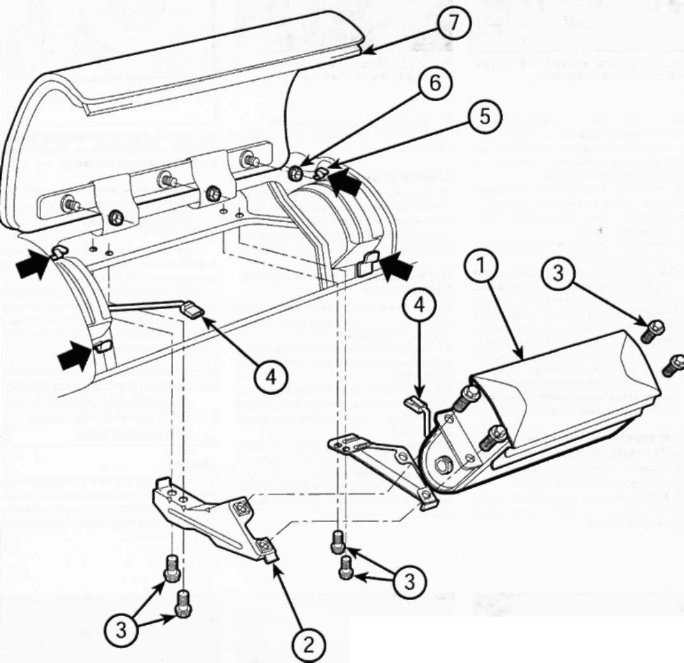
Volkswagen > Volkswagen Passat B5 (1996-2000) Руководство по ремонту и техническому обслуживанию > Электрооборудование кузова > Снятие и установка элементов подушек безопасности
Загорелась лампа подушек безопасности — причины и устранение Все операции необходимо выполнять только при полностью отсоединенном аккумуляторе!
Снятие и установка элементов подушек безопасности

1 Отсоедините от аккумулятора отрицательный провод (см. главу 5А).
Подушка безопасности водителя
2 Установите рулевое колесо строго «прямо» и поверните его на 90′ вправо или влево. Отпустите рычаг регулировки руля и поднимите руль максимально на себя и вниз.
3 Вставьте примерно на 45 мм тонкую отвёртку в отверстие с задней стороны руля. Отсоедините отвёрткой крепёжный фиксатор подушки безопасности (рис. 22.3.а, б). Поверните подушку на 180″ и отсоедините фиксатор на противоположной стороне.
4 Верните руль в среднее положение. Аккуратно снимитеподушкубезопасностии отсоедините электрический(е) разъём(ы) с задней стороны подушки (рис. 22.4). Подушку безопасности нужно хранить бережно и подушкой кверху.
5 При установке подсоедините электрический^) разъём’ы) и установите подушку на место. Убедитесь в том, что электропроводка не перегнута. Включите зажигание, и только посла этого подсоедините к аккумулятору отрицательный провод.
Подушка безопасности переднего пассажира
6 Подушка безопасности пассажира расположена под крышкой над перчаточным ящиком. Снимите крышку подушки безопасности. ОтвернитеЗкрепёжныхгайки крышки.
7 Отверните 4 крепёжных болта и поднимите подушку с кронштейнов. Отсоедините от подушки электрический разъём (рис. 22.7). Не бросайте и не ударяйте подушку. Подушка должна храниться подушкой кверху.
8 Установка производится 8 порядке, обратном снятию. Убедитесь в том, что электрический разъём подсоединён надёжно (рис. 22.8).
9 Убедитесь в том. что в салоне автомобиля никого нет. Включите зажигание и только после этого подсоедините к аккумулятору отрицательный провод.
10 Установите руль строго «прямо». Снимите рулевое колесо, как описано в главе 10.
11 Отверните винты и снимите накладки рулевой колонки. Верхняя накладка крепится двумя винтами снизу, а нижняя накладка крепится одним болтом под внутренний шестигранник и четырьмя винтами. Возможно потребуется опустить рычаг регулировки руля по высоте и, отвернув 2 крепёжныхвинта, снять его рукоятку (см. главу 11).
12 На автомобилях без системы динамической стабилизации ESP отсоедините электрический разъём под контактным модулем и отсоедините 3 фиксатора. Снимите контактный модуль (рис. 22.12).
13 На автомобилях с системой динамической стабилизации ESP в контактный модуль встроен датчик поворота руля. При установленных строго «прямо» колёсах должно быть видно жёлтое пятно в левом верхнем углу контактного модуля. Метки должны совпадать(рис.22.13). Отсоедините 4 крепёжных фиксатора и снимите контактный модуль с рулевой колонки, отсоединив электрический разъём.
Расшифровка кодов ошибок Volkswagen на русском языке: список неисправностей, причины и методы их устранения
[/i] Фольксваген Пассат Б5. Система надувных подушек безопасности. Volkswagen Passat B5Напомним, что в среднем ресурс подушек безопасности составляет 10 лет. Как правило, после этого промежутка времени в подушках безопасности выходят из строя пиротехнические патроны. По этой причине ради своей же безопасности их необходимо менять по истечению данного срока.Снять подушку безопасности с руля
Задать вопрос экспертуМнение экспертаЧерноволов Василий, эксперт-автомеханик 1-й категорииЕсли у вас есть вопросы, с удовольствием помогу!Потом всё вынимается, по желанию меняется всё, что захочется либо блок подушки, либо только сама заглушка. Посчитав количество вспышек по технической документации к авто можно расшифровать сигнал и узнать где проблема. Ремонт шлейфа подушки безопасности Volkswagen Passat B3-B4 своими руками По всем вопросам пишите мне, я обязательно объясню все нюансы!Снять пассажирскую
Часто задаваемые вопросы В основном они заключаются в элементах крепления.
Что делать, когда загорается лампа системы безопасности?
Кроме указанных неполадок, лампа подушек безопасности может загореться из-за неправильной замены руля, поскольку нам необходимо помнить и о самой подушке безопасности, и о других расположенных в руле или непосредственной близости от него элементах защитной системы. Поэтому в первую очередь следует проверять руль и его компоненты.
Конструкция AirBag не такая уж и сложная. Состоит она из пиропатрона с подушкой, блока управления и датчиков удара.
Датчики расположены по периметру авто и отвечают за раскрытие той или иной подушки.
Стук при повороте руля, причины и способы их устранения
Генератор дает перезаряд на аккумулятор, причины и способы их устранения

То есть, для фронтальных AirBag датчик расположены в передней части, а для боковых – в дверях.
К примеру, при лобовом столкновении датчики получают усилие от удара, и передают сигнал на управляемый блок.
При этом боковые датчики усилия не получат, а значит, и сигнала не передадут.
Это еще одна мера безопасности – при столкновении раскроются только те AirBag, датчики которых восприняли удар, остальные подушки не раскроются.
От блока управления сигнал перейдет на необходимые пиропатроны.
При поступлении этого сигнала внутри пиропатрона произойдет химическая реакция, которая будет сопровождаться выделением большого количества газа, им и наполнится подушка, представляющая собой тканевый мешок с отверстиями.
Отверстия эти нужны для того, чтобы после наполнения подушка быстро сдулась.
Сделано это для того, что AirBag нужен только в первые секунды удара для принятия тела человека. Дальнейшее ее нахождение в наполненном состоянии не нужно, чтобы она не затрудняла возможность выбраться из авто.
Срабатывание подушки – только одноразовое. Если она уже была использована, нужно будет заменять пиропатрон, и восстанавливать работоспособность системы.
Пошаговая инструкция
- любые воздействия на устройства, связанные с натяжением ремня безопасности;
- подключение сигнализации;
- переустановка передней панели, руля и сидений;
- случаи КЗ или повреждения разъемов.
Ударный сенсор и пиропатрон airbag Рассмотрим ситуацию на примере автомобиля «Лада Приора», в других моделях могут быть незначительные отличия (некоторые примеры приводятся ниже в соответствующем разделе), но общая суть — та же самая. Проведя описанную выше предварительную подготовку, действуем так:
Как проверить подушку безопасности тестером
Удостовериться в том, система защиты ранее не срабатывала можно, измерив сопротивление пиропатрона при помощи обычного тестера. Для проверки:
После этого выставляем тестер в режим омметра и проверяем сопротивления на разъеме устройства защиты. Любые отклонения от нормы должны вас насторожить.
Кстати, мошенники научились обходить и такой способ диагностики, устанавливая резисторы с подходящим сопротивлением. При недостатке необходимых знаний и умений проверка подушек безопасности тестером может привести к непроизвольному срабатыванию устройства защиты и травмам. Если вы не уверены в своих силах – обратитесь к опытному мастеру.

Индикатор системы подушек безопасности на панели управления
[/i] ДатчикиВ нашем случае процедура может называться «проверкой датчика» (так принято в народе), но по сути это анализ сопротивления именно пиропатрона.Работоспособность датчика удара и airbag
Задать вопрос экспертуМнение экспертаЧерноволов Василий, эксперт-автомеханик 1-й категорииЕсли у вас есть вопросы, с удовольствием помогу!Одной из индикаций на панели приборов в виде схематического изображения человечка на сиденье с пневмоподушкой в форме шара или буквами Airbag, SRS показывается состояние рассматриваемого узла безопасности. Как проверить датчик удара подушек безопасности, а точнее его пиропатрон, мультиметром измерением сопротивления. Проверка мультиметром пиропатрона (срабатывателя) датчика удара По всем вопросам пишите мне, я обязательно объясню все нюансы!Почему горит лампочка подушки безопасности
- фронтальными (расположены в руле и верхней части торпедо);
- боковыми (устанавливаются в дверях или спинках сидений);
- коленными (монтируются под рулем и бардачком);
- шторками для защиты головы (расположены за обшивкой потолка между стойками авто);
- центральными (крепятся в подлокотниках между креслами).
Удаление ошибок Надо также осмотреть всю конструкцию, нет ли в электроцепи посторонних элементов, так как часто мошенники обходят описанный способ проверки числа Ом, делая «обманку», включая в линию резисторы с определенным сопротивлением, чтобы тестер показал нормальное значение.
