Киа Рио не Горит Подсветка Багажника – Philips vision
Какая лампочка подходит kia rio
Подходящие годы выпуска автомобиля: 2000, 2001, 2002, 2003, 2004, 2005, 2006, 2007, 2008, 2009, 2010, 2011, 2012, 2013, 2014, 2015, 2016, 2017, 2018, 2019, 2022.
В подборку я включил изделия известных брэндов — надёжных и проверенных европейских производителей. Берегите себя, ставьте качественные лампочки с прозрачной историей, за которыми стоят опытные инженеры и годы испытаний.
Какая лампа подойдёт для Киа Рио с обычными фарами?
На заводе устанавливают лампы 60/55 H4 (код 1864761566):
Обратите внимание, что одна и та же лампочка используется для ближнего и дальнего света.
Быстрое сравнение
Philips X-treme Vision
Один из высочайших показателей яркости и невероятный комфорт в тёмное время суток.
Что нам больше всего нравится: белый яркий свет, увеличенная зона освещения.
Результаты тестов
Победитель теста Auto Express. По результатам измерений граница яркого светового пятна — в 75 метрах от автомобиля.
Philips LongLife EcoVision
Что нам больше всего нравится: по цвету близки к штатным лампам, работать должны дольше обычных лампочек.
Bosch Pure Light
Что нам больше всего нравится: недорогие, известный производитель.
Osram Original Line
Что нам больше всего нравится: недорогие, хороший срок службы, страна производства.
Какая лампа подойдёт для Рио с линзами (прожекторными фарами)?
Вместо обозначения типа цоколя «9005» производители чаще используют «HB3»: это такие же Г-образные лампочки. К сожалению, их выбор для Рио невелик.
Обратите внимание, что одна и та же лампочка используется для ближнего и дальнего света.
Быстрое сравнение: лучшие лампы ближнего и дальнего света для Рио с линзовой оптикой
Philips Vision
Что нам больше всего нравится: ярче, чем штатные лампы.
Обратите внимание, эти фары мощнее штатных на 5 Ватт. Менять их лучше парой.
Narva Standard
Что нам больше всего нравится: цена, заявленный срок службы.
Philips DiamondVision
Эти лампы разработаны для внедорожных условий и не обладают сертификацией ECE.
Для водителей, которые предпочитают чёткий белый свет.
Что нам больше всего нравится: издалека можно принять за ксенон.
Обратите внимание, эти фары мощнее штатных на 5 Ватт. Менять их лучше парой.
Сравнение цен на лампочки для линзовых фар

Как видно из гистограммы, Филипс ДаймондВижн — самые дорогие. Нарва и Филипс Вижн дешевле примерно на треть.
Анонс нового приложения от нашей команды
Мы только что запустили новое приложение для iPhone, в котором можно делиться реферальными ссылками и искать их среди контактов.
Что такое «реферальная ссылка»? Это когда вы рекомендуете друзьям, например, банковскую карту. Если знакомый оформит её по вашей ссылке, вы оба получите бонусы: до 750₽.
Не горит подсветка багажника приора | Хитрости Жизни
Вторая часть электрических схем автомобиля Киа Рио 3. В данном продолжении схемы систем электрооборудования, освещения всей машины и т.д.
Видео по замене лампы подсветки

Не Горит Ближний Свет Киа Рио 3 – Philips vision | ✨Мир света
- Перед работой отключают минусовую клемму аккумулятора.
- Через паз поддевают плафон отверткой, смещают его вниз, увеличивают зазор между кузовом и плафоном.
- Вытаскивают плафон.
- Выкручивают патрон с лампочкой.
- Вставляют новый элемент, проделывают обратную работу.
Контрольные лампы и световые индикаторы KIA Rio X | Rio X-line с 2017 | Издательство Монолит 9. Схема Kia Rio 3 — передние фары главного освещения:
Причина №1: Перегоревшая лампочка
Очень просто и элементарно, однако некоторые автовладельцы начинают поиск «неисправности» в глубинах электрики. Не надо – просто проверьте лампу. Можно просто посмотреть на нить, а можно и прозвонить тестером. Последний вариант гораздо точнее поможет определить перегоревшую лампочку – иногда сгорает не спираль, а контакт внутри цоколя и с виду все выглядит вполне исправно.
Вторая причина, по которой может не работать свет в салоне – сгоревший предохранитель. Практически всегда салонное освещение «делит» предохранитель с другими устройствами. Поэтому если вместе со светом перестали работать, например, часы или магнитола, то вероятность сгоревшего предохранителя крайне велика.
Найдите нужный предохранитель в соответствующем блоке и убедитесь в его целости. Если предохранитель все же сгорел, вероятно, для этого есть причина – короткое замыкание. Поэтому, не факт, что после вставки нового предохранителя все заработает. Вполне возможно, что он тут же сгорит. Если это произошло – замыкание точно есть. Нужно узнать, как найти короткое замыкание в автомобиле.
В то же время не всегда перегорание предохранителя происходит по причине «коротыша». Его перемычка может быть просто старой (уставшей) или сделанной из некачественного материала.

Замена лампы фонаря освещения номерного знака седана Kia Rio
- 11 и 14 — +12В появляется после включения главного реле (включения зажигания, открывания дверей). Питание пропадает через 2-5 минут после удаления ключа зажигания.
- 15 — «масса».
- 17 — «масса» (концевики дверей), которая появляется на некоторое время при открытии дверей.
Из «бюджетки» в «полный пакет»: Доработки водительской зоны KIA Rio своими руками Со временем в процессе эксплуатации подрулевой шлейф подушки безопасности водителя изнашивается и его дорожки.
Электрооборудование Kia Rio QB третьего поколения (2012)
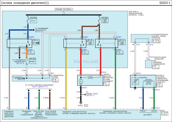
1. Схема системы охлаждения двигателя автомобиля:

4. Схема Kia Rio 2012 — дневные ходовые огни (DRL):
5. Электросхема системы обогрева стекол авто:
9. Схема Kia Rio 3 — передние фары главного освещения:
11. Принципиальная схема освещения автомобиля Киа Рио третьего поколения:
Как собрать подрулевой шлейф киа соренто
Не работает свет в салоне, часы, зуммер и индикатор открытой двери «Недостаточно просто воткнуть прикуриватель в питание, штатная розетка меньше прикуривателя в диаметре. Нужна ещё и специальная розетка, с термореле. Я купил прикуриватель от ВАЗовской классики в сборе и установил вместо одной из штатных розеток», — рассказал Игорь Курчатов с YouTube о создании удобства на своём KIA Rio 4.
