Ниссан Тиида не Горят Габариты Причина First generation
Описание предохранителей на автомобиль Nissan Tiida: расположение, схемы, цена
Схема установки предохранителей
| F (Ф-1) / 20 | Спидометр, тахометр, датчики |
| F (Ф-2) / 5 | Система курсовой стабилизации |
| F (Ф-3) / 10 | АБС (ABS) |
| F (Ф-4) / 10 | Резервация |
| F (Ф-5) / 20 | Резервация |
| F (Ф-6) / 30 | Подсветка вещевого ящика |
| F (Ф-7) / 30 | Вентилятор отопителя (печка) |
| F (Ф-8) / 20 | Система кондиционирования |
| F (Ф-9) / 10 | Топливная система, бензонасос |
| F (Ф-10) / 10 | Система безопасности |
| F (Ф-11) / 10 | Резервация |
| F (Ф-12) / 10 | Датчик силового агрегата |
| F (Ф-13) / 30 | Боковые зеркала |
| F (Ф-14) / 30 | Стоп сигналы |
| F (Ф-15) / 10 | Автомобильная розетка |
| F (Ф-16) / 15 | Дополнительная электрическая сеть |
| F (Ф-17) / 15 | Аварийка, поворотники |
| F (Ф-18) / 20 | Резервация |
| F (Ф-19) / 20 | Обогрев заднего стекла |
| F (Ф-20) / 20 | Кислородный датчик |
| F (Ф-21) / 20 | Резервация |
| F (Ф-22) / 20 | Стеклоподъемники |
| F (Ф-23) / 20 | Контролер трансмиссии автоматического типа |
| F (Ф-24) / 20 | Печной отопитель, прикуриватель, подсветка салона |
| F (Ф-25) / 15 | Резервация |
| F (Ф-26) / 15 | Резервация |
| F (Ф-27) / 20 | Резервация |
| F (Ф-28) / 15 | Автомобильный сигнал |
| F (Ф-29) / 15 | Центральный замок |
| F (Ф-30) / 20 | Резервация |
| F (Ф-31) / 15 | Система электрического питания |
| F (Ф-32) / 20 | Стеклоочистители лобового стекла |
| F (Ф-33) / 20 | Омыватели передних фар |
| F (Ф-34) / 20 | Омыватель заднего стекла |
| F (Ф-35) / 20 | Топливная аппаратура (дополнительно) |
Схема расположения реле – коммутаторов
Признаки неисправности предохранителей на Ниссан Тиида первого – второго поколений
- В месте дислокации защитных модулей слышен запах плавленой пластмассы;
- На приборной панели сигнализирует индикатор о наличии поломки в моторном отсеке;
- Оборудование не работает при подаче тока, переключении режимов скорости, частоты вращения;
- На монтажном блоке видны прострелы искры, что указывает на недостаточную фиксацию силовых кабелей.

| F (Ф-1) / 20 | Спидометр, тахометр, датчики |
| F (Ф-2) / 5 | Система курсовой стабилизации |
| F (Ф-3) / 10 | АБС (ABS) |
| F (Ф-4) / 10 | Резервация |
| F (Ф-5) / 20 | Резервация |
| F (Ф-6) / 30 | Подсветка вещевого ящика |
| F (Ф-7) / 30 | Вентилятор отопителя (печка) |
| F (Ф-8) / 20 | Система кондиционирования |
| F (Ф-9) / 10 | Топливная система, бензонасос |
| F (Ф-10) / 10 | Система безопасности |
| F (Ф-11) / 10 | Резервация |
| F (Ф-12) / 10 | Датчик силового агрегата |
| F (Ф-13) / 30 | Боковые зеркала |
| F (Ф-14) / 30 | Стоп сигналы |
| F (Ф-15) / 10 | Автомобильная розетка |
| F (Ф-16) / 15 | Дополнительная электрическая сеть |
| F (Ф-17) / 15 | Аварийка, поворотники |
| F (Ф-18) / 20 | Резервация |
| F (Ф-19) / 20 | Обогрев заднего стекла |
| F (Ф-20) / 20 | Кислородный датчик |
| F (Ф-21) / 20 | Резервация |
| F (Ф-22) / 20 | Стеклоподъемники |
| F (Ф-23) / 20 | Контролер трансмиссии автоматического типа |
| F (Ф-24) / 20 | Печной отопитель, прикуриватель, подсветка салона |
| F (Ф-25) / 15 | Резервация |
| F (Ф-26) / 15 | Резервация |
| F (Ф-27) / 20 | Резервация |
| F (Ф-28) / 15 | Автомобильный сигнал |
| F (Ф-29) / 15 | Центральный замок |
| F (Ф-30) / 20 | Резервация |
| F (Ф-31) / 15 | Система электрического питания |
| F (Ф-32) / 20 | Стеклоочистители лобового стекла |
| F (Ф-33) / 20 | Омыватели передних фар |
| F (Ф-34) / 20 | Омыватель заднего стекла |
| F (Ф-35) / 20 | Топливная аппаратура (дополнительно) |
Ниссан тиида не работает вентилятор печки — Про автозапчасти, неисправности и выбор автомобиля
- Помещаем техническое средство в периметр ремонтной зоны, фиксируем задний ряд колес противооткатными башмаками, выжимаем стояночный тормоз во избежание произвольного отката;
- Со стороны водителя открываем дверь, слева от рулевой колонки снимаем пластиковую крышку, под которой установлен монтажный блок;
- По обозначенному порядковому номеру находим неисправный предохранитель, извлекаем его пинцетом. На штатное место вставляем новый, закрываем крышку.
Предохранители и реле Ниссан Тиида
Безопасность движения при плохой видимости во время дождя или тумана обеспечивают противотуманки. Поэтому важно, чтобы они находились в рабочем состоянии. В статье рассматриваются ПТФ, особенности работы, дается инструкция, как выполняется замена противотуманной фары.
Распространенные неисправности туманок и способы их устранения
Основной причиной неисправности противотуманок являются окислительные и коррозийные процессы.
Причины, по которым не горят противотуманки, могут быть следующие:
- перегорел предохранитель;
- перегорели лампочки;
- нет контакта в реле;
- неисправна кнопка выключения;
- плохой контакт на массу кузова или самих ПТФ;
- неверное подключение;
- окисление контактов.
Для диагностики и устранения неполадок понадобится тестер и набор инструментов. Самой распространенной неисправностью электрооборудования является перегоревшие предохранители. Если они сгорели, их нужно поменять.
Если после устранения перечисленных причин не работают противотуманки, то, возможно, неисправна кнопка включения, которую легко заменить. Могут окислиться контакты, тогда их следует зачистить. Если не горят противотуманные фары после самостоятельного подключения возможно неверное соединение проводов.

Вариант 1
- Отрегулировать точно границу пучка света, излучаемого оптикой. Луч не должен светить выше указанной горизонтальной плоскости.
- Фонарь должен находиться на минимальном расстоянии от дорожного полотна. При таких условиях легче настроить точно границу пучка света.
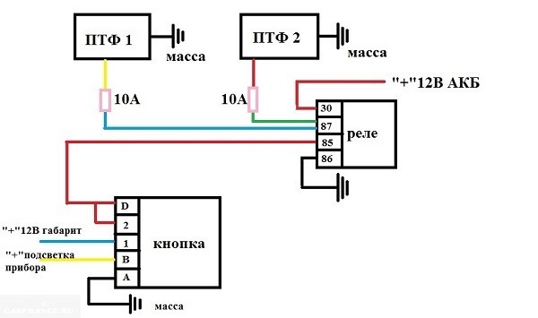
Дополнительный блок реле Был произведен монтаж ПТФ.
Инструменты, необходимые для монтажа (набор монтажника ПТФ Ниссан Тиида):
Что нужно знать до покупки противотуманок
Дополнительно для проведения установки ПТФ потребуются и другие запчасти, и принадлежности:
● кнопка или рычаг для размещения в салоне и последующего включения и отключения противотуманок;
● предохранитель с параметрами от 20 до 30 А;
Видео: Вынимаем туманку TIIDA

Заранее стоит подготовить и изучить несколько документов:
● техническая инструкция по подключению ПТФ;
● электрическая схема подключения по автомобилю Nissan Tiida.
Несмотря на то, что подключение ПТФ не составляет никаких сложностей, эту работу лучше доверить специалистам. Они точно смогут провести монтаж противотуманок быстро, качественно, не затронув важные механизмы транспорта.
Монтажный блок
Вариант 1 Инструкция по замене моторчика печки Процедура замены моторчика отопительной системы — также задача не из легких. Но если вы привыкли ремонтировать автомобиль своими руками, то трудностей она у вас не вызовет.
