Горит Постоянно Задний Ход Ваз 2107 – Проверка лампочек
Не Работают Фонари Заднего Хода Ваз 2107 Отсутствует масса
Фонарь заднего хода – это световой прибор, установленный на задней части автомобиля и срабатывающий при включении задней передачи. Любой фонарь заднего хода имеет две функции:
- Создание небольшого освещения дорожного полотна и встречных предметов при движении задним ходом в темное время суток. К примеру, во время парковки задним ходом ночью фонарь заднего хода – просто необходимая вещь. Она помогает лучше ориентироваться в темноте и уберегает нас от неприятностей на парковке или во дворе.
- Информативная функция. При включении задней скорости, фонарь загорается соответствующим светом (дневным), что информирует других участников движения о том, что вы планируете совершить движение задним ходом. Есть люди, у которых плохо развито зрительное восприятие, относительно уменьшения расстояния до предметов. Это значит, что вы можете начать движение задним ходом на человека, который этого совсем не заметит.
Таким образом, применение фонарей заднего хода целесообразно и вполне желательно, поэтому их нужно поддерживать в исправном и рабочем состоянии, а при их отсутствии – обязательно установить их.

Минусовые провода идут от штекеров задних фонарей (черный провод) и крепятся к кузову. Следует проверить на предмет окисления крепление проводов к кузову.
Датчик заднего хода ВАЗ 2107: где находится, как поменять Затем нужно снять соединительную колодку с проводами, делать это следует очень аккуратно беретесь за корпус соединителя и тянете в направлении от цоколя. Спрашивайте, я на связи!
Почему перегорает предохранитель на печку ваз 2107
- Работу необходимо проводить в сухом месте с хорошим освещением, идеальное решение – гараж, но можно делать это даже на улице, если погода позволяет, и нет атмосферных осадков.
- Никакой специальный инструмент не требуется, что является несомненным преимуществом данного вида работ.
Задние фонари ВАЗ 2107: схема подключения, неисправности, замена и ремонт, инструкции с видео и фото Не горит подсветка комбинаций приборов, габариты, ближний свет фар, корректор фар не работает, задние противотуманные фонари и вольтметр работает то 12 то 13 В. При включении заднего хода вольтметр сбрасывает показания до 10 В, а при выключении подсвети подскакивает до 12 В и далее до 13 В.
Порядок поиска неисправности
Наиболее часто выходят из строя лампы. Начинать лучше всего с них. Если они исправны, снимите с лягушки штекера и соедините их между собой. На штекерах должно быть 12.
Блок предохранителей ремонтируется только в специализированных мастерских. В данном случае могла перегореть дорожка платы.
Не горят стоп сигналы. Как найти неисправность.
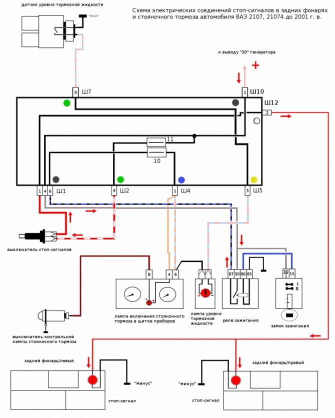
Крайне редко происходит обрыв провода стоп сигналов. Жгут проводки выходит из-под щитка приборов и идет по полу автомобиля под ковриком. Оба фонаря стоп сигналов соединены параллельно. Проверяем целостность провода от лягушки до фонарей. При необходимости заменяем отдельно взятый стоповый провод.
Читайте также: Комбинация приборов FLASH-X3 ВАЗ 2110-2112, 2113-2115, LADA 4×4 (с 2009 г.в.), Chevrolet NIVA

Не работают стоп сигналы, причины, как устранить поломку. Не работают стоп сигналы. Причины неполадок стоп-сигналов.
- 6 – монтажный блок предохранителей;
- 13 – концевик включения стоп-сигналов. Представляет собой нефиксируемую кнопку (возвращается в исходное положение после снятия усилия). Располагается непосредственно у педали тормоза. Когда педаль тормоза отпущена – контакты концевика разомкнуты, ток через него не проходит. Соответственно, при нажатии контакты замыкаются, обеспечивая протекание через лампы;
- 19 – лампы, загорающиеся при нажатии на педаль тормоза.
Не горят стоп сигналы на ваз 2107 — причины и способы решения Выключатель или датчик заднего хода активирует белый свет задней оптики, который сигнализирует о том, что авто движется назад. Датчик заднего хода Лачетти устанавливается только на моделях с механической коробкой передач. Для АКПП, которыми оснащаются пятидверных хэтчбеки и седаны Шевроле, используется групповой переключатель, который отслеживает положение селектора.
Характерные неисправности
Если не горят стоп сигналы, то это может быть сама лампа стоп сигнала плафона автомобиля. Одновременный выход ламп обоих плафонов редок, но и такая поломка встречается.
- Стоп сигналы на ваз 2107 могут отказать из за плохого соединения электрических разъемов автомобиля.
- Вышел из строя предохранитель.
- Вышла из строя лягушка тормоза.
- Проблемы лампы стоп сигнала.
Рекомендуем: Как улучшить свет фар на ВАЗ-2110 своими руками?
Лампа может перегореть по ряду причин. Это и длительный срок эксплуатации, и заводской брак, и грязь или вода, попавшие на цоколь.
Наиболее часто встречается такой заводской брак, как отсутствие соединения корпусного проводка лампы. В этом случае цоколь лампы часто начинает крутиться даже от незначительных усилий.

Иногда окисляется припой на цоколе. Эту проблему легко устранить, зачистив припой ножом или наждачной шкуркой.
Окисляется и плата плафона. В этом случае поверхность очищается стиральной резинкой до появления блеска.
В разных плафонах одновременно могут возникнуть разные неисправности. Это может произойти и одновременно!
Визуальный осмотр лампы может ничего не дать. Ее следует проверять прямым подключением к источнику +12.
Плохое соединение разъема. Задние фонари соединяются с электрической схемой разъемами. Именно здесь таится максимальное количество неприятностей.
Стопари могут не гореть от плохого соединения или от окисления платы. Снимите разъем и протрите плату стиральной резинкой до блеска.
Поломка может быть и в самом разъеме. Контакты разъема очень нежные. Они могут отойти или отгореть. Если они отошли, их немного приподнимают вверх иголкой. Если контакт отгорел, то либо замените его, либо замените весь разъем.
В блоке предохранителей есть разъем Ш12. Там тоже могут отойти контакты. Пошевелите его.
Неисправность лягушки. Лягушка расположена сверху педали тормоза. Проверить ее исправность очень просто. Снимите оба разъема с лягушки и соедините их между собой. Если стоп сигналы загорелись, значит ее необходимо заменить.
Лягушка крепится гайкой на штоке и контргайкой. Снимите фиксирующую пластмассовую гайку, снимите контргайку и выньте лягушку из кронштейна.
При установке лягушки добейтесь такого положения, чтобы стопари загорались при нажатии на педаль тормоза на 1,5-2 см. Обязательно устанавливайте защитную пластмассовую гайку штока. Это предохранит шток от выхода из строя.
Задние фонари ВАЗ 2107: замена платы и стекла, почему не работают стоп-сигналы, тюнинг и схема
Идеи тюнинга задних фар

Выгорели контакты переключателя скоростей вентилятора печки.
- Из строя вышел предохранитель F11(10А). Предохранитель состоит из плавкой вставки, которая перегорает при прохождении по цепи тока большой величины. Предохранитель рассчитан на соответствующую величину тока, поэтому его перегорание может быть связано с возникновением короткого замыкания или установкой ламп большой мощности.
- Замыкание в проводке или ее повреждение. Такая неисправность часто встречается после проведения работ в салоне или багажном отсеке.
- Окисление контактов. В месте соединения ламп с цоколем, или в месте подключения проводов к фарам со временем может сформироваться окисление, причинами которого является плохой контакт и попадание влаги внутрь блок фары задних фонарей.
- Перегорание ламп накаливания — лампы имеют свой ресурс, поэтому часто неработоспособность стоп-сигнала связана с их перегоранием.
- Неисправность жабки или лягушки — это датчик, который расположен в конструкции педали тормоза. Датчик замыкает контакт при нажатии педали тормоза, в результате чего загорается стоп-сигнал.
Проводка заднего хода ваз 2107 | Хитрости Жизни Частой проблемой на «классике» является образование окислов на контактах. Однако такая ситуация приводит к дополнительному падению напряжения, предохранитель вряд ли перегорит. Более вероятнее, он выйдет из строя из-за слабого контакта.
Основные причины неисправности стоп-сигналов
При нажатии на педаль тормоза могут быть следующие эффекты:
- Лампы стопа горят — неисправности нет, и автомобиль может продолжать эксплуатироваться.
- Не горят — требуется искать проблему. Причем сигнал о том, что не горят обе лампы на автомобиле, свидетельствует о необходимости проведения глобальной проверки, так как парно световые элементы перегорают в редких случаях.
- Горят наполовину — если горит только один стоп-сигнал, значит надо разобрать вторую фару и проверить исправность лампы. С большей вероятностью из строя вышел осветительный элемент(лампочка), и реже причиной может быть нарушение контакта.
Причинами неисправности стопа на ВАЗ 2107 являются:

- Из строя вышел предохранитель F11(10А). Предохранитель состоит из плавкой вставки, которая перегорает при прохождении по цепи тока большой величины. Предохранитель рассчитан на соответствующую величину тока, поэтому его перегорание может быть связано с возникновением короткого замыкания или установкой ламп большой мощности.
- Замыкание в проводке или ее повреждение. Такая неисправность часто встречается после проведения работ в салоне или багажном отсеке.
- Окисление контактов. В месте соединения ламп с цоколем, или в месте подключения проводов к фарам со временем может сформироваться окисление, причинами которого является плохой контакт и попадание влаги внутрь блок фары задних фонарей.
- Перегорание ламп накаливания — лампы имеют свой ресурс, поэтому часто неработоспособность стоп-сигнала связана с их перегоранием.
- Неисправность жабки или лягушки — это датчик, который расположен в конструкции педали тормоза. Датчик замыкает контакт при нажатии педали тормоза, в результате чего загорается стоп-сигнал.
Читайте также: Редукторный стартер на ВАЗ 2107: ставить или нет?
Это все виды неисправностей, которые связаны с неработоспособностью стопа на автомобиле ВАЗ 2107 и других автомобилей. Выявить поломку и устранить ее можно самостоятельно, не обращаясь к электрику. Для выявления поломки понадобится тестер или мультиметр. Более подробно о том, как найти и устранить неисправности стопа на ВАЗ 2107, рассмотрим подробно.
Отсутствует масса
Это интересно! Минусовой провод в месте соединения с кузовом может окислиться, поэтому необходимо убедиться в отсутствие окислов и коррозии. При наличии таковых понадобится наждачной бумагой очистить место соединения, и обработать его густой смазкой.
Перегорание лампы
Это интересно! Чтобы продлить срок службы излучающего источника и при этом снизить потребление электроэнергии, можно вместо галогенки вставить светодиодные лампы. Они служат дольше обычных, и потребляют в несколько раз меньше мощности, однако их недостаток в высокой стоимости.
Соскочили колодки проводов монтажном блоке, или в них окислились контакты
ПОЧЕМУ НЕ ГОРЯТ СТОП-СИГНАЛЫ?

Стоп-сигнал
- Сначала необходимо отключить зажигание, открыть капот и отсоединить клеммы от аккумуляторной батареи.
- Затем откройте багажник авто и демонтируйте защитную накладку на фаре, отсоедините крепление и отключите разъем с проводкой от контактов на плате. Будьте осторожны, чтобы не повредить их.
- Используя торцевой ключ на 8, необходимо выкрутить четыре гайки, которые фиксируют заднюю фару. Сделав это, под гайкам шпилек вы сможете увидеть наконечники кабеля массы.
- Далее, необходимо осторожно извлечь заднюю фару из посадочного места. Чтобы поменять рассеиватель, его нужно извлечь из корпуса оптики.
- Процедура установки и сборки оптических элементов производится в обратном порядке.
Конструктивные особенности В цепи стоп-сигнала установлен предохранитель F11, который, помимо этого, отвечает за работу внутреннего освещения кузова.
Стоп сигналы вернулись — что было сделано?
Сначала проверяем «лягушку» (фонари (контакты плат) уже проверены, если нет, проверить)

Фото не очень качественное, но для наглядности в самый раз.
На нее приходит плюс. Для начала просто замыкаем эти два контакта. Если сигналы загорелись выключатель под замену. Если нет проверяем наличие «плюса». Если нет, идем к монтажному блоку.
В блоке есть предохранитель f11 — отвечает за стоп сигналы и салонный свет. Бытует мнение если свет не горит, «умер» предохранитель. Умирает в основном от замыкания проводов «на массу» в районе дверных стоек. У меня стоял исправный предохранитель, поэтому я решил проверить, приходит ли плюс на блок.
НЕИСПРАВНОСТИ И ИХ УСТРАНЕНИЕ (ЗАДНИЕ И ПЕРЕДНИЕ ГАБАРИТЫ)
- Стоп сигналы на ваз 2107 могут отказать из за плохого соединения электрических разъемов автомобиля.
- Вышел из строя предохранитель.
- Вышла из строя лягушка тормоза.
- Проблемы лампы стоп сигнала.
Распространенные неполадки со стоп-огнями Итак, теперь нам необходим разобраться в каждом конкретном варианте подробнее, например, почему не горит левый задний габарит. Первая и самая логичная причина – просто вышел ресурс лампы, и она перегорела, также как это бывает с обычными домашними лампочками. Теперь ее нужно заменить, делается это аналогично во всех частях авто:
