Ауди 80 б3 не Горит Подсветка Номера – Ближний свет
Не горят габариты ауди 80 б4
Привет всем ауди 80 б3 1.6 не горят габариты на левой стороне, пред стоит хороший, что может быть? Куда рыть?
уверен что пред рабочий. каждая сторона запитана на отдельный пред. в обсуждения есть тема по предам. посмотри
artillery, да я знаю, преды новые ставил только что. Нифига
artillery, на правый ставил пред новый, работает, на левую сторону ставлю не работает
person, ещё может быть проблема в подрулевом переключателе.
upend198310, а что именно там могло полететь?
person, контакт может пропасть. Это надо его разбирать и смотреть. Нужно снять верхнюю крышку и смотреть там где ручка включения габаритов. Под ней стоит пластиночка с 4мя контактами. Возможна проблема в них. У меня сейчас похожая ситуация. Пропадает правый габарит. Когда шевелю ручку ВКЛ габаритов, то включается, но до первой кочки. Лезть туда пока лень(
person, но я сначала бы убедился что с проводкой нет косяков. Прозвонить провода легче чем подрулевой снять.

Добрый день, машина audi 80 b3 91г, проблема такая не горят габариты передние и задние, и не горит подсветка приборной панели и подсветка печки, часы горят. Заменил весь ряд предохранителей, заменил стрекозу с рабочей машины заменил приборку, проблема осталась, куда копать? проводку прозванивать остается…
Предохранители Ауди 80 Б3: расположение блока, схема и распиновка
Распиновка разъема магнитолы по цветам проводов
Приведенные таблицы является универсальными. На определенных моделях Audi 80 и Audi 90 могут отсутствовать некоторые узлы либо отдельные системы. Также возможно частичное несовпадение указанных предохранителей и номиналов с установленными предохранителями на Вашей машине. Сверяйте с Вашим описанием на задней стороне защитной крышки.
Расположение электронных блоков в салоне Ауди 80 90 Б3
В ауди 80 90 б3 есть два основных блока реле и предохранителей. Один находится в моторном отсеке, возле дворников. Второй под приборной панелью в салоне.

- Бортовой компьютер/ блок автоматической диагностики систем автомобиля;
- Электронный блок управления впрыском топлива или Электронный блок управления системы Motronic;
- Электронный блок управления кондиционером;
- Датчик положения (высоты) автомобиля над уровнем моря;
- Электронный блок управления зажиганием;
- Зуммер выключения автоматического режима работы коробки передач;
- Панель управления кондиционером;
- Реле питания электропривода сидений.
- Электронный блок управления электроприводом сидений;
- Дополнительный монтажный блок;
- Блок активации подушки безопасности;
- Подушка безопасности;
- Электронный блок управления автоматической коробки передач;
- Прерыватель аварийной световой сигнализации (указателей поворота);
- Контактные разъемы системы диагностики;
- Контактный разъем противотуманных фар.
Предохранители и реле Ауди 80 Б4: схемы блоков, где находятся
- Системы АБС.
- Сигнальная лампа ремней безопасности.
- Блок управления внутренним освещением.
- Блок реле муфты кондиционера.
- Стеклоочистителя и стеклоомывателя заднего стекла.
- Устройства контроля давления масла, блок управления переднего освещения, о поломке которого можно узнать, если это реле щелкает.
- Не используется.
- Не используется.
- Автоматической блокировки переключения передач (только для автомобилей с автоматической коробкой передач).
- —
- —
- Подогрев сидений.
- Подогрев водительского места.
- Люка на крыше автомобиля.
- ЭБУ люка и дверными стеклами с электроприводом.
- Аналогично.
- Сигнальных ламп противоугонной сигнализации.
- Электропривода дверных окон, люка на крыше с электроприводом, прерывателя цепи электропривода сидений.
Не горят габариты ауди 80 б4 Находится в блоке моторного отсека под номером 15 мощностью 25 Ампер. Реле поворотов в заводской комплектации отсутствует, подключение осуществляется автовладельцем самостоятельно. Его отсутствию или поломки свидетельствует жужжание.
Советы для автомобилистов

Согласно, настоящих Правил дорожного движения, на любом движущемся автомобиле, в том числе и ВАЗ-2114, должен быть включен свет фар, совместно с которым обязательно включаются и габаритные огни. Кроме того, они должны быть включены при остановке или стоянке автомобиля на дороге в тёмное время суток и условиях недостаточной видимости. Поэтому, они должны быть всегда исправны.
Ещё одной причиной, по которой не горит лампа габаритов, может стать отсутствие напряжения на соответствующих клеммах колодок задних фонарей или колодок передних фар. Тогда при помощи тестера придётся прозвонить соответствующие провода:
- не горит правый передний габарит (проверяем жёлтый провод от клеммы №4 фары, до клеммы №8, колодка Х6 монтажного блока);
- не горит правый задний габарит (проверяем жёлтый провод от колодки правого заднего фонаря до клеммы №9, колодки Х9 монтажного блока);
- не горит левый передний габарит (проверяем жёлто-чёрный провод от клеммы №4 фары, до клеммы №10, колодки Х6 монтажного блока);
- не горит левый задний габарит (проверяем жёлто-чёрный провод от колодки правого заднего фонаря до клеммы №17, колодки Х9 монтажного блока);
Цветная схема электрооборудования Audi (80 B4 и B3, 100 C3, A6 C4 и C5) с описанием проводки
Mitsubishi

Подключение
- поднимают крышку капота;
- отключают минусовую клемму аккумулятора;
- салонный блок скрывается крышкой с ручками, которые тянут на себя;
- откручивают винты, удерживающие рамку крепления;
- под рамкой откручивают 4 винта, держащих сам блок;
- открутив винты, снимают блок.
Распиновка для различных марок авто и магнитол Электрические схемы автомобиля – это графические изображения, на которых отображаются основные элементы электрики. На таких картах не показано настоящее расположение тех или иных деталей, однако в них представлена связь между компонентами.
Подключение
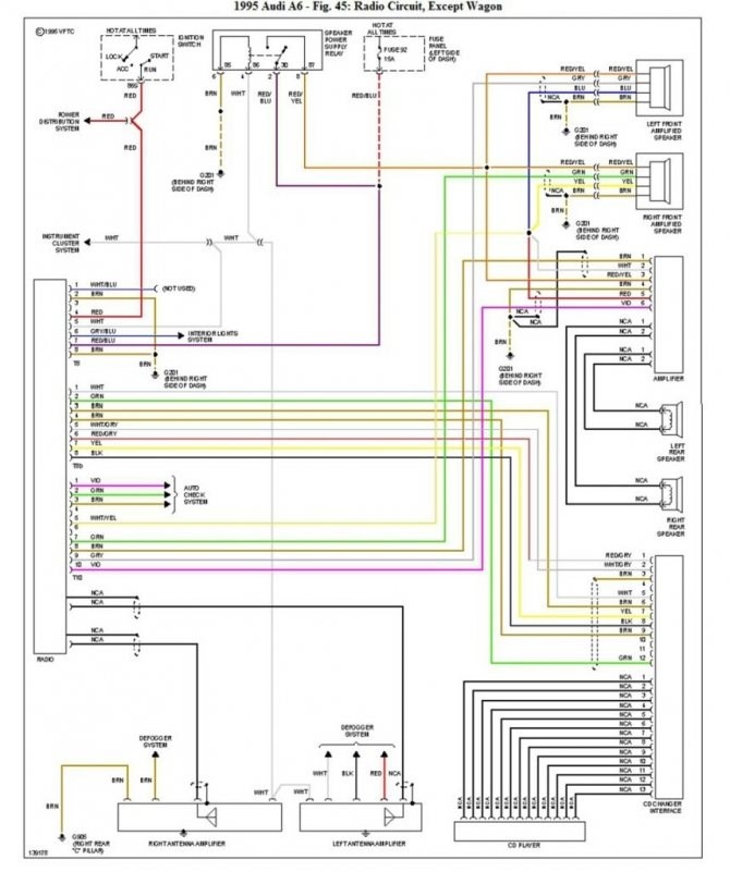
Типичная схема подключения головного устройства в автомобиле Ауди выглядит вот так:

Автомагнитола для Ауди А6 и других моделей и схема подключения
Распиновка
Что касается распиновки, то она выглядит следующим образом:
- На разъем 4 идет питание, если поворачивается ключ в ЗЗ в положение ACC;
- На 5 идет провод усилителя;
- Антенна или подсветка на 6;
- На 7 постоянное питание;
- На 8 – минусовой провод.
Примечание. Осуществив подключение магнитолы в Ауди по этой схеме, получим следующую картину: устройство будет включаться не только кнопкой, но и при повороте ключа в положение 1.
Что касается динамиков, то проводку надо соединять с ними так:
| Номер | Название |
| I | Реле противотуманного света фар |
| II | Реле вентилятора охлаждения двигателя |
| (высокая частота вращения) | |
| III | Реле включения вентилятора охлаждения |
| двигателя при неработающем двигателе | |
| IV | — |
| V | Разгрузочное реле |
| VI | Реле кондиционера |
| VII | Реле звукового сигнала |
| VIII | Реле автоматической коробки передач |
| IX | Реле прерывистого режима работы очистителя и омывателя ветрового стекла |
Предохранитель и реле генератора
- Он может оснащаться различными силовыми агрегатами;
- Иметь различную комплектацию, включающую в себя гидроусилитель руля и автоматическую коробку передач;
- Иметь многочисленные функции комфорта.
Таблица для моделей Audi 80, 90 до 1989 г. Такое реле в заводской комплектации не устанавливается.
Распиновка для различных марок авто и магнитол
Приступая к работе, ознакомьтесь с инструкцией к ресиверу, а также обратите внимание на маркировку и фишки самого изделия. На распиновку магнитол влияют штатные разъемы в разных автомобилях.
Схема распиновки iso разъемов к магнитолам pioneer
Подключение акустики этого хорошо известного, пользующегося популярностью у автомобилистов бренда, имеет некоторые особенности. Перед началом работы обязательно изучите руководство к установке. Монтаж прост, главное разобраться в назначении каждого цвета. Помимо инструкции в комплект входят две «фишки» с 4 парами контактов: для питания и акустики.
В распиновке штекера 10-20 выходов, функционал каждого разъема меняется зависимости от модели. Для серии KEH характерна следующая схема: № 1 — антенна, № 2 — зажигания, № 3-6 и 8-11 — усилители. Чтобы не запутаться внимательно изучите инструкцию.

Чтобы не сжечь акустику, перед подключением динамиков нужно подсоединить магнитолу, проверить, чтобы она светилась и переключалась.
toyota
Распиновку акустики этой марки осуществляют по стандартным схемам. Оптимально выбрать систему питания от АКБ, в этом случае нет риска его разрядки.
При подключении магнитолы используются стандартные схемы.
nissan
honda
Все модели автомобильных магнитол оборудованы универсальным европейским штекером для подключения к гнезду.
Стандартная европейская разводка выводов.
alpine
mitsubishi
Во всех моделях используется стандартная европейская распиновка акустической системы.
Реле контроля давления масла
Зажигание

Как снять блок предохранителей
- Первый – соединение в цоколе проводов двух цветов желтого и красного, включение/выключение ресивера не зависит от зажигания. Способ не удобен тем, что предрасполагает к разрядке АКБ, если не выключить акустику;
- Второй – провод подключают через замок зажигания, желтый – к бортовому компьютеру.
Реле контроля давления масла Читайте также: Самостоятельная замена радиатора печки ВАЗ 2114/15: как провести процедуру разными способами
Замена предохранителей на Ауди 80 Б3
Процедура замены предохранителя на Ауди 80 Б3 не отличается сложностью и состоит из следующих этапов:
- Двигатель выключают, капот поднимают, сам автомобиль обесточивают — для этого убирают минусовую клемму с аккумулятора.
- Скручивают шурупы с крышки блока предохранителей и снимают ее. Прежде чем заменять, следует посмотреть на обратную сторону крышки — там находится схема расположения.
- Пинцетом или плоскогубцами извлекают сгоревший предохранитель и заменяют его аналогом со строго таким же показателем.
Остается подсоединить ток и проверить, все ли устройства заработали.

| № реле на рисунке выше | Название |
| 1 | Реле ABS |
| 2 | Реле сигнализатора не пристегнутого ремня безопасности |
| 3 | Реле системы внутреннего освещения |
| 4 | Реле муфты кондиционера |
| 5 | |
| 6 | Реле фар головного освещения |
| 7 | — |
| 8 | — |
| 9 | — |
| 10 | — |
| 11 | — |
| 12 | Реле обратного тока (электроприводов сидений и зеркал заднего вида) |
| 13 | Реле обогревателя сиденья переднего пассажира |
| 14 | Реле обогревателя сиденья водителя |
| 15 16 | Реле электропривода люка и стеклоподъёмников |
| 17 | — |
| 18 | — |
Магнитола
- Небрежное отношение к расписанию планового техосмотра;
- Некачественный ремонт (недоделки, ремонт у самоучек или недостаточно квалифицированных автомехаников);
- Износ, механические повреждения;
- Повреждение изоляции электропроводки авто;
- Короткие замыкания;
- Окисление и попадание конденсата на платы;
- Отход контактов клемм.
Дальний свет Всем спасибо за помощь! Проблема найдена, вылетел желтый разъем под рулем у водителя в монтажном блоке, далеко я полез искать неисправность…
Расположение
Транспортные средства иностранного производства в большинстве своем оборудованы многими электроприборами, требующими защиты. Именно для этого используются блоки предохранителей — с целью защиты оборудования от перенапряжения. Автомобили Ауди 80 b3 или б4, как и другие иномарки, снабжены блоком с предохранителями и реле.

Блок можно найти в подкапотном пространстве. После открытия капота вы увидите блок предохранителей (далее — БП), который находится под лобовым стеклом. Он скрыт пластиковой крышкой, предназначенной для защиты от влаги и мусора.
В этом блоке предохранителей находится 31 деталь, защищающая цепи проводки. Также здесь находится четыре запасных компонента. Кроме того, в этом блоке предохранителей вы можете увидеть специальный разъем, который необходим для подключения тестера для диагностики бортового компьютера. Схема предохранителей и таблица их назначений приведена ниже.
Схема БП
Эта схема актуальна для автомобилей Ауди 80 b3 и б4.
| № реле на рисунке выше | Название |
| 1 | Реле ABS |
| 2 | Реле сигнализатора не пристегнутого ремня безопасности |
| 3 | |
| 4 | Реле муфты кондиционера |
| 5 | |
| 6 | Реле фар головного освещения |
| 7 | — |
| 8 | — |
| 9 | — |
| 10 | — |
| 11 | — |
| 12 | |
| 13 | |
| 14 | |
| 15 | Реле электропривода люка и стеклоподъёмников |
| 17 | — |
| 18 | — |
Причины выхода из строя предохранителей
- Бортовой компьютер/ блок автоматической диагностики систем автомобиля; управления впрыском топлива или Электронный блок управления системы Motronic;
- Электронный блок управления кондиционером;
- Датчик положения (высоты) автомобиля над уровнем моря;
- Электронный блок управления зажиганием;
- Зуммер выключения автоматического режима работы коробки передач;
- Панель управления кондиционером;
- Реле питания электропривода сидений.
- Электронный блок управления электроприводом сидений;
- Дополнительный монтажный блок;
- Блок активации подушки безопасности;
- Подушка безопасности;
- Электронный блок управления автоматической коробки передач;
- Прерыватель аварийной световой сигнализации (указателей поворота);
- Контактные разъемы системы диагностики;
- Контактный разъем противотуманных фар.
Вентилятор охлаждения У audi 80 до 91 года предохранитель топливного насоса находится под номером 13 в верхнем ряду, его номинал – 15 ампер. Всего в блоке находится 21 элемент (у моделей с дизельным двигателем из 22), также в монтажной схеме присутствуют дополнительные предохранители, используемые в зависимости от модификации и комплектации авто.
