Датчики впрыска: фаз и детонации для ВАЗ 2114

Чтобы обеспечить работу машины без сбоев, всегда следует следить за функционированием основных узлов системы впрыска и зажигания. В этой статье вы сможете ознакомиться с тем, что представляет собой датчик фаз (ДФ) и детонации (ДД) для автомобиля ВАЗ 2114 с двигателем 8 клапанов.
Что нужно знать о датчике фаз?
Итак, что такое датчик фаз ВАЗ 2114, как его найти и каковы его признаки неисправности?
Устройство и предназначение

Место установки ДФ
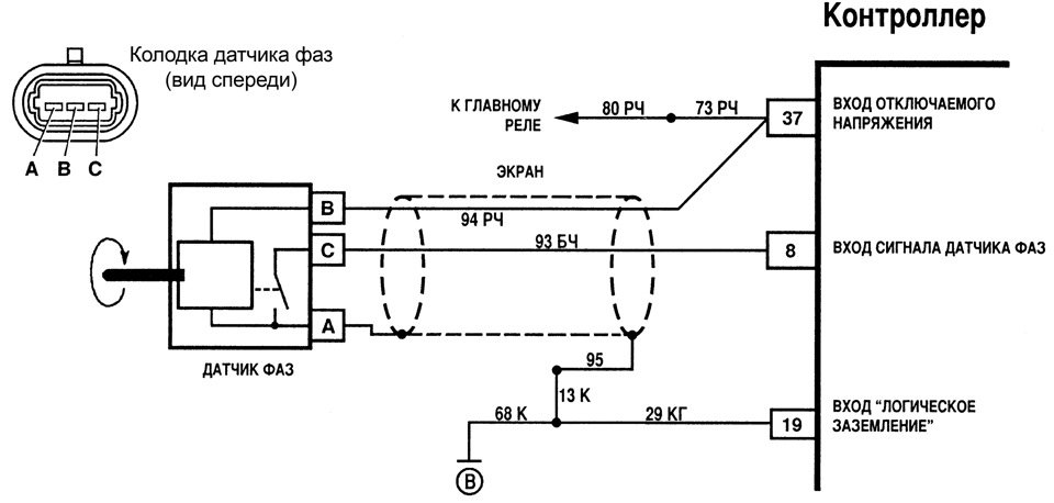
ДФ — это регулятор, необходимый для получения данных о функционировании двигателя транспортного средства и передачи этой информации на ЭБУ. Что касается конструкции, то ДФ состоит из чувствительного компонента, а также преобразователя импульса. Конструкция последнего, в свою очередь, включает в себя операционный усилитель, выходной каскад, а также мостовую схему.
Чувствительный компонент, расположенный внутри конструкции, функционирует по принципу регулятора Холла. Его предназначение заключается в передачи импульса в тот момент, когда рядом с микросхемой находится магнитопроводящий компонент. Что касается расположения датчика фаз ВАЗ, то он находится сбоку блока цилиндров, рядом с воздушным фильтрующим элементом.
Неисправности
Выявить поломку устройства можно по определенным признакам:
- повышенный расход бензина;
- сбои в работе самодиагностики машины;
- снижение динамики при разгоне авто;
- на контрольном щитке могут появиться ошибки 0343, 0340 или лампа Чек.
Лампочке Чек обычно появляется в том случае, если ДФ является неработоспособным.
Как правильно подключить ДФ
Проверка и замена
Чтобы произвести проверку на восьми-клапанном двигателе, необходимо выполнить следующие действия:
- На выводе мультиметра V1 необходимо выставить напряжение в 13.5 вольт, этот щуп подсоединяется к контакту Е. На втором выводе, который подключается к контакту В, нужно выставить напряжение 0.9 вольт.
- После замыкания контактов, к торцевой части регулятора следует поднести отвертку или стальную пластику. А том случае, если ДФ функционирует должным образом, на выходе В напряжение должно снизиться до 0.4 вольт. Если показания разнятся, то ДФ следует заменить (автор видео — В гараже у Сандро).
Что касается шестнадцати-клапанного мотора, то здесь принцип немного другой:
- Мультиметр устанавливается в режим работы V2, на выходе Е следует выставить напряжение в 13.5 вольт, а на В — 0.4 вольта.
- к корпусу ДФ опять подносим отвертку или пластину. Если ДФ работает нормально, то уровень напряжения возрастет до 0.9 вольт
Чтобы выполнить замену, нужно произвести следующие действия:
- Сначала нужно выключить АКБ, скинув с него клемму.
- С помощью ключа-трещотки на 10 открутите винт, крепящий устройство на блоке цилиндров. Отключите провода, которые подведены к ДФ.
- Извлеките ДФ и произведите его замену на новым. Не лишним будет очистить контакты колодки от грязи или окисления.
Что следует знать о датчике детонации?
Устройство и предназначение

Датчик детонации ВАЗ 2114
Датчик детонации ВАЗ 2114 является одним из основных компонентов, определяющих работу мотора. В основе конструкции устройства лежит пьезовый компонент. Когда на ДД возлагается нагрузка, он начинает вырабатывать электрический сигнал, передающийся на блок управления ДВС. Электроника агрегата фиксирует появления детонации, в результате чего изменяет угол зажигания. Таким образом, мотор авто защищается от различных повреждений механического типа.
Если вы не знаете, где находится датчик детонации на ВАЗ 2114, то просто откройте моторный отсек и загляните под ГБЦ, в частности, между третьим и вторым цилиндром. Детонационнный регулятор располагается прямо на блоке. Если ваш двигатель шестнадцати клапанный, то увидеть ДД будет сложнее, поскольку ГБЦ закрывает обзор.
Неисправности
Как понять, что ДД нуждается в проверке или замене:
- на приборной панели загорелся соответствующий индикатор;
- при разгоне авто имеется нехватка мощности;
- когда водитель жмет резко на газ, появляется звон (стук «пальчиков»);
- мотор может перегреваться.

Поступление сигнала ДД на контроллер
Причина зачастую кроется в использовании некачественного топлива.
Проверка и замена
Проверка может происходить как с применением тестера, так и омметра. При эксплуатации тестера прибор следует подключить к диагностическому разъему и произвести компьютерную диагностику. Что касается омметра, то вам необходимо измерить уровень напряжения между контактами ДД.
Итак, как проверить датчик детонации своими руками:
- На вольтметре необходимо выставить предел измерений в 200 мВ.
- К контактам датчика надо подключить щупы тестера.
- Далее, необходимо несильно постучать по корпусу регулятора отверткой или другим предметом. Когда вы стучите по корпусу, уровень напряжения должен вырасти до 20-40 мВ, здесь все зависит от силы удара. Если регулятор не реагирует, то необходимо будет осуществить его замену на работоспособный.
Что касается замены, то в этом, в принципе, ничего сложного нет.
Вам потребуется подготовить стандартный набор инструментом и выполнить следующие действия:
- Сначала заглушите двигатель и откройте капот.
- Далее, вам необходимо отсоединить штекер разъема на кабелях, которые питают детонационный датчик.
- С помощью гаечного ключа выкрутите гайку со шпилькой, если у вас двухконтактный регулятор. Если же вы используете резонансное устройство, то нужно демонтировать пьезодатчик.
- Контакты на штекерах также следует прочистить от грязи и окисления, в противном случае сигнал может поступать не точный. После прочистки просто установите новый ДД, подключив к нему провода.
