Не Горят Задние Габариты Фольксваген Пассат – Предохранители sa1-sa7
Реле и предохранители Volkswagen Passat B3: назначение
Стандартные предохранители Фольксвагена Пассата Б3 1992 года конструктивно отличаются от аналогов, монтируемых в других машинах. Здесь штатная система устанавливается только в салоне автомобиля. Небольшое количество защитных элементов позволяет до минимума сократить габариты модуля и упростить его конструкцию.
Подобное размещение актуально независимо от типа двигателя, будь то дизель или бензин. Также нет разницы в модификации кузова, седан и универсал комплектуются одинаково.
В Фольце Бэ 3 панель содержит реле и предохранители, ответственные за ЭБУ и работу вспомогательных систем вместе. Особенная конструкция блока не позволяет элементам контактировать.

Предохранители Фольксваген Пассат Б3 и реле: схемы блоков, распиновка, расположение
Распиновка предохранителей Пассат Б3

Почему не горят задние габаритные огни на «Весте» 🦈
- Изношенность проводки. Машины устаревшего типа часто эксплуатируются без должного ухода и контроля, что провоцирует растрескивание изоляции, окисление контактов.
- Попадание воды в контактные группы. Также причиной может стать конденсат.
- Подключение энергоемких потребителей, чья мощность выше номинала проводки.
Скрытые возможности | Passat B6 — все о пассатах — АвтоВызов В версии СС и других, распространенных модификациях смонтирован на позиции 21. В 2013 году на рынке появились усиленные версии, способные выдержать перегрузки, связанные с подключением дополнительных устройств.
Предохранители № 1-24:
2 (10 А) — подрулевые переключатели, стеклоомыватель. Если не работает омыватель лобового стекла, проверьте уровень жидкости в бычке омывателя, зимой проверьте не замёрзла ли жидкость в трубках системы и форсунках. Подайте питание от аккумулятора на помпу-насос, если не работает замените новым. Если работает, проверьте проводку, разъёмы, клеммы и правый подрулевой переключатель.
3 (5 А) — бензонасос, блок системы управления двигателем. Если топливный насос перестал качать бензин и не создаёт нужного давления в топливной системе для работы двигателя, проверьте кроме этого, предохранитель 36, силовой предохранитель SA3 и реле R4, R8. Если бензонасос при подключении напрямую к аккумулятору не работает или работает с перебоями, замените на новый.
Про Volkswagen: Фольксваген Поло в кредит купить новый Volkswagen Polo 2022-2022 в рассрочку в автосалоне, Москва

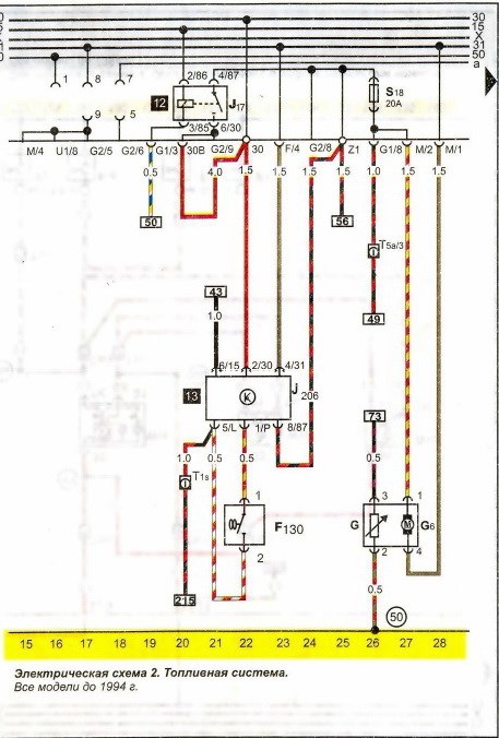
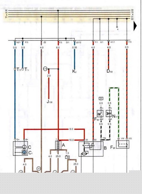
Схема электрооборудования автомобиля Volkswagen Passat (фольксваген пассат)
Не горит задний ход: самая частая причина, устраняем своими руками
рядом находятся фишки, а сам датчик ближе к правой стороне. на скорость фишка поменьше.
Как поменять задние габариты на «Весте»
Если у владельца «Лады Весты» не горят габариты, замену ламп можно произвести сзади, со стороны багажника. Рассмотрим подробно:
- Со стороны задних сидений имеется окошко, прикрытое обивкой. Ткань нужно отодвинуть.
- Сверху располагается лампа поворота, ниже – тормоз.
- Нащупать патрон лампы и повернуть ее против часовой стрелки.
- Установить новую лампочку стоп-габаритов (можно только в одном положении, патрон имеет специальные выступы). Лампу нужно чуть вдавить в патрон и повернуть по часовой стрелке.
- Вернуть патрон с лампой обратно в исходное положение.
Через заднюю крышку багажника можно поменять лампы указателя поворотов.
Если перестала гореть лампа на крышке багажника, нужно снять декоративную заслонку и произвести замену осветительного прибора.

Как снять блок предохранителей Пассат Б3
- Провернуть три пластиковые ручки, которые держат крышку.
- Снять справа фиксатор.
- Рассоединить аккуратно верхние детали и потянуть легонько вниз. Таким образом снять крышку.
- Заменить предохранитель F39, если не горят дневные ходовые огни.
- Заменить F42 и F44, если не включается ближний свет.
- Заменить F8, когда не срабатывает задний противотуманный габарит «Весты».
- Сгорела подсветка номера – поменять предохранитель F6.
- Заменить F16, если не срабатывает датчик сигнала торможения.
Предохранитель стартера и реле Пассат Б3: где находится Система зажигания и блок управления Digifant и датчик детонации.
Свежие записи
Дворники после каждого использования паркуются поочередно то выше то ниже на расстоянии примерно 1 см. Официально это сделано для уменьшения деформации резинки.

А так же эта функция сделана для того, чтоб резинки не примерзали на скопившемся под парковой зоной дворников наледи. При мокром снегопаде в пробке пользуясь дворниками рано или поздно под ними образуется «наледь».
На этой «наледи» и залипают дворники, если оставить машину на ночь, не подняв их. Загорается мигающим светом при включении левого указателя поворота синхронно с ним.
Загорается мигающим светом при включении правого указателя поворота синхронно с ним.
При включенном автоматическом управлении головным светом при выключенных ходовых огнях, горит контрольная лампа AUT0 в переключателе освещения. Если ходовые огни включаются через автоматическое управление, то включается освещение приборов и переключателей.
При движении по кривой благодаря наличию поворотных ксеноновых ламп обеспечивается лучшее освещение дорожного полотна, по сравнению с традиционными, жестко закрепленными, фарами.
Тогда вам следует включить головной свет переключателем света. Необходимо помнить, что управление головным светом — обязанность водителя. Автоматическое управление головным светом является лишь вспомогательным средством при управлении автомобилем.
При необходимости водителю следует самому управлять головным светом. Примечание В холодную или дождливую погоду рассеиватели фар могут изнутри временно запотеть: Управление функцией Leaving Home осуществляется датчиком освещенности.
Время послесвечения для функции Coming Home отсчитывается с момента закрывания последней двери или крышки багажного отсека автомобиля.
Освещение Coming Home выключается при следующих условиях: При разблокировании автомобиля, функция Leaving Home включается, если:
Расположение
Пассат Б3: реле регулятора напряжения Если это механическая трансмиссия, тогда выключатель будет устанавливаться непосредственно на корпус КПП. Когда включается задняя передача, кнопка выключателя зажимается, перемыкаются контакты лягушки, и ток следует на задние фонари.
Схема электрооборудования автомобиля Volkswagen Passat (фольксваген пассат)
Для удобства поиска в пределах страницы, фрагмента схемы, ниже представлены ссылки. Возврат на начало страницы, клавиши Ctrl+Home.
Генератор,аккумулятор, стартер, замок зажигания.

Указатели поворотов и аварийная сигнализация.
Указатели поворотов и задние фонари.
Подсветка номерного знака и переключатель освещения.
Противотуманные фары и фонарь заднего хода.
Обогреватель заднего стекла и звуковой сигнал.
Переключатель освещения, подсветка номерного знака, подогрев сопел омывателя ветрового стекла.
Противотуманные фары и фонарь заднего хода.(Двигатель 2E).
Вентиляторы радиатора и отопителя.(Двигатель 2E).
Обогреватель заднего стекла и звуковой сигнал.(Двигатель 2E).
Очиститель и омыватель заднего стекла.
Датчик минимального уровня охлаждающей жидкости.
Реле на фары
Предохранитель прикуривателя

Стеклоподъемники
Магнитола 22 (5 А) — климат-контроль, блокировка ключа в замке зажигания. Если при включении печки и выставлении горячей температуры, дует холодный воздух, скорее всего у вас низкий уровень антифриза в бачке или попал воздух в систему охлаждения.
Тема: Выключатель фонарей заднего хода (ремонт). Фотоотчет.
Опции темы
Поиск по теме
Phaeton Регистрация 14.04.2007 Адрес Беларусь, Могилев Возраст 35 Сообщений 4,311
на фото вид сверху коробки. стрелкой указан датчик заднего хода. в овале вывод на фишку д.з.х. датчик скорости находится около левого привода, если снять бачок о.ж. то к нему есть доступ.
сам датчик з.х. на машине увидеть проблемматично, и доступ к нему никакой. тут надо на ощупь к нему подбираться.
Знатный Перец Клуба VW Passat B5! Регистрация 09.11.2008 Адрес Россия, Брянск Возраст 38 Сообщений 5,453
получается они рядом находятся? или заднего хода получается справа — со стороны гофры? что то ни хрена там не нашел. а скорости под бачком на коробке- получается двухконтактный с такой пружинной скобой??
Phaeton Регистрация 14.04.2007 Адрес Беларусь, Могилев Возраст 35 Сообщений 4,311
рядом находятся фишки, а сам датчик ближе к правой стороне. на скорость фишка поменьше.
Знатный Перец Клуба VW Passat B5! Регистрация 09.11.2008 Адрес Россия, Брянск Возраст 38 Сообщений 5,453
вот спасибо хорошо! теперь вроде понятно все!
что торчит от коробки сразу виден из под бачка — то датчик скорости — а что фишка висит чуть выше на кронштейне каком то то это от зх! заря буду мучить автос. а то ни скорости ни задних фонарей!
Phaeton Регистрация 14.04.2007 Адрес Беларусь, Могилев Возраст 35 Сообщений 4,311
ты чтобы сразу не лезть в дебри сразу проверь. когда снимешь фишку з.х. замкни на ней контакты. фонари должны загорется. от результата уже сам поймешь куда лезть дальше. тоже самое и с датчиком скорости, только нужен помощник. контакты на фишке нужно периодически быстро замыкать-размыкать. при этом стрелка должна будет дергаться.
Знатный Перец Клуба VW Passat B5! Регистрация 09.11.2008 Адрес Россия, Брянск Возраст 38 Сообщений 5,453
Знатный Перец Клуба VW Passat B5! Регистрация 09.11.2008 Адрес Россия, Брянск Возраст 38 Сообщений 5,453
и так прошу ткнуть пальцем
ЗЫ: за качество фоток извиняюсь — поздно было с фонариком и на телефон!
правильно ли я понял — красным это фишка зх?
а какой из 1 или 2 датчик скорости?
и вот это зеленым что за датчик?
похож на дтож но стоит не там и провода от него идут какие то стремные — как самопал!
Phaeton Регистрация 14.04.2007 Адрес Беларусь, Могилев Возраст 35 Сообщений 4,311
и так прошу ткнуть пальцем
ЗЫ: за качество фоток извиняюсь — поздно было с фонариком и на телефон!
правильно ли я понял — красным это фишка зх?
а какой из 1 или 2 датчик скорости?
2- датчик скорости, 1- фишка заднего хода. В кружке так что то
Знатный Перец Клуба VW Passat B5! Регистрация 09.11.2008 Адрес Россия, Брянск Возраст 38 Сообщений 5,453

Реле дальнего света
Почему на Пассате часто перегорают предохранители

Возможные причины
Тема: Выключатель фонарей заднего хода (ремонт). Фотоотчет. SA5 (25 А) — антиблокировка тормозов ABS. См. пред. 9 в салонном блоке.
Проверка работоспособности датчика
Заменить предохранитель не составит большого труда. А вот проверить состояние всей проводки, прозвонить ее и при необходимости заменить, задача уже куда более сложная.
Если говорить о восстановлении работоспособности ламп заднего хода своими руками, то тут в основном приходится иметь дело с выключателем.
Для его проверки необходимо сделать следующее:
- снять фишку выключателя задних ламп;
- включить зажигание;
- с помощью отрезка проводки замкнуть контакты датчика и задней передачи между собой.
Если при этом фонарь загорелся, тогда причина кроется непосредственно в концевом выключателе.

В этой ситуации самым простым и логичным решением будет заменить полностью неисправный датчик. Ведь на многих автомобилях его замена нецелесообразная, слишком сложная и фактически бесполезная. Не всегда удается восстановить работоспособность устройства. Хотя есть ряд примеров, когда датчик просто разбирали, зачищали контакты, и все возвращалось в нормальный режим работы.
Насколько долго проработает восстановленный выключатель, говорить очень сложно. Это могут быть долгие годы, либо же буквально несколько дней.
Если с лягушкой все в порядке, тогда придется прозванивать цепь и искать участок, где пропадает напряжение. Для этих целей потребуется воспользоваться контрольной лампочкой, либо же мультиметром. Задача не для новичков, поскольку речь идет об электросхемах и работе с электрикой автомобиля. Тут многим будет выгоднее и безопаснее обратиться к профильным специалистам.
Где расположен предохранитель габаритов
- Неисправность датчика . Он же выключатель заднего хода, концевик или лягушка. Этот контроллер достаточно надежный и долговечный. Но все равно исключать вероятность его поломки нельзя. Особенно, если в машину приходился удар сзади, разбивалась фара и менялись фонари;
- Сгоревшая лампочка . А может все до безобразия банально. Лампочка со временем израсходовала свой ресурс, а потому уже не работает. Ее придется заменить;
- Предохранитель . Также сигнал может пропасть, если перегорит отвечающий за эти фонари датчик. Это плавкая вставка, которая выгорает при превышении допустимого напряжения. Поскольку этот предохранитель отвечает сразу за несколько приборов в большинстве авто, параллельно с задним ходом могут не гореть и другие лампы, подсветка приборной панели и пр.;
- Обрыв в электроцепи . Тут могут обломаться пины, перетереться провода и не только;
- Окислы и коррозия . Образуются в местах, где соединяются контакты цепи, ведущей к задним фонарям;
- Контакт массы . Если масса плохая, задний ход может не функционировать. Это также одна из причин, почему не горят стоп-сигналы на автомобиле.
Предохранители № 25-60:
вот спасибо хорошо! теперь вроде понятно все!
что торчит от коробки сразу виден из под бачка — то датчик скорости — а что фишка висит чуть выше на кронштейне каком то то это от зх! заря буду мучить автос. а то ни скорости ни задних фонарей!
