Горит Стоп на Панели Приборов Тойота… Неисправности генератора
При нажатии педали тормоза загорается есп
Почему горит лампа ESP?
Если горит лампа ESP, значит система не работает. Иных причин не бывает, разве что водитель сам отключил систему стабилизации кнопкой (есть на многих машинах с этой системой). Иначе причину нужно искать.
В остальном ESP это огромное количество датчиков. Во-первых, система использует сенсоры ABS для понимания скорости движения колес, во-вторых, снимает положение руля, педалей и угловую скорость автомобиля, в-третьих, через специальные датчики и исполнительные механизмы может вмешиваться в работу двигателя и трансмиссии, выбирая оптимальный режим работы.
Если какой-то из датчиков не работает или работает как-то не так, то система полностью выключается. Дело может быть и в механической поломке, и в перебитом проводе и неадекватных значениях. Например, сбой ESP может вызвать установка запасного колеса другой размерности. Такое колесо вращается с другой скоростью и все – система сходит с ума и отключается.
Не стоит забывать и про низкое напряжение в сети, при недостатке электропитания все электронные блоки отключатся.
Ремонт
Одним из вариантом будет самостоятельная диагностика с помощью диагностического сканера Rokodil ScanX.
Данный мультимарочный сканер хорошо справляется с диагностикой ESP и ABS, как и всего автомобиля в целом. Также устройство обладает функцией стоп-кадр, что поможет выяснить рабочие параметры автомобиля в момент обнаружения неисправности, если лампа ESP горит не постоянно.
Ситуация с ремонтом ESP примерно такая же, как и с ABS – на скорость, как говорится, не влияет, и вроде бы можно ездить, но все равно лучше держать эту систему в исправности.

Почему не горят стоп сигналы: как быстро найти и устранить причину
- датчике уровня жидкости;
- датчике включения сигнала ручника;
- лампах стоп-сигнала;
- датчиках степени износа тормозных колодок.
Горит лампочка Airbag, причины, способы устранения неисправностей Система может реагировать на не пристёгнутый ремень.
Почему загорается табло STOP в комбинации приборов ВАЗ 2108, 2109, 21099?
Причин загорания табло STOP всего три. Их просто определить визуально. так как вместе с табло будет гореть лампа-сигнализатор неисправности той системы в которой возникла проблема.
1. Неисправна стояночная тормозная система автомобиля («ручник»).
Если водитель поднял ручник, подвижный контакт (кнопка) «лягушки» освобождается и прижимается к неподвижному. Соединение с «массой» восстанавливается. Электрическая цепь включения лампы-сигнализатора замыкается. В комбинации приборов красным цветом загорается значок (Р) и табло STOP, предупреждая водителя о том, что ручник поднят, колеса заблокированы и ехать на автомобиле нельзя.
Если табло STOP и лампа-сигнализатор стояночного тормоза горят при опущенном вниз рычаге ручника или моргают, скорее всего неисправен концевик («лягушка») или провод от нее к комбинации где-то касается «массы». Поэтому, необходимо убедиться, что на самом деле колеса расторможены и ехать дальше, несмотря на загоревшееся табло STOP.

Схема подключения «лягушки» (концевого выключателя) лампы-сигнализатора включения ручного стояночного тормоза — ручника на автомобиле ВАЗ 21093 (21083, 21099) с высокой панелью приборов
2. Низкий уровень тормозной жидкости в бачке на главном тормозном цилиндре.
Водитель сразу понимает, что тормозная жидкость по каким-то причинам уходит из системы (возможно произошел разрыв или повреждение трубок, разгерметизация колесных тормозных цилиндров ) и тормоза работать не будут или будут, но плохо.
В такой ситуации следует прекратить движение и разобраться с проблемой. В ряде случаев все оказывается не так страшно, так как уровень может упасть сам собой из-за испарения тормозной жидкости или износе накладок тормозных колодок при котором тормозная жидкость из бачков ушла в колесные тормозные цилиндры так как в них сильно выдвинулись поршни и появилось больше места.
Если с тормозной жидкостью все в порядке, а табло горит, стоит проверить сам датчик или его электрическую цепь датчика на предмет замыкания на массу.
Схема подключения датчика уровня тормозной жидкости
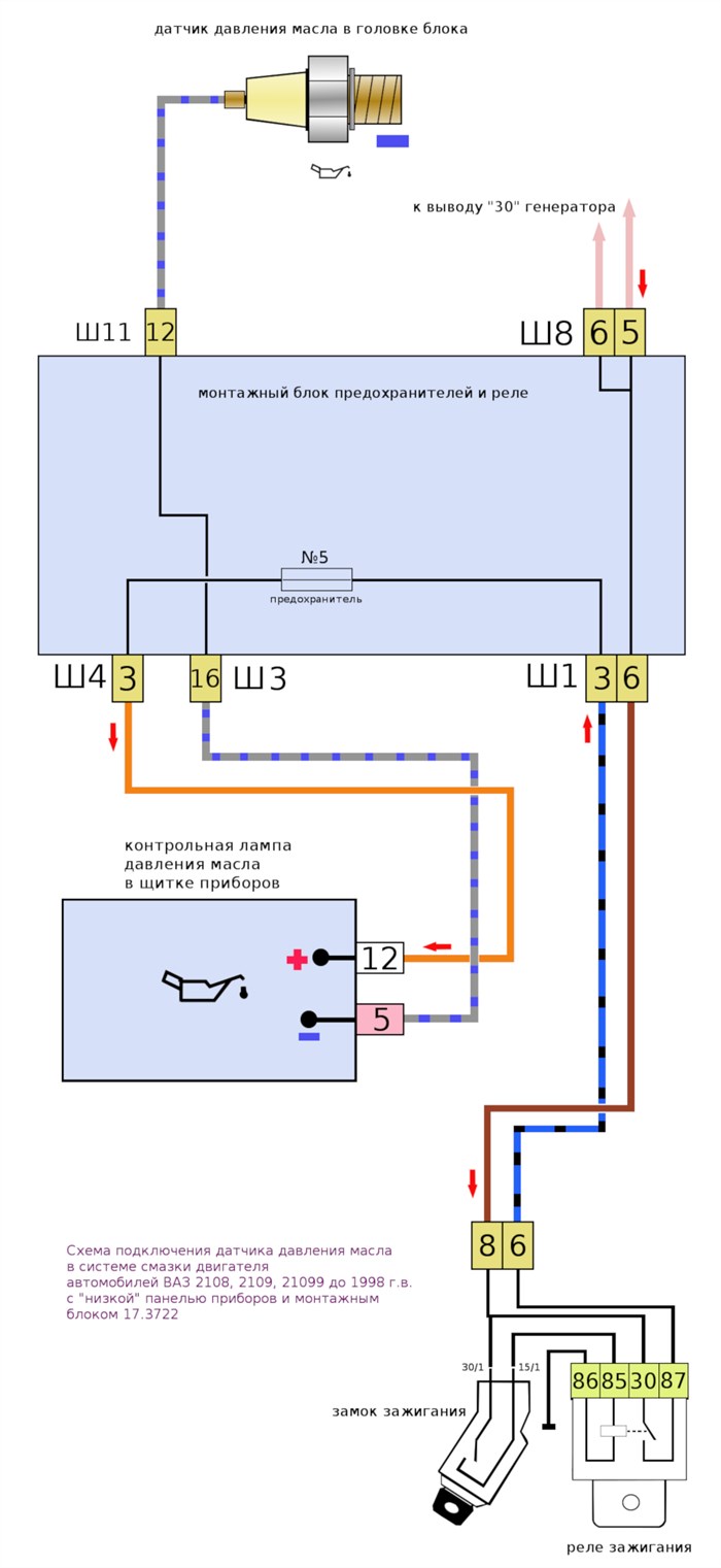
3. Упало давление масла в двигателе.
Если сильно упало давление масла в двигателе в комбинации приборов автомобиля загорится красным цветом сигнализатор в виде масленки и табло STOP.
Причиной их срабатывания может быть утечка масла через пробитый поддон или потекший сальник, либо проворачивание вкладыша на коленчатом валу или банальное замыкание на массу провода датчика.
Почему загорается STOP в комбинации приборов ВАЗ 2108, 2109?
При нажатии педали тормоза загорается есп Если просадки между выводом В+ и положительной клеммой АКБ нет, а разница между замерами напряжения с аккумулятора и непосредственно с генератора есть, осмотрите качество соединения минусового вывода аккумулятора с кузовом и двигателем.
Паразитное сопротивление
Чтобы сразу исключить паразитное сопротивление, аналогичные измерения проводят непосредственно с генератора. Для этого один из щупов мультиметра следует приставить к выводу B+ генератора. Разница в 0.1-0.2 В между измерениями на генераторе и АКБ считаются нормой. В случае большего перепада надо понять, потеря происходит на плюсовом выводе или в контакте генератора с массой.
Приложите один из щупов к плюсовой клемме АКБ, а второй к выводу B+ генератора (мультиметр остается в режиме измерения постоянного напряжения). Если показания тестера превышают 0.1-0.2 В, просадка происходит в плюсовой цепи от генератора к АКБ. Осмотрите целостность провода и клеммы крепления его к генератору, аккумулятору.
На многих авто постоянный + от батареи к генератору имеет разветвление, уходящее к стартеру. Чаще всего в этом месте и происходит просадка напряжения.
Если просадки между выводом В+ и положительной клеммой АКБ нет, а разница между замерами напряжения с аккумулятора и непосредственно с генератора есть, осмотрите качество соединения минусового вывода аккумулятора с кузовом и двигателем.

Загорелась лампа зарядки аккумулятора: причины, диагностика, как устранить
- Переведите тестер в режим измерения постоянного тока (-V).
- Подключите диагностические щупы в разъемы COM (общий минусовой вывод) и VQmA.
- Щуп, подключенный к выводу COM, приложите к минусовой клемме АКБ, а второй к плюсовой.
Расшифровка ошибок приборной панели ФОЛЬКСВАГЕН: обозначения на приборной панели ———- Добавлено в 19:41 ———- Предыдущее написано было в 19:37 ———-
Канистра 20 литров для бензина: какую лучше купить
Еще один момент. При проверке патронов также стоит взять новые лампочки. Случается так, что из-за окисления патрона выходит из строя сам осветительный прибор. То есть фактически возникает 2 неисправности одновременно.

Проблемы со включателем
Стоп-сигнал на машине загорается в тот момент, когда автомобилист выжимает педаль тормоза ногой, сидя за рулем. При таком нажатии усилие передается на специальный механизм. В народе он получил название лягушка. Он же концевик и он же классический включатель тормозных фонарей.
Чек скользкая дорога, как называется и что означает на Мазда 6, Тойота рав 4, Тойота Хайлендер, Шевроле Орландо, Опель Мокка, Шевроле Круз
- Возникли проблемы с плавкими предохранителем. Он окислился или полностью вышел из строя;
- Есть неисправности в самих лампах или одной лампе, в зависимости от того, сколько стопов не работает;
- Причина кроется в механизме, ответственном за включение предупредительного сигнала при нажатии тормоза;
- В гнезде, куда устанавливается лампочка стопа, окислились контакты;
- Появились более серьезные проблемы, связанные с повреждением проводки.
РАВ 4: кнопки на панели Читайте также: Замена задних тормозных колодок, обслуживание направляющих тормозного суппорта на Toyota Corolla E120
Основные причины загорания лампочки подушки безопасности
Одной из причин неисправности может быть повреждение тканевых мешков.
Произойти это может по самым разным причинам, но при самодиагностике, когда производиться проверка всех элементов, входящих в систему, датчики могут среагировать на состояние подушек.
Исправить все это можно только заменой мешков и сбросом настроек ЭБУ, чтобы ошибка стерлась из его памяти.

Если авто эксплуатировалось более 10 лет без попадания в ДТП, при котором сработали бы подушки, то они уже считаются с истекшим сроком, что может сказаться на их работоспособности.
При этом система будет сигнализировать о проблемах с системой. Устранить данную неисправность можно только полной заменой системы.
Виной горящей лампы «AirBag» может стать недостаточное напряжение в бортовой сети из-за разряженного АКБ.
Из-за этого полноценная самодиагностика не может быть проведена, и возникнет ошибка в ее работе. Устраняется это путем зарядки АКБ и сбросом настроек.
Не стоит забывать и о предохранителях. Если перегорел предохранитель, отвечающий за AirBag, то в любом случае это станет причиной горения сигнальной лампы.
Проводка системы тоже может стать причиной появления ошибки.
Нарушение целостности проводки, окисление контактов, обрыв провода обеспечит нарушение диагностики с последующей сигнализацией об этом. Решается неисправность проверкой проводки и контактов.
Система может реагировать на не пристёгнутый ремень.
Здесь сказывается совместная работа подушек с ремнем безопасности. Если он не пристегнут, блок управления AirBag будет сигнализировать об ошибке, причем в случае ДТП подушки не сработают.
А все потому что изготовители авто часто программируют систему так, чтобы при не пристегнутых ремнях, она не срабатывала.
Часто для устранения достаточно защелкнуть ремень в замке.
Поскольку в замках ремней установлены датчики, контролирующие пристегнутость ремня, то они тоже могут стать причиной загорания сигнальной лампы.
Если в замок попала вода – это может привести к их поломке, и как следствие – загорание «AirBag».
Также вода может стать причиной неисправности, если она попала на другие элементы системы, которые могут от нее стать неисправными. Здесь поможет только диагностика датчиков на работоспособность.
Отключение датчиков удара или их повреждение тоже может стать причиной неисправности системы. Поэтому при возникновении проблем, их тоже нужно осмотреть и проверить на работоспособность.
Конструкция и принцип работы
- Если повторная диагностика показала, что система исправна, код ошибки, который блок управления передал на ЭБУ при первичной проверку, удалиться и система придет в штатное положение.
- Но если при повторной диагностике ошибка будет обнаружена, код ее запишется снова на ЭБУ, при этом лампа уже не погаснет, она будет гореть или мигать постоянно.
Предписывающие индикаторные лампы Чаще всего лампа зарядки мигает в случае неисправности диодного моста, нарушении места пайки обмоток статора и выводов моста (нередко в таком случае лампочка тухнет после нажатия педали газа). Помимо поломки генератора, мигание и тусклое свечение индикатора отсутствия зарядки могут вызвать:
Предписывающие индикаторные лампы

Если этот индикатор горит, проверьте, что ручной тормоз не включен. Если он применяется, снимите его и продолжайте движение.
Если он не включен или индикатор продолжает гореть, проверьте уровень тормозной жидкости. Если он находится на неправильном уровне, долейте его до нужного уровня.
Если индикатор продолжает гореть, обратитесь в сервисный центр.
Если этот индикатор загорается, аккуратно подъезжайте в автосервис и диагностируйте и устраняйте неисправность. Проблемы с этими системами могут не повлиять на работу автомобиля, но очень важны для вашей безопасности.
Если вы можете запустить двигатель, когда этот индикатор горит, обратитесь к специалисту по ремонту, так как есть проблемы с электрическими компонентами автомобиля. Избегайте использования избыточного электрического оборудования, чтобы не разрядить аккумулятор. Если вы не можете запустить двигатель, обратитесь в службу поддержки на дорогах.
Если этот индикатор горит красным, не выключайте двигатель, так как он может не включиться снова. Если индикатор горит красным или желтым, обратитесь к специалисту по ремонту, чтобы диагностировать и устранить проблему.
Если этот индикатор горит красным, обратитесь к специалисту по ремонту. Если он горит желтым, то неисправность менее серьезна, и вы можете самостоятельно доехать до сервиса для проверки системы,при этом двигайтесь осторожно.
Проверяем механическую составляющую
Загорание табло STOP в комбинации приборов автомобилей ВАЗ 2108, 2109, 21099 как с «низкой» так и с «высокой» панелью свидетельствует о возникновении критических неисправностей.
Что делать, если горит лампа тормозов на панели приборов?

Как проверить зарядку?
- Красная подсветка указывает на проблему, требующую немедленного решения.
- Оранжевая подсветка чаще указывает на менее серьезную проблему, например, требуется обслуживание транспортного средства.
- Другие цвета символов, такие как синий и зеленый, дают водителю дополнительную информацию. Мигающие сигнальные огни информируют водителя о неотложной проблеме.
Как работает система контроля напряжения? А проблемы с электрической частью возникают в:
