Ваз 2110 При Включении Зажигания Горят Все Лампочки. Схема работы
Причины
Существует множество причин, когда при включении зажигания не горит аккумулятор, но следует выделить несколько основных. Каждому автовладельцу необходимо научиться, самостоятельно диагностировать (устранять) неполадку.
Проверка, почему не горит индикатор проходит методом исключения. Когда причина найдена – необходимо немедленно её устранить, чтобы ситуация не ухудшилась, и не привела к серьёзным поломкам.
Лампочка
На автомобилях старого образца перегорание индикатора означало, что генератор прекращал подачу заряда, и автомобиль «питался» только от аккумулятора.
Если причина заключается в перегоревшей лампочке – необходима оперативная замена (рекомендуется возить в багажнике запасную), чтобы не последовало более серьёзных последствий.
Предохранитель
Неисправность может заключаться в предохранителе. В таком случае работать не будет целый ряд оборудования, зависящего от перегоревшего элемента. Найти предохранители можно в специальном коробе, расположенном под капотом автомобиля. В большинстве автомобилей представляет собой небольшой чёрный ящик.
Проверка производится двумя способами:
Решением служит замена сломавшегося элемента.
- Мультиметр – прибором проверяются предохранители, методом проверки «ножек». У исправного предохранителя напряжение есть в обоих концах.
Решение проблемы заключается в замене сломанного устройства на новое.
Если неисправность вовремя не устранить — это может привести к замыканию некоторых устройств в автомобиле или короткому замыканию.
Аккумулятор
Одной из причин, почему не загорается индикатор АКБ при включённом зажигании, может быть разряженная батарея. Если автовладелец знает причину разряда (не выключенные фары, работающая магнитола) — причины для беспокойства отсутствуют. Решается проблема обыкновенной зарядкой аккумулятора.
Если причина разряда неизвестна, то это может указывать на серьёзную поломку – генератор не заряжает АКБ. Ездить на одной, не заряжающейся батарее недопустимо, и необходимо ехать в автосервис или самостоятельно устранять неисправность.
Устраняется поломка ремонтом или заменой генератора автомобиля. Если, после ремонта, индикатор горит – автомобиль готов к работе.
Ответом на вопрос «почему не горит индикатор батареи» может быть обрыв или неполадки в электрической цепи. Поломку следует отнести к опасной категории. Необходимо сразу обнаружить и ликвидировать неисправность.
Способов, методов обнаружения и решений несколько:
- Нарушение целостности цепи – необходимо мультиметром проверить элементы цепи, найти неисправный участок, и заменить.
- Контакты – проблема с индикатором появляется «через раз». Происходит из-за окисления контактов аккумулятора.
Решение проблемы – прочистить контакты, защитить их от дальнейшего окисления специальной, пластичной смазкой.

Горит лампа аккумулятора ваз 2110 инжектор причины — Все о Лада Гранта
Где находится датчик заднего хода ваз 2110

Ваш ВАЗ 2110 не заводится? Ищем причину
Кнопки на панели ваз 2110 обозначение Аккумулятор автомобильный рассчитан на постоянную подзарядку и не является полностью независимым компонентом электроцепи.
Причины по которым горит лампочка зарядки аккумулятора
На самом деле причин того, что загорелась лампочка аккумулятора и не гаснет существует множество. К ним можно отнести:
- Ослабление натяжения ремня на генератор, его износ или повреждение;
- перегорание предохранитель или ухудшение качества контакта в разъемах монтажного блока;
- поломка реле-регулятора, диодного моста, дополнительных диодов;
- появление обрыва в цепи возбуждения генератора;
- снижение качества контакта на клеммах АКБ или выводе генератора;
- износ щеток генератора ;
- отсутствие качественного контакта провода массы.
Что делать если горит лампочка зарядки аккумулятора?
В первую очередь выйдите из машины и на работающем двигателе производите замер напряжения на клеммах АКБ (зажимы ни в коем случае не снимайте).
Если зарядка идет, то напряжение должно быть на уровне 13.6-14,2 Вольт. При отсутствии заряда уровень напряжения будет намного ниже – около 12 Вольт.
Чтобы устранить проблему подготовьте следующие инструменты:
- контрольную лампочку на двенадцать Вольт,
- две отвертки (с плоским и крестообразным жалом),
- мультиметр,
- пассатижи,
- ножик,
- для зачистки контактов используйте наждачную бумагу.
1. Показания бортового вольтметра свидетельствуют о наличии заряда, сигнальная лампа заряда на приборной панели не горит, на клеммах аккумулятора около 12 Вольт, а сам АКБ почти разряжен.
В такой ситуации зачистите места соединений проводов на самом источнике питания. Если эти мероприятия оказались бесполезны, измерьте уровень напряжения на клемме «30» самого генератора.
Одним щупом мультиметра садитесь на эту клемму, а другим – на «массу». Если здесь напряжение намного выше, чем на АКБ, тогда зачищайте тридцатую клемму. При необходимости замените провод, идущий от генератора до аккумулятора.
2. Вольтметр на приборной панели и лампа показывают наличие заряда, но АКБ разрядился.
Напряжение на аккумуляторе при этом нормальное (около 14 Вольт). Включение нагрузки (к примеру, фар) приводит к смещению стрелки заряда в крайнее левое положение.
Основная причина – слабое натяжение ремня на шкиве генератора ( натяните ремень , а в случае его повреждения – замените).
К такой проблеме может привести и пробой одного из диодов, а также обрыв фазной обмотки статора. Отключите зажигание и проверьте диоды мультиметром. В случае пробоя замените их.
Проверьте щетки генератора. Для этого достаньте их и измерьте длину. Если она меньше пяти миллиметров, то щетки лучше заменить.
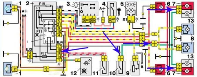
3. При повороте ключа в замке зажигания сигнальная лампа заряда не горит, датчик заряда не срабатывает, зарядки на АКБ нет. Причина – перегорание предохранителя.
Его обозначение – F10, номинал – 10 Ампер. В случае если установка нового предохранителя не дала результатов, то причину нужно искать в реле зажигания или самом замке.

Тускло горит лампа зарядки аккумулятора на ВАЗ 2110: причины, что делать?
- Не следует сразу демонтировать генератор, это напрасно. Проведите диагностику в щеточном отсеке на генераторе. При наличии визуальных дефектов или залипаний, замените на новые, протестируйте авто. Если не удалось устранить причину, переходите к следующему этапу;
- Диодный мост: он не подлежит частичной замене или профилактике, только полная замена. Параллельно просмотрите, нет ли прогорания в месте его крепления, так как может коротить на обмотку в роторе. См. статью «Как проверить диодный мост»;
- Проблемы с реле: возможно на него не поступает ток в следствии окисления контактов. Необходимо аккуратно отсоединить контакты и зачистить наждачной бумагой мелкой фракции или треугольным напильником. С помощью вольтметра проверьте выходное напряжение на генераторе, предварительно сбросив плюсовую клемму. Стандартное напряжение должно быть 14,2–14,3 В. Если окажется напряжение меньше нормы, тогда необходимо разбирать генератор и искать поломку в обмотке ротора и статора;
Зависает лампочка заднего хода ВАЗ 2110: причины и устранение неисправности Если у вас появились проблемы с зарядкой АКБ (не гаснет сигнальная лампа или не загорается вовсе), то проверяйте все версии.
Итак, причины, по которым горит лампочка аккумулятора
Первое, что нужно понимать, это то, что причина не обязательно связана с неисправностью генератора или его плохой производительностью, на деле причина может оказаться весьма банальной, легкоустранимой. Однако не стоит исключать и более печальных сценариев.
- Предохранитель
. В случае F16 или плохом контакте (окисление, перегорание, и т. д.). Данный предохранитель связан и с другими индикаторами панели приборов, поэтому в случае проблем с этим предохранителем, гореть будут и другие лампочки.
- Обрыв «ноля»
. Разрыв в цепи «нулевого» провода приведет к перебоям питания комбинации приборов.
- Клеммы аккумулятора
. Проверьте состояние клемм, качество контакта, а также то, нет ли окисления на клеммах. Из-за таких «мелочей» вполне возможны проблемы с зарядкой батареи и как результат появление на панели соответствующего индикатора.
- Замок зажигания
. Неисправность замка зажигания, а точнее износ выключателя зажигания, нередко становится причиной непрерывного горения лампочки АКБ. Однако в данном случае индикатор аккумулятора тоже будет гореть не один.
- Масса
. Плохой контакт провода массы может привести к тому, что на панели загорится лампочка АКБ. Проверьте состояние контакта, в случае обнаружения проблем устраните их.

Датчик заднего хода
Форсунка

Горит лампа аккумулятора – о чем это говорит
- Ситуация пятая— после включения зажигания горит лампа АКБ, и после запуска мотора не гаснет, зарядка при этом, либо прерывистая, либо ее нет вообще. Причиной такого поведения может быть плохой контакт провода с разъемом на приборной панели.
Где искать причину? Вооружись тестером и прозвони лампы фонарей заднего хода. Если они неисправны, замени, и, скорее всего, вопрос можно будет закрыть. Если же лампы исправны, то проблема в другом. Установи лампы на место, но фонари ВАЗа пока не собирай: возможно, в них еще придется залезть.
Полезные рекомендации
Чтобы ваш автомобиль не испытывал проблем с зарядкой батареи, воспользуйтесь следующими советами:
- Не игнорируйте сигналы приборной панели автомобиля. В таком случае вы сможете решить проблему на начальной стадии ее развития.
- Регулярно осматривайте ремень генератора. От него напрямую зависит правильная работа всей электрики на борту. При наличии дефектов как можно скорее проводите его замену.
- Проверяйте напряжение от генератора на аккумулятор. Если заметили несоответствие – диагностируйте бортовую сеть.
- Периодически обращайте внимание на состояние клемм АКБ. Если заметили окисление – устраняйте этот дефект. Их можно обработать при помощи WD-40.
- Изолируйте генератор и аккумулятор от попадания воды, чтобы не случилось короткого замыкания. Мойку двигателя доверяйте профессионалам.
- В ремонте схемы зарядки аккумулятора не используйте дешевые запчасти.

Непрогретый мотор не заводится
- При повороте ключа в замке зажигания сигнальная лампа заряда не горит, датчик заряда не срабатывает, зарядки на АКБ нет. Причина – перегорание предохранителя.
Проверка бензонасоса и подача топлива Что же делать, если ВАЗ 2110 холодная плохо заводится? Если при этом стартер крутит, аккумулятор исправен, но запуск все равно не происходит, то необходимо обратить внимание на свечи зажигания.
Подсветка кнопок панели ВАЗ 2110
Перед нами обнажился механизм выключателя. Наша цель — черная скоба, поддеваем её отверткой и механизм рассыпается. Так мы получаем возможность свободно вынуть лампу, например пинцетом с изолентой на его концах для лучшего сцепления с лампой. Или же между 6 и 7 контактом есть маленькое отверстие в которое пролезет иголка, чтобы выдавить лампу
Теперь всё зависит от вашей фантазии и средств. К примеру можно купить готовую светодиодную лампу любого цвета. Я же использовал собственную конструкцию (первый опыт пайки smd компонентов =) ). В случае светодиодов, учтите, что «+» это контакт №6, а «-» соответственно №7 (смотрим на тыльную часть корпуса, куда вставляется колодка с проводами).

Причины
Возбуждение генератора

Скандинавский свет на вазе 2110 Включая средний свет из рук генератора
Оборвались провода питания фонарей Второй вариант – плохой контакт в разъеме. Если после зачистки результата нет, то существует риск перегорания самой лампы.
