Lambda Gen 200 75 md 3p400 Ошибки. Адрес и контакты
#11 СЕЙЧАС НА ФОРУМЕ Misha190E
4 мига — это, наверное, и есть расходомер. Его теперь только менять?
13 мигов — так и не понял, что такое. В одном источнике указано на 130 ошибку как на неисправный Потенциометр. Это вообще что-такое?
для начала сотри оба кода, далее заведи, покатайся по городу и опять потести на предмет ошибок.
вот расшифорвка — как видишь один медленный код может скрывать под собой 1-3 реальных кода ошибки
Система HFM
Код вспышки – медленный код, считанный светодиодом
Код прибора – код ошибки, считанный при помощи компьютера
Сообщение отредактировал Misha190E: 05 Май 2008 — 09:45
НЕ отвечаю на сообщения в Л.С. по теме ремонта автомобилей!
E240, 07/2000, М112 2.6 722.6 11/2008. 08/2022
W201, 10/89, 102.962, KE3.5, 4МКПП 11/1999. 01/2010

Новые модели программируемых источников питания производства TDK-Lambda — Control Engineering Russia
Блог АйДи | Как запустить и настроить частотный преобразователь — инструкция для чайников Рис. 1. Расшифровка расширенных наименований источников питания серии Genesys 3U
Источники питания семейства Genesys™ от компании TDK-Lambda
Компания “ПРИСТ” предлагает источники питания семейства Genesys™ от производителя TDK-Lambda. Источники семейства Genesys™ представляют собой программно-управляемые источники питания (ИП), позволяющих гибко применять их в различных индустриальных и лабораторных системах. ИП выпускаются в 4-х линейках моделей с разнообразной конфигурацией выходных параметров:
- до 750 Вт (Uвых в диапазоне 7,5 … 600 В и ток до 100 А) в корпусе 1U (1/2 размера 19”)
- 750 Вт…2,4 кВт (Uвых в диапазоне 6 … 600 В и ток до 240 А) в корпусе 1U (19”)
- до 5,1 кВт (Uвых в диапазоне 8 … 600 В и ток до 600 А) в корпусе 2U (19”)
- до 15 кВт (Uвых в диапазоне 7,5 … 600 В и ток до 1000 А) в корпусе 3U (19”).
I. Источники питания до 750 Вт
- Линейка источников: GEN-H с вых. мощностями до 750 Вт (12 моделей)
- Диапазоны выходных напряжений: 0…6 В; 0…8 В; 0…12,5 В; 0…20 В; 0…30 В; 0…40 В; 0…60 В; 0…80 В; 0…100 В; 0…150 В; 0…300 В; 0…600 В
- Коэффициент мощности 0,99 (активный корректор коэф. мощности на входе)
- Встроенные интерфейсы RS-232/RS-485 (опционально интерфейс GPIB, LAN)
- Регулирование выходного напряжения аналоговым сигналом (опциональный вход (0-5 В/0-10В или 4-20 мА))
- Универсальный вход питания: диапазон изменения напряжения сети ~85…265 В/ частота 47…63 Гц
- Габаритные размеры: модели GEN-H 436×214×43,6 мм
- Калибровка под управлением ПО
- Высота 1U
II. Источники питания 750…2400 Вт
- Линейка источников: Gen-с вых. мощностями в диапазоне 600… 2400 Вт (37 моделей)
- Номиналы выходных напряжений: 0…6 В; 0…8 В; 0…12,5 В; 0…16; В 0…20 В; 0…30 В; 0…40 В; 0…60 В; 0…80 В; 0…100 В; 0…150 В; 0…300 В; 0…600 В
- Параллельная работа до 4 устройств с активным распределением тока нагрузки
- Дистанционное включение/выключение
- Программные драйверы для LabView® и LabWindows®
- Защита от перегрузки по току, перенапряжения и перегрева
- Коэффициент мощности 0,99 (активный корректор коэф. мощности на входе)
- Встроенные интерфейсы RS-232/RS-485 (опционально интерфейс GPIB, LAN)
- Регулирование выходного напряжения аналоговым сигналом (опциональный вход (0-5 В/0-10В или 4-20 мА))
- Универсальный вход питания: диапазон изменения напряжения сети ~85…265 В/ частота 47…63 Гц
- Габаритные размеры: модели GEN 436×422×43,6 мм
- Калибровка под управлением ПО
- Высота 1U
III. Источники питания до 3300Вт / до 5000 Вт
- Линейка источников (24 модели): с вых. мощностями в диапазоне до 3300 Вт и до 5000 Вт
- Номиналы выходных напряжений: 0…8 В; 0…10 В; 0…15; 0…16; В 0…20 В; 0…30 В; 0…40 В; 0…60 В; 0…80 В; 0…100 В; 0…150 В; 0…300 В; 0…600 В
- Параллельная работа до 4 устройств с активным распределением тока нагрузки
- Дистанционное включение/выключение
- Программные драйверы для LabView® и LabWindows®
- Защита от перегрузки по току, перенапряжения и перегрева
- Коэффициент мощности 0,99 (активный корректор коэф. мощности на входе)
- Встроенные интерфейсы RS-232/RS-485 (опционально интерфейс GPIB, LAN)
- Регулирование выходного напряжения аналоговым сигналом (опциональный вход 0-5 В/0-10В или 4-20 мА)
- Универсальный вход питания: напряжение сети ~85…265 В/ частота 47…63 Гц
- Габаритные размеры: модели GEN 436×422×43,6 мм
- Калибровка под управлением ПО
- Высота 2U

Источники питания семейства Genesys™ от компании TDK-Lambda — ПриСТ
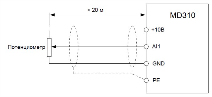
Коды ошибок частотных преобразователей Danfoss У нас задача не самая сложная. Для управления шлифовальной машиной достаточно кнопок «Пуск», «Стоп», переключателя «Вперед – Назад» и переменного резистора для изменения скорости вращения, его ещё называют потенциометром.
