Как устроен основной источник электроэнергии автомобиля — генератор?

Нормальная работа любого автомобиля зависит не только от состояния мотора и КПП, но и от функционирования многих других составляющих. Одним из таковых компонентов считается генераторное устройство, использующееся для заряда АКБ и питания всех потребителей авто во время движения. Что являет собой диодный мост узла, какой принцип функционирования генератора и какова его схема подключения — узнайте в этой статье.
Привод и крепление
Для начала уделим внимание составляющим и принципиальной схеме узла. Привод конструкции осуществляется от шкива коленвала посредством эксплуатации ременной передачи. Чем больше будет шкив генератора по размерам, тем больше оборотов сможет он выдавать. Соответственно, это означает, что агрегат сможет осуществлять передачу большего тока для потребителей.
В большей части современных машин шкив генератора, как правило, вращается под воздействием поликлиновых ремней. Такие ремешки характеризуются большей гибкостью, а благодаря их эксплуатации генераторный узел может быть оснащен шкивом с меньшим размером. Сама натяжка таким ремешком производится при помощи натяжных роликов, эта процедура производится с отключенным узлом.

Схема конструкции с обозначением компонентов
Основные составляющие конструкции?
Какое устройство и принцип работы генератора автомобиля? Узнав о конструкции, вы сможете понять, как собрать генератор своими руками.
Итак, из чего состоит генератор:
- Как мы уже сообщили, основной составляющей конструкции автомобильного генератора является его шкив. Этот компонент необходим для осуществления передачи механической энергии от силового агрегата к валу механизма в результате эксплуатации ремешка.
- Корпус агрегата, где находится общая схема генератора. Непосредственно оболочка состоит из двух частей. Одна крышка генератора вмонтирована рядом с валом и считается передней. Еще одна крышка генератора расположена со стороны контактных колец. И одна, и вторая крышка генератора предназначены для фиксации статора, монтажа устройства на силовом агрегате. Помимо этого, крышка генератора дает возможность поставить подшипниковые элементы ротора. Сзади можно увидеть выпрямительный узел, щетки, устройство регулятора напряжения, а также разъем генератора для соединения с электросетью.
- Ротор — это компонент, представляющий железный вал с монтированными на нем двумя железными втулками. Следует отметить, что между данными втулками находится обмотка возбуждения, к разъемам которой подсоединены контактные кольца генератора. Что касается именно колец, то эти узлы обычно оснащаются медными кольцами цилиндрической формы.
- Статорный механизм представляет собой пакет, собранный из железных листов в виде трубы. В пазах этого компонента системы находится трехфазная обмотка и именно в ней происходит выработка мощности узла.
- Диодный мост генератора. По факту в любом устройстве, даже собранном своими силами, диодный мост генератора является одним из главных элементов. Диодный мост генератора необходим для соединения в одном месте шести диодов, которые, в свою очередь, поделены на два теплоотвода — плюс и минус.
- Устройство регулятора напряжения или таблетка генератора. Этот компонент необходимо для поддержания оптимального уровня напряжения в электросети транспортного средства в определенных пределах. Регулятор должен производить регулировку при изменении уровня электронагрузки, частоты вращения роторного механизма, а также температуры воздуха за бортом.
- Щеточный механизм представляет собой узел пластиковой конструкции. В этом узле находятся специальные пружинные щетки, которые непосредственно контактируют с кольцами роторного устройства.
- Крышка диодного механизма.
- Крепление генератора. Кронштейн генератора позволяет надежно зафиксировать узел.
- Продольная дифференциальная защита генератора, предназначена для защиты механизма от возможных замыканий в обмотке статора (автор видео — D Style Audio .Студия Автозвука).
Принцип работы
Теперь рассмотрим принцип функционирования узла. Когда водитель начинает поворачивать ключ в замке для запуска двигателя, на обмотку осуществляется подача напряжения, этому способствуют щетки механизма и его контактные кольца. В обмотке устройства образуется магнитное поле, а роторный механизм начинает движение при воздействии коленвала. При этом в обмотках статора также образовывается магнитное поле ротора.
В результате этого на выводах обмоток появляется напряжение. А когда достигается нужная частота вращения коленвала, обмотка начинает питаться от генераторного узла. Иными словами, механизм начинает работать в режиме самовозбуждения. При этом переменное напряжение, образованное на выводах обмоток, начинает преобразовываться в постоянное, этому способствует работы выпрямительного блока.
В данном состоянии узел осуществляет обеспечение бортовой сети необходимым уровнем напряжения. Это напряжение необходимо для нормальной работы потребителей энергии, а также аккумулятора (автор видео о работе узла — Ваня Ваничкин).
Что касается регулятора напряжения, то он начинает работать тогда, когда изменяется нагрузка, а также частота вращения коленвала. Этот элемент осуществляет регулировку времени для активации обмотки возбуждения. Время активации устройства может быть снижено, когда снижается внешняя нагрузка и увеличивается частота вращения шкива механизма. Соответственно, время включения обмотки увеличится, когда возрастет нагрузка на бортовую сеть и повысится частота вращения коленвала.
В том случае, если потребителей энергии будет больше и напряжение увеличит возможности генераторного узла, в работу вступает аккумулятор, который компенсирует недостаток напряжения. Чтобы водитель всегда мог знать о неисправностях устройства, на приборной панели есть соответствующая лампочка в виде аккумулятора — если она горит при запущенном двигателе, нужно проверить АКБ или сам механизм.
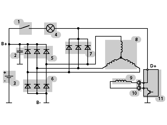
Схема

Схема подключения с обозначением элементов
Выше представлена схема, основные ее элементы:
- Выключатель зажигания.
- Конденсатор для подавления помех импульсов.
- АКБ.
- Индикатор, свидетельствующий о поломке узла.
- Плюсовые диоды выпрямительного блока.
- Минусовые диоды этого же элемента.
- Диоды обмотки.
- Обмотки трех фаз статорного устройства.
- Ротор.
- Щетки узла.
- Реле регулятор.
- Положительный вывод механизма В+.
- Отрицательный вывод В-.
Заключение
По своей конструкции это достаточно сложный механизм, поэтому если вы столкнулись с его неработоспособностью, несколько раз подумайте — стоит ли его ремонтировать своими руками. Если в процессе ремонта будут допущены ошибки, это может отрицательно отразиться на функционировании агрегата в целом. Иногда лучше доверить эту процедуру специалисту. На нашем ресурсе есть несколько статей касательно ремонта механизма, вы можете найти их в этом разделе. С процедурой ремонта на примере автомобиля ВАЗ 2110 вы можете ознакомиться здесь.
Извините, в настоящее время нет доступных опросов.Видео «Как правильно снять крышку устройства»
Как снимается крышка генератора — подробная инструкция на примере автомобиля Лада Калина приведена на видео ниже (автор — канал RasH19).

