Renault 77 00 424 533 Динамик Blaupunkt • Круглосуточная техподдержка
Расшифровка значков на приборной панели автомобиля
Красные значки говорят об опасности, и если загорается какое-либо обозначение таким цветом, стоит обратить внимание на сигнал бортового компьютера, чтобы предпринять меры по быстрому устранению неисправности. Иногда они не столь критичны, и продолжать движение автомобиля, когда горит такой значок на панели, можно, а иногда не стоит.
Желтые индикаторы предупреждают о неисправности или необходимости произвести какие-то действия по управлению автомобилем, или его сервисном обслуживании.
Зеленые лампочки обозначений информируют о сервисных функциях автомобиля и их активности.
Представим список наиболее часто возникающих вопросов и расшифровку, что означает горящий значок на панели.
Значок машины может гореть разный, бывает, что горит значок «машина с гаечным ключом», значок «машины с замком» или восклицательным знаком. Обо всех этих обозначениях по порядку:
Когда горит такой индикатор (машина с ключом), то он информирует о неисправностях в работе двигателя (зачастую сбой в работе какого либо датчика) или же электронной части трансмиссии. Чтобы выяснить точную причину потребуется производить диагностику.
Загорелась красная машина с замком, значит, возникли проблемы в работе штатной противоугонной системы и завести машину будет невозможно, но если этот значок моргает, когда машина стоит закрытая, то все в норме – автомобиль под замком.
Желтый индикатор машины с восклицательным знаком уведомляет водителя автомобиля с гибридным двигателем о неисправности электропривода. Сброс ошибки скидыванием клеммы АКБ проблему не решит — нужна диагностика.
Значок открытой двери все привыкли видеть горящим, когда открыта какая-то дверь или крышка багажника, но вот если все двери закрыты, а лампочка с одной или четырьмя дверцами продолжает светить, то зачастую проблему стоит искать в концевиках дверей (контакты провода).
Значок гаечного ключа выскакивает на табло, когда приходит пора произвести техническое обслуживание автомобиля. Является информационным индикатором и после ТО его сбрасывают.

Обзор магнитол Blaupunkt (Блаупункт): описание, модели, инструкция по эксплуатации и установке
Каталог прошивок радиоэлектронной аппаратуры | Недорогое устройство, имеющее небольшой функционал. Есть возможность прослушивания MP3 файлов и дисков CD. Есть фронтальный порт USB. Девайс оснащен радио-тюнером FM/AM. Поддерживает радиоданные RDS, способен запомнить до 25 радиостанций. Может воспроизводить информацию почти со всех современных носителей.
Renault 77 00 424 533 Динамик Blaupunkt
Сортировать файлы в разделе Car Audio/BLAUPUNKT по
Дате · Названию · Рейтингу · Комментариям · Загрузкам · Просмотрам
Страницы: « 1 2 3 4 »
Категория: Car Audio / BLAUPUNKT | Просмотров: 986 | Добавил: 2m2c | Дата: 27.07.2016 в 21:35:58 | Могут скачать: Все Участники | Комментарии (0)
Категория: Car Audio / BLAUPUNKT | Просмотров: 1008 | Добавил: 2m2c | Дата: 27.07.2016 в 21:30:26 | Могут скачать: Все Участники | Комментарии (0)
Категория: Car Audio / BLAUPUNKT | Просмотров: 825 | Добавил: teleman1 | Дата: 23.07.2016 в 14:48:06 | Могут скачать: Все Участники | Комментарии (0)
Категория: Car Audio / BLAUPUNKT | Просмотров: 2108 | Добавил: serik2 | Дата: 14.07.2016 в 09:41:47 | Могут скачать: Все Участники | Комментарии (6)
Категория: Car Audio / BLAUPUNKT | Просмотров: 850 | Добавил: cre | Дата: 20.06.2016 в 10:39:05 | Могут скачать: Все Участники | Комментарии (0)
Категория: Car Audio / BLAUPUNKT | Просмотров: 1285 | Добавил: Dimon_S | Дата: 26.05.2016 в 13:16:16 | Могут скачать: Все Участники | Комментарии (1)
Категория: Car Audio / BLAUPUNKT | Просмотров: 3240 | Добавил: petrenanik | Дата: 21.05.2016 в 13:19:23 | Могут скачать: Все Участники | Комментарии (10)
Категория: Car Audio / BLAUPUNKT | Просмотров: 1146 | Добавил: arhiavtomat | Дата: 01.03.2016 в 16:36:15 | Могут скачать: Все Участники | Комментарии (0)
Категория: Car Audio / BLAUPUNKT | Просмотров: 926 | Добавил: shnaider001 | Дата: 05.12.2015 в 17:26:45 | Могут скачать: Все Участники | Комментарии (0)
Категория: Car Audio / BLAUPUNKT | Просмотров: 702 | Добавил: L_F | Дата: 30.11.2015 в 13:38:47 | Могут скачать: Все Участники | Комментарии (0)
Категория: Car Audio / BLAUPUNKT | Просмотров: 809 | Добавил: L_F | Дата: 19.10.2015 в 19:19:08 | Могут скачать: Все Участники | Комментарии (0)
Категория: Car Audio / BLAUPUNKT | Просмотров: 823 | Добавил: L_F | Дата: 25.09.2015 в 09:06:49 | Могут скачать: Все Участники | Комментарии (0)
Категория: Car Audio / BLAUPUNKT | Просмотров: 863 | Добавил: fedq_minkov | Дата: 29.07.2015 в 12:20:06 | Могут скачать: Все Участники | Комментарии (0)
Категория: Car Audio / BLAUPUNKT | Просмотров: 721 | Добавил: fedq_minkov | Дата: 29.07.2015 в 12:17:43 | Могут скачать: Все Участники | Комментарии (1)
Категория: Car Audio / BLAUPUNKT | Просмотров: 870 | Добавил: fedq_minkov | Дата: 29.07.2015 в 12:15:14 | Могут скачать: Все Участники | Комментарии (0)
Категория: Car Audio / BLAUPUNKT | Просмотров: 1355 | Добавил: -killertv- | Дата: 06.06.2015 в 11:58:57 | Могут скачать: Все Участники | Комментарии (0)
Категория: Car Audio / BLAUPUNKT | Просмотров: 1405 | Добавил: bahasu | Дата: 19.05.2015 в 15:14:36 | Могут скачать: Все Участники | Комментарии (0)

| Прошивка слита с аппарата Blaupunkt BP-7 648 256 360 SK-1Z0 035 161 F автомобиля Skoda Octavia 2007 г.в. Флеш M95128W стоит рядом с процессором D70F3358. Пин код магнитолы утерян. |
Расшифровка значков на приборной панели
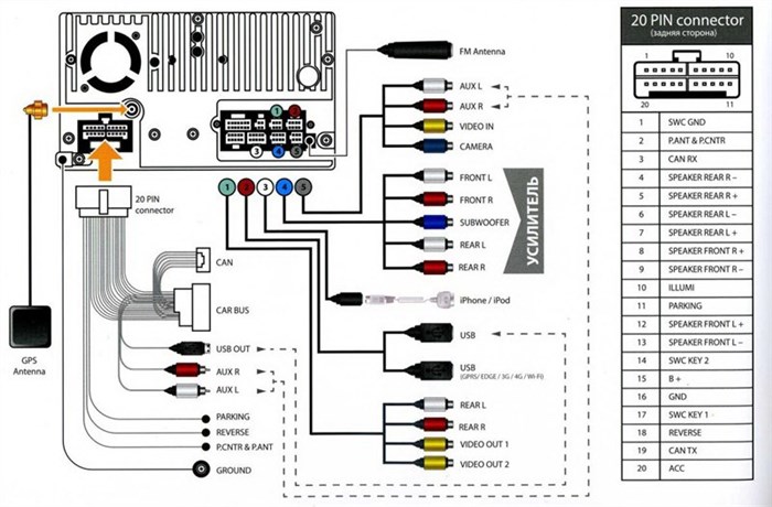
Магнитолы Blaupunkt: инструкция и схема подключения Украшения из титана для пирсинга ушей, носа, губ, пупка купить с доставкой
