Bmw 520 i Hatso Felfuggeszteseneks Szervizelese • Bmw e31 история флагмана
Самый маленький «гусёнок» BMW G310GS: сформировавшееся мнение после 8 месяцев эксплуатации
Перевод статьи Джона Милбанка — редактора Bennetts BikeSocial, члена Международной ассоциации следователей по автомобильным кражам и Группы по снижению преступности на мотоциклах.
Опыт вождения у автора материала — более 20 лет
Отсечки по пробегам двух мопедов в данном обзоре: 3680 км и 2225 км
Краткие параметры рассматриваемого аппарата
Мощность: 34 л.с.
Крутящий момент: 28 Нм
Вес: 169,5 кг.
Цена: 5100 фунтов стерлингов (около 535 000 рублей)
Достоин ли BMW G310GS называться GS?
Я искренне уверен, что да. Не назову себя опытным оффроад-райдером, но временами мне нравится съезжать с привычных трасс. Недавно я продал свой KTM 1050 Adventure — байк сам по себе великолепен, но внедорожные функции показались мне бесполезными: он слишком тяжелый.
В отношении могучего «гуся» R1200GS / R1250GS могу сказать то же самое — даже несмотря на то, что я научился эффективно управлять им на асфальте, я знаю, что, если я поскользнусь или уроню мотоцикл на бездорожье, то поднять его 249 килограммов веса мне будет непросто, а ремонт ударит по карману.
Снаряженная масса G310GS — всего 169,5 кг, поэтому вернуть его в вертикальное положение не составит труда. И, как я знаю по опыту, падение не повлечет за собой серьезных повреждений.
Приведу мнение Джона Митчинсона — владельца Rally Raid Products в Нортгемптоншире. Несмотря на статус опытного эндуро-райдера, малыш GS нравится ему своим легким весом. Но также Джон понимает, что в мотоцикле можно и стоит улучшить, поэтому его компания производит для GS модернизированную подвеску, спицованные колеса и другие полезные аксессуары.

Считается ли BMW G310GS мотоциклом класса эдвенчер?
Конечно, да — если только слово «эдвенчер» не ассоциируется у вас с дальняками через несколько стран по автомагистралям.
Мои представления о внедорожной езде незатейливы: выделить полдня на выходных для исследования новых тропок и сельских дорог или небольшое путешествие по проселочным дорогам через Францию в Испанию. «Гусенок» с обоими вариантами справляется отлично.
Как себя ведет BMW G310GS в качестве повседневного байка?
Небольшой вес и прекрасная маневренность делают его незаменимым в городе — вы без труда минуете пробки. Я установил крепление для багажа Givi, а также защиту рук Barkbusters (для дополнительной защиты, а также от ветра) и защитные дуги R&G.
Ремонт БМВ 5: Схемы электрооборудования BMW 5 (E39). Описание, схемы, фото
Самый маленький «гусёнок» BMW G310GS: сформировавшееся мнение после 8 месяцев эксплуатации — bike-news
15.18 Указатель поворота левый
Указатель поворота левый
BMW E31 – история флагмана
В 1991 году на смену точеному купе 6-й серии Е24 пришел BMW 850i Е31 – более роскошный автомобиль, созданный для впечатляющей скорости, но не в ущерб комфорту представительского класса. Стоит отметить, что Е31 не считается прямым преемником Е24. Восьмерка является более технологичной и дорогой по сравнению с шестой серией.

Под капотом 850i установлен 5,0-литровый двигатель V12 мощностью 300 л.с., который позволял баварскому линкору разгоняться до первых 100 км/ч за 6,8 секунды и достигать максимума в 250 км/ч. Опционально для клиентов были доступны 6-ступенчатая механическая коробка передач или четырехступенчатый автомат.
В 1992-м году BMW расширила линейку, выпустив более мощное купе 850 CSi с 5,6-литровым двигателем V12 (созданный на основе двигателя S70) мощностью 380 л.с. и 550 Нм крутящего момента.
В том же 1992-м году компанией BMW для испытаний было построено 18 экземпляров 830i, задуманного как автомобиль начального уровня. Под капотом использовался двигатель V8 M60B30 мощностью 218 л.с. и 296 Нм, также используемый в сериях E32, E34 и E38. Ни один из 830-х не поступил в продажу из-за слабого привода.
Летом 1993 года за ним последовала новая модель начального уровня 840i, оснащенная 4-литровым двигателем V8 M60B40 мощностью 286 л.с. Эта базовая модель была первым купе BMW с двигателем V8 со времен BMW 3200 CS из 1960-х годов. Здесь тоже был выбор между механикой и автоматом.
Весной 1994 года 850Ci получил модернизированный 12-цилиндровый двигатель M73B54 объемом 5.4 литра и мощностью 326 л.с. В новом 850Ci взамен 4-хступенчатому автомату установили 5-ступенчатую АКПП. Причем известно, что обе модели производились параллельно в течение еще полугода под одним кодом 850Ci.
Обе версии 840Ci были доступны в Европе либо с пятиступенчатой автоматикой, либо с шестиступенчатой механикой. В Америке автомобиль был доступен только с автоматом.
Alpina B12 5.0 выпускался с 1990 по 1994 год на базе 850i с более мощным двигателем V12 и 4-ступенчатой автоматической коробкой передач. Мощность двигателя увеличена до 350 л.с., а максимальный крутящий момент составлял 470 Нм. Компрессия увеличена с 8,8 до 9,5. Объем двигателя остался неизменным – 5 л.
KIBERCAR: ОРИГИНАЛЬНОЕ ДООСНАЩЕНИЕ BMW 5 СЕРИИ G30/G31
BMW 850i E31 — благородный флагман из 90-х Управляйте микроклиматом в салоне при помощи раздельного регулирования для водителя и пассажиров
ОТ 85 000 ₽
Контроль открытия гаражных дверей и ворот прямо на зеркале заднего вида. Забудьте о всевозможных пультах дистанционного управления — используйте зеркало
Ваш смартфон всегда на связи благодаря устройству беспроводной зарядки с двумя USB-разъемами мощностью до 2А
Закрытие окон и люка на крыше, затягивание ремней безопасности и поднятие спинок сидений в критической ситуации
Слежение за разметкой, контроль слепых зон, а также система предупреждения о столкновении с динамическим торможением. Весь этот перечень из функций работают в унисон под названием Driving Assistant
Громкость не в ущерб качеству. Акустическая система B&W состоит из 20 элементов с активной подсветкой. Громкость устройства составляет 1500 Вт
Всегда теплый салон, чистые от снега стекла авто в любые морозы! Благодаря Webasto Вы в любой мороз сядете в прогретую машину, отправитесь в путь не теряя времени и настроения

Бмв е39 перевод ошибок бортового компьютера — Авто Брянск
БМВ 5-серии 2021 — фото, все минусы (отзывы владельцев), цены и комплектации, видео тест-драйв, характеристики. Если после нажатия кнопки CHECK на приборки (правая кнопка) выявлено ошибки, то ниже приведено эти ошибки, и что они означают.
Каждый BMW-ст, должен знать их на зубок.
Видео тест-драйв нового BMW 5-Series (G30)
Обновлённые «ноздри» решётки на БМВ 5-серии 2022 года радиатора увеличатся в размерах (прежде всего, по высоте), однако их очертания останутся схожими. Появятся новые фары: они станут более узкими в центральной части, также у них полностью изменится светодиодная начинка за счёт появления L-образных элементов, которые станут очередным этапом развития так называемых «ангельских глазок».
Передний бампер также полностью новый: у него более крупные боковые воздухозаборники изменённой формы, а также декоративные вертикальные выштамповки, визуально связанные со светодиодными элементами фар и разъёмом капота. Сам капот и крылья при этом останутся прежними.

| Тип двигателя | дизель | бензин |
| Объем, л | 3,0 | 3,0 |
| Мощность, л.с. | 249 | 340 |
| Крутящий момент, Нм | 650 | 450 |
| Тип коробки передач | автомат | автомат |
| Число передач | 8 | 8 |
| Привод | полный | полный |
| Разгон 0-100 км/ч, с | 5,4 | 4,7 |
| Макс скорость, км/ч | 250 | 250 |
| Расход топлива, л | ||
| — город | н.д. | н.д. |
| — трасса | н.д. | н.д. |
| — смешанный | 5,7 | 7,7 |
| Тип топлива | дизельное | АИ-95 |
Проблемы и слабые места BMW F10
Отзывы владельцев BMW 5-серии 2022 Но тормозная система редко живет больше 50 тыс. км. Это обусловлено тем, что в машинах есть система AUTO HOLD (автоматический ручник), и «пятерки» активно используют тормоза при включенной системе стабилизации. Проблему можно решить банальной заменой тормозных накладок. Цена вопроса на одну ось – около 5 тыс. рублей.
Схемы электрооборудования БМВ 5 Е39
15.0 Схемы электрооборудования
Схемы электрооборудования Оригинальные электрические схемы автомобилей BMW 5-й серии содержат около 100 страниц. Здесь приведены схемы, относящиеся преимущественно к моделям 520i, 525tds и общие схемы, относящиеся ко всем моделям. В новом издании Руководства публикуются новые схемы, по которым м.

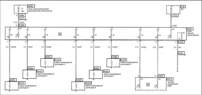
15.1 Свечи накаливания, реле свечей накаливания
Свечи накаливания, реле свечей накаливания
15.2 Инжектор 5 + 6 (520i)
Инжектор 5 + 6 (520i)
15.3 Датчик температуры всасываемого воздуха
Датчик температуры всасываемого воздуха
15.4 Топливная система
Топливная система
15.5 Servotronik
Servotronik
15.6 Звуковые сигналы
Звуковые сигналы
15.7 Выключатель стеклоочистителя
Выключатель стеклоочистителя
15.8 Управление очистителями-омывателями стекол
Управление очистителями-омывателями стекол
15.9 Наружное зеркало без памяти (сторона водителя)
Наружное зеркало без памяти (сторона водителя)
15.10 Наружное зеркало без памяти (сторона переднего пассажира)
Наружное зеркало без памяти (сторона переднего пассажира)
Профилактика появления ошибок
Сервисные акции на обслуживание
15.29 Система управления двигателем и разъем блока управления. Модели 520i, 523i, 528i
Система управления двигателем и разъем блока управления. Модели 520i, 523i, 528i Пояснения к схеме Аббревиатура Значение A5 Комбинация приборов A16 Блок управления ABS A35 Электронный модуль управления (ECM) A57 Электронный блок управления трансмиссией (TCM) A63 Блок управлен.
Профилактика появления ошибок
Подводя итоги вышесказанному, необходимо отметить, что знание кодов ошибок и смысл сообщений, которые появляются на дисплее бортового компьютера, позволяет своевременно определить, где возникла неисправность в работе автомобиля, и устранить ее. Какие-то из них можно устранить самостоятельно, а какие-то — лишь в сервисном центре.

Безусловно, немецкие автомобили концерна БМВ славятся своей надежностью и практичностью. Тем не менее даже самые надежные автомобили со временем могут ломаться и выходить из строя. Для того чтобы не допустить этого, рекомендуется внимательно следить за возникновением сообщений и ошибок на панели БМВ Е39 и стараться своевременно устранить их причину.
Взлет и падение BMW 8 серии E31
- P – Ошибка, связанная с устройствами силовой передачи транспортного средства.
- B – Ошибка, связанная с кузовными неисправностями транспортного средства.
- C – Ошибка, связанная с шасси транспортного средства.
Итоги Отсечки по пробегам двух мопедов в данном обзоре: 3680 км и 2225 км
Проблема 5: масложор бензинового двигателя

Моторы – спорное место любой БМВ. Спорное потому, что нет точной рекомендации, какой агрегат брать не стоит. Все относительно.
Бензиновых двигателей на BMW 5 F10 устанавливалась уйма – от самых простых 2,0 турбо на 184 л. с. до 4,4 л на двух турбинах в 407 л. с.
Самые популярные на вторичке – пятерки с индексом 520i,525i, 528i и 530i. Все они рано или поздно начинают масложорить. Предотвратить это нельзя, но можно отсрочить:
Расход бензина вполне приемлемый – около 13-15 л по городу и 8 л по трассе при спокойной езде.
Дизельных моторов на 5 серию устанавливалось тоже немало. Самые популярные – с индексами 520d/525d/530d. Внегласно они считаются более надежными из всей линейки. При замене ГРМ по регламенту и устранении заслонок EGR моторы ходят по 300-500 тыс. км.
В 2014 году стали появляться новые агрегаты с маркировкой B48. Они оказались еще более надежными и тихими, но имели проблемы со шкивом коленвала. Он трескается от времени и разваливается. Ничего смертельного нет – нужно просто заменить шкиф и ремень. Стоимость замены – около 10 тыс. рублей.
К 200 тыс. км начинает течь и свистеть турбина. Болячка лечится заменой картриджа турбины (12 тыс. рублей), в противном случае деталь погибнет, а ремонт обойдется в 5-6 раз дороже.
Также моторы с маркировкой B48 чувствительны к качеству топлива. Выходят из строя форсунки, насосы, рампы. Топливная система в ремонте крайне дорогая, цена может доходить до 100 тыс. рублей. Чтобы избежать проблемы, советую выбирать проверенные АЗС.
*** Статья авторская. Мнение редакции может не совпадать с мнением автора.
О каких проблемах легендарных «пятерок» знаете вы? Расскажите о них в комментариях.
Коды ошибок БМВ Е39
Проблема 3: короткая жизнь тормозной системы
15.5 Servotronik
Servotronik
