Ошибка 8 на Панели Приборов Ваз 2110. Неисправности электрики
Ваз 2112 коды ошибок
Таблица 9-3 Коды неисправностей контроллера типа “Январь-4”
Исправность диагностической цепи контрольной лампы
Высокий уровень сигнала датчика температуры охлаждающей жидкости
Низкий уровень сигнала датчика температуры охлаждающей жидкости
Неверный сигнал датчика положения коленчатого вала
Завышенное напряжение сигнала датчика положения дроссельной заслонки
Недостаточное напряжение сигнала датчика положения дроссельной заслонки
Отсутствует сигнал от датчика скорости автомобиля
Высокий уровень сигнала СО-потенциометра
Низкий уровень сигнала СО-потенциометра
Неверный сигнал датчика массового расхода воздуха (высокая частота сигнала на выходе датчика)
Неверный сигнал датчика массового расхода воздуха (низкая частота сигнала на выходе датчика)
Ошибка программируемого постоянного запоминающего устройства (ППЗУ)
Ошибка электрически программируемого запоминающего устройства (ЭПЗУ)
Считывание кодов – ошибок на автомобилях ваз 2110, ваз 2111, ваз 2112
Приветствую! Меня зовут Михаил, сорян, что не по теме, хочу высказать свою благодраность Вам и вашему сайту. Благодаря вам самостоятельно удалось вывести царапины, которые поставила жена на парковке.

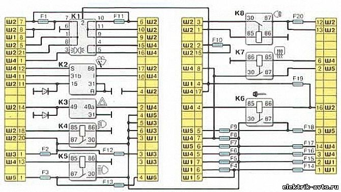
| Расположение реле и предохранителей в монтажном блоке К1 – реле контроля исправности ламп; К2 – реле очистителя ветрового стекла; КЗ – реле-прерыватель указателей поворота и аварийной сигнализации; К4 – реле включения ближнего света фар; К5 – реле включения дальнего света фар; Кб – дополнительное реле; К7 – реле включения обогрева заднего стекла; К8 – резервное реле; F1 – F20 – плавкие предохранители. |
Ошибка 8 на ВАЗ 2114 (8 клапанов) — что означает, причины, симптомы
- код 0335 говорит о неисправности датчика положения коленвала. Поэтому, увидев на компьютере 0335, нужно проверить, идет ли сигнал от этого датчика. Обнаружив, что сигнал слабый, можно помочь изменением расхода воздуха, если он чрезмерный (выше максимума). После этого ошибка 0335 должна исчезнуть;
- увидев ошибку 0340, знайте, что, скорее всего, неисправен датчик положения распредвала. Хотя на самом деле, если даже высвечивает 0340, сам распредвал может быть исправным, автомобиль работает, как обычно. А вот когда цифры 0340 не исчезают во время работы двигателя, следует тщательно осмотреть данный узел.
Коды ошибок ВАЗ и их расшифровка
Ошибка 8 на ВАЗ 2114 означает низкое напряжение бортовой сети. Это говорит о том, что оно ниже установленного заводом-изготовителем. В таком случае машина и её электрооборудование могут работать неправильно.
Коды ошибок комбинации VDO на панели приборов ВАЗ 2110
- Если остается 0, то ошибки отсутствуют
- При появлении 1 — говорит о неисправности микропроцессора
- Обрыв цепи датчика указателя уровня топлива
- Ошибка 4 — повышенное напряжение питания бортовой сети свыше 16 Вольт
- Ошибка 8 — пониженное напряжение, менее 8 Вольт
- При нескольких неисправностях одновременно может выдаваться цифра, которая будет являться суммой вышеприведенных кодов, например 6 (2+4), 10 (2+8), 12 (4+8) или 14 (2+4+8)
Если говорить откровенно, то особой полезности данные коды неисправностей ни приносят. Если сравнивать с показаниями специальных бортовых компьютеров, типа ШТАТ, то там конечно в десятки раз больше полезной информации и различных данных. Но об этом поговорим как-нибудь в следующих статьях.
Еще у меня приборы отключатся когда едешь и звук какой то пишит уровень топлива тоже плавает меня дут точ такой же ни чё не помогло и масу смотрел на ручнике тоже ноль
У меня показывает на приборах сверху 3456 а снизу 78 что это значит подскажите пож
Здравствуйте ! Помогите с проблемой вчера приехал на авто всё работало до этого чистил форсунки. На следующий день авто завелась но поработав 3-5 сек заглохла и больше не завелась искры нет датчик колевала менял , потом сбрасываю давление в рампе пытаюсь завести заводится на 4 сек и глохнет . Куда копать ?
Подскажите пожалуйста.у меня показывает ошибку 78 . Ваз 21124 16v европанель 2007 года
Здравствуйте у меня ваз 10, 8 клапаны была ошибка 14 я ее збросил надо ехать на диагностику ?
Здраствуйте, У меня ваз 2110 машина не заводиться. Буксиром еле-еле завёл холостой не работают и тройт, постайано надо газовать что надо делать подскажите. И ошибка 8 покзывает, как найти этот нейсправность.
Ваз 2112 16клапанный, при самодиагностике выдает ошибку 818,2…помогити спасити чего делается то)
Здравствуйте, ваз 2112 перестала заводится, на бортовом комп.показывает ошибку 43210
Ошибки сохраняются пока их не сбросить вручную! Также ошибки складываются! Т.е. у вас случились ошибки 8 и 14, то на дисплее выведется ошибка 22.
Помогите пожалуйста стоял грелся минут пять вдруг машина заглохла сама заводил потом тоже сперва Троила играла оборотами от 1000-1500 и опять глохла ,а как только нажимаешь на газ сразу глохнет
Датчик коленвала либо сам коленвал может еще шестерня коленвала
Привет,я делаю все как на видео, но диагностика не выполняется, просто переключает пробег на суточный и все.
Сергей зажми на панели эту кнопку и держи поверни при этом ключ зажигания там все покажет
Реле не ставил на стартер? У них это болезнь, при включенном мафоне или освещении не крутит.
Машина ваз 2112 07 г 1.6 8 кл. После пуска двигателя на холодную, начинает роить и за горестях чек! Глушу, по новой завожу все идеально. Бортовик пишет ошибку 4 и 8.
Здравствуйте горит ошибка 8 ваз 2112 1.6 16кл .

Коды ошибок ВАЗ 2112 8 и 16 клапанов: расшифровка неисправностей
- Сброс не избавляет от неполадки – без вмешательства проблема не исчезнет;
- Для легкого и быстрого сброса нужен сканерOBDII – можно купить простейший от 200 рублей;
- Смотреть ошибку надо сразу как появилась – проблема может быть как неважной, так и критичной для использования машины.
Лада ВАЗ-2110 (2111, 2112). Коды ошибок и неисправностей Диагностику и прошивку ЭБУ рекомендуется делать при снятом бортовом ПК
Как устранить проблему?
Если аккумулятор разряжен, его нужно зарядить. Это делается так:
- Снять АКБ и протереть её сухой тряпкой.
- Подключить к батарее зарядное устройство и поставить на зарядку.
- Заряжать обычно следует не менее половины суток или пятнадцати часов при полном разряде. При этом на зарядном устройстве нужно выставить ток в 2,5 Ампер, если оно не выбирает режим автоматически.
- Перед снятием по показаниям прибора убедиться, что аккумуляторная батарея зарядилась полностью.
После зарядки необходимо проверить напряжение АКБ указанным выше способом. Если оно в пределах нормы, установить её на машину. Понаблюдать в течение нескольких дней, не разряжается ли батарея. Если происходит быстрый разряд без видимых причин, устройство, вероятно, неисправно. Поэтому придётся покупать новый аккумулятор.
Если неисправен генератор, обычно достаточно заменить его щётки для восстановления работоспособности. Для этого нужно:
- Достать колодку проводов.
- Убрать провода с генератора и удалить фиксирующую их гайку. От плюсовых наконечников проводов отделить защитный колпачок для защиты.
- Снять пластиковый кожух.
- Найти регулятор напряжения и открутить его отвёрткой.
- Отсоединить провода и вытащить деталь вместе со щётками. и поставить элемент на генератор.

Если это не помогло или на устройстве обнаружились видимые дефекты, потребуется замена и других его деталей. Генераторы ВАЗ 2114 ремонтопригодны. Отремонтировать их можно своими руками. Но в некоторых случаях электрогенератор лучше заменить или обратиться к специалистам для его восстановления.
Если низкое напряжение связано с иными неисправностями, установить которые самостоятельно не удалось, нужно посетить автоэлектрика.
Ваз 2112 коды ошибок
- Бортовой компьютер показывает чрезмерно низкое напряжение;
- Просадки напряжения по показаниям приборной панели;
- Светится индикатор аккумулятора;
- Горит чек на ВАЗ 2114 с 8-клапанным двигателем. Это не всегда свидетельствует о данной неполадке. Значок может загораться по разным причинам. Иногда при наличии кода 8 он может и не появляться вовсе;
- Тусклый или мерцающий свет фар;
- Сложности с запуском двигателя или невозможность его запустить вообще. Мотор может запускаться долго, глохнуть сразу после запуска или во время остановки, например, на светофоре.
Самодиагностика ваз 2110 коды ошибок. Если говорить откровенно, то особой полезности данные коды неисправностей ни приносят. Если сравнивать с показаниями специальных бортовых компьютеров, типа ШТАТ, то там конечно в десятки раз больше полезной информации и различных данных. Но об этом поговорим как-нибудь в следующих статьях.
Таблица с ошибками
Полный список неисправностей с расшифровкой и рекомендациями по устранению проблем:
Неисправности датчиков
Для проверки расходомера выполняются следующие действия:
- На авто с отключенным мотором производится отсоединение разъема с контактами от контроллера. Затем нужно включить зажигание, но не запускать силовой агрегат. Потребуется мультиметр, чтобы произвести проверку напряжения между контактными элементами.
- Разъем датчика оснащен пятью пинами, отсчет ведется слева направо, если смотреть со стороны воздушного потока от фильтра. Между контактами 2 и 3 номинальное напряжение должно составить 10 вольт, между 3 и 4 – 5 В. Если имеются отклонения, пользователю необходимо произвести диагностику целостности электроцепи на предмет обрывов и утечку тока.
- При нормальных значениях зажигание отключается и выполняется проверка сопротивления между «массой» и пятым по номеру пином. Полученный параметр должен составить около 4-6 кОм. В случае если полученное значение составило 0 Ом, датчик подлежит замене, также проблема может заключаться в замыкании на заземление. Если параметр сопротивления будет 100 кОм, то причину нужно искать в обрыве электроцепи питания или блоке управления двигателем.
Неисправности двигателя
- регулярное использование низкокачественного горючего;
- нарушение герметичности воздухозабора;
- отсутствие искры;
- повреждение или физический износ цилиндрических устройств.
Если замена горючего не помогла, необходимо выполнить диагностику системы забора воздуха. Следует произвести подтяжку крепежных хомутов, поменять воздушный фильтрующий элемент и проверить давление в рампе (нормированный показатель – не более 2,8 атм).
Также необходимо выполнить диагностику:
- высоковольтных проводов, подключенных к дефектному цилиндру;
- свечей зажигания;
- проверить возможное окисление в местах подключения кабелей.
Диагностика высоковольтных проводов производится с применением тестера, необходимо проверить сопротивление. Если полученное значение составило больше 10 кОм, то кабеля подлежат замене. Также надо проверить целостность свечей зажигания и убедиться в отсутствии нагара на их наконечниках.
Если описанные действия не помогли определить причину, производится диагностика цилиндров. Пользователю надо проверить уровень компрессии, которая должна быть примерна одинаковой в каждом устройстве. Если полученные значения отличаются более, чем на 0,5 атм, то нужно более детально тестировать силовой агрегат.
- поломка датчика массового расхода воздуха;
- обедненная или обогащенная топливовоздушная смесь в цилиндрах мотора;
- неисправность блока электронной системы управления двигателем.
Для устранения проблемы можно попробовать заново обучить дроссельную заслонку, для этого выполняются следующие действия:

Ошибка номер 8 ваз 2110 — Все о Лада Гранта
- При выключенном зажигании нажать на кнопку «Reset» (сброс суточного пробега). Удерживая кнопку включить зажигание.
- Панель приборов перейдет в режим самодиагностики, на дисплее загорятся все позиции сегментов, загорят все индикаторы, а стрелки будут совершать полный путь.
- Кнопкой управления на правом подрулевом переключателе переключаемся между режимами (самодиагностика, версия прошивки, коды ошибок).
- Чтобы сбросить ошибки, нужно находится в режиме ошибок и нажать и удерживать кнопку «Reset» более 3с.
- Выход из режима диагностики происходит автоматически после бездействия в течении 20-30 сек.
Ошибка ЦЭКБС или ЦБКЭ Богатая смесь в режиме Частичная Нагрузка
Коды ошибок ВАЗ и их расшифровка

Расшифровка кодов ошибок, выдаваемых ЭБУ автомобилей ВАЗ
Нагреватель датчика кислорода до нейтрализатора, обрыв цепи управления
Нагреватель датчика кислорода до нейтрализатора, замыкание цепи управления на массу
Нагреватель датчика кислорода до нейтрализатора, замыкание цепи управления на борт. сеть
Нагреватель датчика кислорода после нейтрализатора, обрыв цепи управления
Нагреватель датчика кислорода после нейтрализатора, замыкание цепи управления на массу
Нагреватель датчика кислорода после нейтрализатора, замыкание цепи управления на борт. сеть
Цепь датчика массового расхода воздуха, низкий уровень сигнала
Цепь датчика массового расхода воздуха, высокий уровень сигнала
Цепь датчика температуры воздуха, низкий уровень сигнала
Цепь датчика температуры воздуха, высокий уровень сигнала
Цепь датчика температуры охлаждающей жидкости, выход сигнала из допустимого диапазона
Цепь датчика температуры охлаждающей жидкости, низкий уровень сигнала
Цепь датчика температуры охлаждающей жидкости, высокий уровень сигнала
Цепь датчика положения дроссельной заслонки, низкий уровень сигнала
Цепь датчика положения дроссельной заслонки, высокий уровень сигнала
Датчик кислорода до нейтрализатора неисправен
Цепь датчика кислорода до нейтрализатора, низкий уровень выходного сигнала
Цепь датчика кислорода до нейтрализатора, высокий уровень выходного сигнала
Цепь датчика кислорода до нейтрализатора, медленный отклик на изменение состава смеси
Цепь датчика кислорода до нейтрализатора неактивна
Датчик кислорода после нейтрализатора неисправен
Цепь датчика кислорода после нейтрализатора, низкий уровень сигнала
Цепь датчика кислорода после нейтрализатора, высокий уровень сигнала
Цепь датчика кислорода после нейтрализатора неактивна
Датчик кислорода после нейтрализатора, нагреватель неисправен
Форсунка цилиндра 1, обрыв цепи управления
Форсунка цилиндра 2, обрыв цепи управления
Форсунка цилиндра 3, обрыв цепи управления
Форсунка цилиндра 4, обрыв цепи управления
Форсунка цилиндра 1, замыкание цепи управления на массу
Форсунка цилиндра 2, замыкание цепи управления на массу
Форсунка цилиндра 3, замыкание цепи управления на массу
Форсунка цилиндра 4, замыкание цепи управления на массу
Форсунка цилиндра 1, замыкание цепи управления на бортовую сеть
Форсунка цилиндра 2, замыкание цепи управления на бортовую сеть
Форсунка цилиндра 3, замыкание цепи управления на бортовую сеть
Форсунка цилиндра 4, замыкание цепи управления на бортовую сеть
Обнаружены случайные/множественные пропуски воспламенения
Цилиндр 1, обнаружены пропуски воспламенения
Неисправности двигателя
Ваз 2112 диагностический разъем расположение Цепь датчика неровной дороги, низкий уровень сигнала
