Как Посмотреть Ошибки на Ваз 2110 Европанель. Неисправности двигателя
САМОДИАГНОСТИКА КОМБИНАЦИИ ПРИБОРОВ КАЛИНА/ПРИОРА
- При выключенном зажигании нажать на кнопку «Reset» (сброс суточного пробега). Удерживая кнопку включить зажигание.
- Панель приборов перейдет в режим самодиагностики, на дисплее загорятся все позиции сегментов, загорят все индикаторы, а стрелки будут совершать полный путь.
- Кнопкой управления на правом подрулевом переключателе переключаемся между режимами (самодиагностика, версия прошивки, коды ошибок).
- Чтобы сбросить ошибки, нужно находится в режиме ошибок и нажать и удерживать кнопку «Reset» более 3с.
- Выход из режима диагностики происходит автоматически после бездействия в течении 20-30 сек.
Расшифровка кодов ошибок в приборной панели:
- 2-повышенное напряжение бортовой сети;
- 3-ошибка датчика уровня топлива (если в течении 20с определяется обрыв цепи датчика);
- 4-ошибка датчика температуры охлаждающей жидкости (если в течении 20с определяется обрыв цепи датчика);
- 5-ошибка датчика наружной температуры (если в течении 20с отсутствуют показания датчика, индикация на ЖКИ «-С»);
- 6-перегрев двигателя (критерий для срабатывания аккустического сигнализатора выполнен);
- 7-аварийное давление масла (критерий для срабатывания аккустического сигнализатора выполнен);
- 8-дефект тормозной системы (критерий для срабатывания аккустического сигнализатора выполнен);
- 9-аккумуляторная батарея разряжена (критерий для срабатывания аккустического сигнализатора выполнен);
- Е-определение ошибки в пакете данных, заложенном в EEPROM.
| Описание поломки | |
| Р0300 | Блок управления передает сигнал об отсутствии искры во всех цилиндрах двигателя 16 клапанов авто. |
| Р0326 | Некорректный сигнал, поступающий на блок управления с датчика детонации. Рекомендуется произвести более тщательную проверку устройства. |
| Р0327 | В цепи датчика детонации произошел обрыв или замыкание. Следует проверить цепь. |
| Р0335, Р0336 | Возникли ошибки в работе датчика коленчатого вала. Кроме того, такие комбинации могут свидетельствовать о некорректном сигнале, поступающем с устройства на бортовой компьютер. |
| Р0337 | Устройство контроля положения коленчатого вала замыкает на массу. |
| Р0338 | Произошло короткое замыкание или обрыв в цепи датчика коленвала. |
| Р0342 | В цепи датчика фар зафиксирован слишком низкий сигнал |
| Р0343 | Зафиксирован слишком высокий сигнал в цепи того же устройства. |
| Р0422 | Произошла поломка нейтрализатора, рекомендуется заменить устройство. |
| Р0444 | Блоком управления Лада Приора зафиксирован обрыв в проводке клапана адсорбера. |
| Р0445 | Клапан адсорбера закоротил на массу. |
| Р0480 | Произошел обрыв в проводке реле вентилятора, следует произвести проверку реле и при необходимости заменить его. |
| Р0481 | В проводке вентилятора системы охлаждения произошло замыкание. |

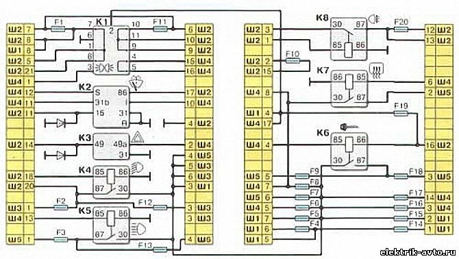
| Расположение реле и предохранителей в монтажном блоке К1 — реле контроля исправности ламп; К2 — реле очистителя ветрового стекла; КЗ — реле-прерыватель указателей поворота и аварийной сигнализации; К4 — реле включения ближнего света фар; К5 — реле включения дальнего света фар; Кб — дополнительное реле; К7 — реле включения обогрева заднего стекла; К8 — резервное реле; F1 — F20 — плавкие предохранители. |
Диагностический разъем ВАЗ-2112 старого и нового образца: распиновка, где находится?
Коды самостоятельной диагностики

Коды ошибок на ваз 2110 8 клапанов инжектор
- проверить состояния воздушного барьера;
- крепление колодочки проводки с ЭБУ;
- проверить РХХ;
- почистить дроссельный патрубок.
Коды ошибок ВАЗ 2112 8 и 16 клапанов: расшифровка неисправностей Процедура считывания ошибок довольно простая, необходимо:
САМОДИАГНОСТИКА КОМБИНАЦИИ ПРИБОРОВ КАЛИНА/ПРИОРА
- При выключенном зажигании нажать на кнопку «Reset» (сброс суточного пробега). Удерживая кнопку включить зажигание.
- Панель приборов перейдет в режим самодиагностики, на дисплее загорятся все позиции сегментов, загорят все индикаторы, а стрелки будут совершать полный путь.
- Кнопкой управления на правом подрулевом переключателе переключаемся между режимами (самодиагностика, версия прошивки, коды ошибок).
- Чтобы сбросить ошибки, нужно находится в режиме ошибок и нажать и удерживать кнопку «Reset» более 3с.
- Выход из режима диагностики происходит автоматически после бездействия в течении 20-30 сек.
Расшифровка кодов ошибок в приборной панели:
- 2-повышенное напряжение бортовой сети;
- 3-ошибка датчика уровня топлива (если в течении 20с определяется обрыв цепи датчика);
- 4-ошибка датчика температуры охлаждающей жидкости (если в течении 20с определяется обрыв цепи датчика);
- 5-ошибка датчика наружной температуры (если в течении 20с отсутствуют показания датчика, индикация на ЖКИ «-С»);
- 6-перегрев двигателя (критерий для срабатывания аккустического сигнализатора выполнен);
- 7-аварийное давление масла (критерий для срабатывания аккустического сигнализатора выполнен);
- 8-дефект тормозной системы (критерий для срабатывания аккустического сигнализатора выполнен);
- 9-аккумуляторная батарея разряжена (критерий для срабатывания аккустического сигнализатора выполнен);
- Е-определение ошибки в пакете данных, заложенном в EEPROM.

Ваз 2112 коды ошибок
- Отключить блок управления любым доступным способом. Для этого можно отсоединить аккумуляторную батарею на несколько часов или использовать диагностическое оборудование.
- Произвести активацию зажигания на несколько минут. В этот момент заслонка дроссельного узла должна начать перемещение. На этом этапе нельзя выжимать педали или запускать силовой агрегат.
- Отключить зажигания и подождать около 30 секунд, после чего опять его включить. Затем двигатель можно запускать.
Как делать самодиагностику ВАЗ 2115: самостоятельная диагностика, расшифровка и сброс кодов ошибок с видео Метод подразумевает подключение внешнего компьютера с установленной программой. Здесь открывается больше возможностей для диагностики авто. При этом коды ошибок ВАЗ 2110 и ВАЗ 2112 состоят из 5 символов.
Коды ошибок ВАЗ 2110, ВАЗ 2111, ВАЗ 2112
| Код | Неисправность |
| 12 | Исправность диагностической цепи контрольной лампы |
| 14 | Высокий уровень сигнала датчика температуры охлаждающей жидкости |
| 15 | Низкий уровень сигнала датчика температуры охлаждающей жидкости |
| 16 | Повышенное напряжение бортовой сети |
| 17 | Пониженное напряжение бортовой сети |
| 19 | Неверный сигнал датчика положения коленчатого вала |
| 21 | Завышенное напряжение сигнала датчика положения дроссельной заслонки |
| 22 | Недостаточное напряжение сигнала датчика положения дроссельной заслонки |
| 24 | Отсутствует сигнал от датчика скорости автомобиля |
| 27 | Высокий уровень сигнала СО-потенциометра |
| 28 | Низкий уровень сигнала СО-потенциометра |
| 33 | Неверный сигнал датчика массового расхода воздуха (высокая частота сигнала на выходе датчика) |
| 34 | Неверный сигнал датчика массового расхода воздуха (низкая частота сигнала на выходе датчика) |
| 35 | Отклонение оборотов холостого хода |
| 43 | Неверный сигнал датчика детонации |
| 51 | Ошибка программируемого постоянного запоминающего устройства (ППЗУ) |
| 52 | Ошибка контроллера (ошибка ОЗУ) |
| 53 | Ошибка электрически программируемого запоминающего устройства (ЭПЗУ) |
| 80 | Ошибка связи с иммобилизатором |
Цепи, защищаемые плавкими предохранителями.
№ предохранителя Защищаемые цепи (номинальный ток)
Лампы фонарей освещения номерного знака.
Лампа габаритного света левого борта.
F2 (7,5 А)
Электродвигатели стеклоподъемников дверей.
Электродвигатель вентилятора системы охлаждения двигателя.
Очистители и омыватели ветрового заднего стекла и фар.
Обмотка реле включения обогрева заднего стекла.
Контрольная лампа включения дальнего света фар.
Реле-прерыватель указателей поворота и аварийной сигнализации (в режиме аварийной сигнализации).
Контрольная лампа аварийной сигнализации.
Часы или маршрутный компьютер.
F18 (25 А)
Реле контроля исправности ламп стоп-сигнала и габаритного света.
Указатели поворота с контрольными лампами.
Блок индикации бортовой системы контроля.

| Расположение реле и предохранителей в монтажном блоке К1 – реле контроля исправности ламп; К2 – реле очистителя ветрового стекла; КЗ – реле-прерыватель указателей поворота и аварийной сигнализации; К4 – реле включения ближнего света фар; К5 – реле включения дальнего света фар; Кб – дополнительное реле; К7 – реле включения обогрева заднего стекла; К8 – резервное реле; F1 – F20 – плавкие предохранители. |
Ваз 2112 диагностический разъем расположение
“CHEK ENGINE”, коды самодиагностики, Чтение кодов самодиагностики своими силами.

Электрооборудование и коды ошибок ВАЗ 2110 2111 2112
- код 0335 говорит о неисправности датчика положения коленвала. Поэтому, увидев на компьютере 0335, нужно проверить, идет ли сигнал от этого датчика. Обнаружив, что сигнал слабый, можно помочь изменением расхода воздуха, если он чрезмерный (выше максимума). После этого ошибка 0335 должна исчезнуть;
- увидев ошибку 0340, знайте, что, скорее всего, неисправен датчик положения распредвала. Хотя на самом деле, если даже высвечивает 0340, сам распредвал может быть исправным, автомобиль работает, как обычно. А вот когда цифры 0340 не исчезают во время работы двигателя, следует тщательно осмотреть данный узел.
Коды ошибок комбинации VDO на панели приборов ВАЗ 2110 Распиновка диагностического разъема старого образца OBD 1 (GM-12) автомобилей ВАЗ 2107, ВАЗ 2110, ВАЗ 2112, ВАЗ 2114, ВАЗ 2115 для подключения к кабелю USB-KKL если нет переходника.
ELM327
Отдельно познакомим вас с адаптером ELM327, с помощью которого многие владельцы ВАЗ 2110 выполняют самостоятельно полноценную диагностику.
ELM327 представляет собой одну из последних разработок OBD. Данный сканер применяется проверки авто с помощью компьютера. Ключевое преимущество заключается в том, что устройство поддерживает все известные протоколы OBD и взаимодействует со много программами диагностики. Для связи устройства с компьютером используется кабель USB.

ELM327
Программное обеспечение для ELM327 преимущественно бесплатное, хотя определенный софт доступен только за оплату.
Работа адаптера возможна на компьютерах с различной ОС. А именно:
Полноценно раскрыть возможности сканера можно только за счет правильно подобранного программного обеспечения. Для самостоятельной диагностики бесплатно доступен софт для сканирования КПП и двигателя. Коммерческие версии программ позволяют дополнительно проверять другие узлы автомобиля.
Основные возможности
Давайте познакомимся с возможностями, которые предоставляет микросхема ELM327:
- Считывает коды ошибок, неисправностей автомобиля;
- Отображает коды и их описание;
- Экспортирует данные на распечатку, если необходимо;
- Удаляет коды ошибок;
- Выводит данные в метрической системе измерения и системе, используемой в США;
- Записывает, сохраняет данные, строит графики;
- Имеет счетчик разгона с 0 до 100 км/час, что позволяет проводить диагностику на ходу.
Методы диагностики ошибок
Самодиагностика ВАЗ 2110: коды ошибок

Возможные причины
- Отсоединить клеммы датчика.
- Включить измерительный прибор и перевести его в режим измерения сопротивления.
- Подключить щупы мультиметра к контактам ДПКВ.
- Осуществляет измерение сопротивления обмотки датчика.
Трехзначные комбинации Ошибки на панели ВАЗ 2110(2112) предоставляют пользователю полную информацию о состоянии узлов и агрегатов автомобиля. При знании расшифровок, водитель может самостоятельно устранить поломку электроники транспортного средства.
