Не Горят Плафоны Освещения Салона Ваз. Перегорела лампа
Как делается подсветка салона ваз 2107 своими руками: схема
Штатные светильникиможно заменить на более мощные и современные. Наиболее подходящим вариантом считается основная лампа для подсветки салона, заимствованная у Приоры. Для его установки вам понадобится иметь:
- малярный скотч;
- острый нож (можно канцелярский);
- гаечный ключ на 12;
- набор отверток;
- карандаш или маркер для нанесения отметок.
Аккуратно снимите козырек рядом с зеркалом заднего вида. Обратите внимание, что его вес достаточно высок, поэтому при неосторожном действии потолок может обвалиться полностью. Очертите место нового плафона на козырьке карандашом, вырежьте отверстие по контуру. В этом отверстии зафиксируйте новую лампу при помощи герметика.
Так как старая проводка не работает с более современными устройствами, сделайте новую. Вам потребуется кинуть минимум 2 провода – «минус» на кузов и «плюс» на контакт новой лампы. В иномарках свет загорается при открытии дверей, это очень удобно. Если вы желаете сделать также, то третий провод киньте на концевик в двери. Проводку протяните по правой стойке.

ВАЗ 2114: не горит свет в салоне – ТОП 3 причины
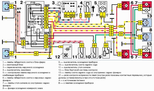
- 1 – монтажный блок;
- 2 – выключатели (концевики), расположенные в стойках передних дверей;
- 3 – выключатели (концевики), расположенные в стойках задних дверей;
- 4 – плафоны со встроенными переключателями.
Неполадки освещения салона автомобиля и их устранение Меняется она немного сложнее. Необходимо с помощью отвертки поддеть корпус «рыбьего глаза», после чего снять колодку проводов. Далее нажимаем на фиксаторы по обе стороны корпуса и вынимаем цоколь r5w.
Освещение салона ВАЗ 2101 -2107
Здравствуйте! Сегодняшний пост об установке плафона освещения салона в ВАЗ 2101 -2107 от автомобиля Лада Приора.
Я, как и любой владелец классики, могу Вам жаловаться на освещение салона долго и нудно. Освещение салона в классике не то, что плохое, оно практически отсутствует! Попробуйте что-нибудь прочитать или рассмотреть при стандартном варианте освещения. Не получилось?
Если Вы на этом блоге не впервые, то могли заметить, что справа вверху появился блок, в котором я буду публиковать посты готовящиеся к написанию. Так вот там уже значится вариант освещения салона ВАЗ 2106, то есть мой личный вариант реализации освещения салона ВАЗ 2106. Этот вариант был увиден мною на драйв2.ру.
Установка дополнительного освещения салона ВАЗ 2107
Первым делом нужно обозначить необходимые инструменты и материалы:
- Плафон освещения от Лада Приора.
- Острый нож (вполне можно использовать канцелярский).
- Скотч, маркер, лист бумаги.
- Отвертка.
- Ключ на 12.
- Провода, разъемы.
Собственно установка плафона освещения салона в ВАЗ 2101 -2107
Первым делом необходимо снять весь козырек, это легко осуществляется с помощью ключа на 12 и крестовой отвертки. Будьте внимательны, на автомобилях старых годов выпуска, в середине находится листовое железо, поэтому весь козырек имеет приличный вес и нечаянно упав может повредить что-то в салоне!
Для того, чтобы определить оптимальное положение светильника на козырьке, необходимо вырезать его контур на бумаге, как это делается показано на фото:

ВАЗ 2114: не горит свет в салоне – ТОП 3 причины
- Из любого находящегося под рукой пластика (подойдет, например, от старого светильника дневного света) нарезаем полоски, которыми будут закрываться как молдинги, так и плафоны белого света. При отсутствии подходящего пластика достаточно широкий выбор материала имеется в любом рекламном агентстве;
- Полоски на молдинги, нагревая при помощи технического фена, гнем по профилю ручек;
- Проклеиваем ленту с красными светодиодами в паз молдинга, устанавливаем место молдинг, который, в свою очередь, закрываем матовым пластиком;
Значок открытой двери — Диагностика, Ремонт и Удаление с приборной панели — Автопортал Полный размерУбираем реле, вставляем перемычку ))
Почему не горит свет в салоне (основные причины)

Схема электрооборудования автомобиля, которую необходимо изучить прежде, чем приступать к работе
Освещение салона автомобиля – это часть электрики, а поэтому, в любом случае, стоит проблему искать именно в этой части машины. Конечно, рекомендуется изучить, хотя бы поверхностно, технические схемы электрики, чтобы быть хоть немного в теме.
Итак, что же понадобиться? Подробная схема электроузлов автомобиля, немного смекалки и минимальный набор инструментов. Рассмотрим места, где может скрываться проблема:
Чиним свет и знакомимся с электрикой
Поскольку определены основные места неисправности, можно смело перейти непосредственно к методам решения проблемы. Стоит отметить, что с автомобильной электрикой — не все так просто, но поскольку это ВАЗ-2114, то здесь можно сказать всё предельно ясно. Перейдём к методам решения проблемы.
Лампочка
Первое, что необходимо проверить – это лампа освещения, поскольку именно её перегорание могу стать причинно того, что пропал свет в салоне автомобиля.
Для того чтобы её достать придётся снять крышку плафона. После этого необходимо проверить есть ли нить раскаливания, и вставить лампу в контрольно-измерительный прибор или просто подключить к АКБ. Если лампа загорелась, то причина неисправности не в ней.
Плафон
Неоднократно, причиной неисправности становился сам плафон, где просто поплавилась контактная группа и замкнула, что вызвало перегорание или сгоревший предохранитель.
Для его диагностики потребуется демонтировать с автомобиля и визуально осмотреть. А также рекомендуется прозвонить контакты, идущие от лампы к проводке.
Предохранитель и реле на ВАЗ-2114
Замена предохраните может решить проблему
Следующей причиной становится сгоревший предохранитель освещения салона. Перегорать эта деталь может вследствие короткого замыкания, которое по разным причинам возникает в бортовой цепи. Зачастую замыкание вызвано именно неисправностью плафона.
Реле подсветки салона отмечено стрелочкой. Нередко контакты подгорают и не дают включиться свету
Проводка
Обрыв проводки может послужить причиной неисправности
Электрическая проводка – ночной кошмар любого автолюбителя. Одним всё понятно, а вот для других – это «тёмный лес». Так, в процессе диагностических операций необходимо прозвонить провода, идущие от плафона к питанию или кнопке.
Ваз 2107 не горит освещение салона – 2107,.
- Проверить работоспособность лампы. Если она не загораются, значит предохранитель неисправен и следует его заменить. Если же стоп-сигнал работает исправно, то с предохранителем все в порядке и надо искать дальше.
- Проверить, в каком состоянии лампочка, если она исправна, значит надо проверить контакты и концевики на стойках дверей. Если была установлена светодиодная лампа, то поменять полярность, возможна была перепутка при установке.
- На контактах надо замерить ток, поступает он или нет. Если тока нет, то надо прозванивать всю цепь, возможен пробой в проводке.
- Концевики на дверных стойках следует проверять очень внимательно, специалисты и многие из тех, кто общается на форумах говорят о том, что именно в этом месте часто бывают неполадки. Возможен просто плохой контакт, который надо подрегулировать.
Подсветка дверей ваз 2107 А чтобы провести провода, нет необходимости поднимать ковролин, можно провести через воздуховоды в “бороде” — это практично и аккуратно. Хотя любители абсолютной эстетики, могут провести их и под ковролином. Но для этого “бороду” придётся снять.
Чиним свет
Снятие плафона
Для начала рассмотрим,как снять плафон освещения салона. Снятие плафона освещения салона можно осуществить при помощи двух отвёрток: плоской и крестовой. Сначала мы снимем линзу. Для этого возьмём плоскую отвёртку, вставим её в щель между стеклом и корпусом светильника и аккуратно подденем.
Скорее всего, на корпусе светильника даже есть специальные пазы, в которые нужно вставить отвёртку. Их должно быть как минимум два.
После этого вы уже получите доступ к лампам. Если одна из них сгорела, просто замените её.
Однако причина отсутствия света может скрываться и в плохом контакте проводов, подсоединённых к плафону. Если все лампы в порядке, придётся разбирать устройство дальше, чтобы добраться до проводов.
Возьмите снова плоскую отвёртку. Нащупайте паз на внешней стороне корпуса светильника. Вставьте в него отвёртку и подденьте. После этого, вероятно, вы сможете снять крышку.
Если светильник оборудован какими-либо кнопками, их лучше тоже снять, поддев отвёрткой или пальцем.
Оставшаяся пластиковая крышка может также обладать пазами, может крепиться при помощи защёлок, может привинчиваться крестообразными шурупами. Здесь уже наверняка вы сами поймёте, что делать. Сняв остаточную пластиковую деталь, вы обнаружите провода. Проверьте их целостность и, если нужно, припаяйте.
Скорее всего, после этого проблема со светом будет решена.
Как поставить плафон на место?
Установка плафона освещения салона производится при помощи вышеописанных манипуляций, выполняемых в обратном порядке. Для начала берём пластмассовую крышку, снимавшуюся последней, и прикрепляем её. Затем устанавливаем кнопки, крышку плафона, в которую вставляем обратно линзу. Вот и всё. Плафон на месте, и он снова дарит вам свет.
Починить плафон освещения салона автомобиля не сложнее, чем поменять лампочку дома. Причина, по которой автолюбители ищут помощи в этом деле, кроется в том, что мало кто из водителей сталкивается с проблемами при освещении салона авто и поэтому не знает с чего начать.
На самом-то деле, если разобраться, в починке света нет ничего страшного и справиться с такой задачей сможет даже новичок.

Подсветка салона ваз 2107 — причины поломок, ремонт
- средняя зона. Свет из неё распространяется по всей верхней части салона автомобиля. Она почти полностью освещает пространство;
- пространство для ног. Чтобы водитель мог видеть в темноте расположение педалей;
- бардачок. Чтобы в тёмное время суток можно было обнаружить в нём необходимые вещи или документы;
- зеркало для макияжа. Очень пользуется спросом среди женщин-водителей, которые собираются подправить мейкап в тёмном авто;
- ручки дверей. Чтобы можно было найти их в полной темноте, а не шарить рукой по обивке в поиске спрятавшегося «крючка»;
- багажник. Чтобы даже в тёмное время суток были видны все предметы, перевозившиеся в нём;
- также к салонному освещению относятся предупреждающие световые сигнализаторы, которые устанавливаются на заднее стекло и двери автомобиля.
Откуда свет? Я, как и любой владелец классики, могу Вам жаловаться на освещение салона долго и нудно. Освещение салона в классике не то, что плохое, оно практически отсутствует! Попробуйте что-нибудь прочитать или рассмотреть при стандартном варианте освещения. Не получилось?
Повреждение проводки
Последняя и самая нежелательная причина неисправности – обрыв проводки выключателя. При отсутствии видимых повреждений проводки найти место обрыва без «прозвонки» сложно. Если обрыв удалось найти – следует полностью заменить провод, а не пытаться склеить его изолентой, т.к. укорачивание проводов ведет к изменению сопротивления.
Также причиной некорректного срабатывания бывает окисление контактов внутри корпуса осветителя. Достаточно зачистить и вернуть все пластины в заводское положение. Для проведения замены проводки освещения в сборе понадобится схема подключения салонного света. Ниже представим схему в подробностях.

Для полного разбора схемы разберем обозначения:
Проверка неисправности должна производиться с изучения предохранителя и лампочек. Лишь после этого стоит искать причину проблемы в концевиках и провдке.
Как заменить лампы
Неисправность выключателей

Почему свет пропал?
- средняя зона. Свет из неё распространяется по всей верхней части салона автомобиля. Она почти полностью освещает пространство;
- пространство для ног. Чтобы водитель мог видеть в темноте расположение педалей;
- бардачок. Чтобы в тёмное время суток можно было обнаружить в нём необходимые вещи или документы;
- зеркало для макияжа. Очень пользуется спросом среди женщин-водителей, которые собираются подправить мейкап в тёмном авто;
- ручки дверей. Чтобы можно было найти их в полной темноте, а не шарить рукой по обивке в поиске спрятавшегося «крючка»;
- багажник. Чтобы даже в тёмное время суток были видны все предметы, перевозившиеся в нём;
- также к салонному освещению относятся предупреждающие световые сигнализаторы, которые устанавливаются на заднее стекло и двери автомобиля.
Освещение салона ВАЗ 2101 -2107 После этого фонарь легко снимется и повиснет на трех проводах
Горит значок открытой двери — Что делают в Автодиагностике 100.ks.ua
Когда к нам приезжают с подобной проблемой, первым делом мы узнаем, ставилась ли сигнализация недавно. Проблема в том, что «ленивые» установщики часто «бокопорят» и подключаются к концевикам не так как нужно. Мы даже не можем передать Вам всего того, что мы видели в своей практике. Если сигнализация ставилась недавно, то сразу отправляем обратно.
Суть в том, что установщик быстрее найдет причину своего «косяка» и исправит, чем нам потратить день на разбор всей схемы его монтажа.
Если сигнализация не ставилась, то мы подключаем сканер и читаем ошибки. Чаще всего, автосканер сообщает нам, с какой дверью проблема, из-за чего, мы не тратя много времени сразу начинаем работать с проблемным участком.
Чаще всего, проблема в концевике, и его нужно просто поменять. Более редкие случаи, это расшатались контакты и их нужно хорошенько обжать.
Самый редкий случай был, это глюк в приборной панели. Человек во время сильного дождя ездил по своим делам. Тогда сильно город залило и вода чуть ли не просачивалась в салон. Из-за непонятных сил, у клиента загорелась лампочка.
Мы все проверили, и провода, и лампочки, и все контакты очистителем обработали и поджали. Все нормально, но лампочка горит. Сканер ничего не показывал. Мы скинули клемму с аккумулятора, немного подождали и подключили все обратно. Ошибки все ушли. Клиент ездит уже пару лет, все у него работает и проблем вообще никаких нет.

Пропал (окислился) контакт
Предохранитель Перед тем, как самостоятельно снять пластиковый плафон для освещения пространства автомобильного салона, необходимо знать, что автопроизводители могут монтировать световые приборы в различных зонах. Наиболее популярными участками, используемыми для подсвечивания, являются такие области:
