На Ваз 2121 3 Почему Горит Аварийка Возможные неисправности
Реле зажигания нива 21213 где находится
Основной блок предохранителей находится в салоне под приборной панелью, слева от руля.
№ реле | Расшифровка |
1 | Блок предохранителей системы управления мотора |
2 | Реле очистителя ветрового стекла |
3 | Блоки предохранителей |
4 | Блок реле системы управления мотором |
Дабы добраться до основного и дополнительного блоков предохранителей в Ниве, необходимо потянуть за защелку, которая расположена сверху блоков и снять крышку:
Блок предохранителей системы управления мотором.
На кузове слева под приборной панелью, расположен диагностический разъем и блок с четырьмя предохранителями системы управления мотором. Для доступа нужно отвернуть два самореза и снять кожух:
Читайте также: Самостоятельная замена тосола на ВАЗ 2114: сливаем и заливаем охлаждающую жидкость в авто
Схема расположения предохранителей в блоке Нива 21214.
Чуть ниже основного блока предохранителей находятся реле системы управления мотором.
№ реле | Расшифровка |
1 | Реле зажигания |
2 | Главное реле |
3 | Реле правого электровентилятора |
4 | Реле левого электровентилятора |
5 | Реле топливного насоса |
6 (F5, 15А) | Предохранитель топливного насоса (бензонасоса) |
Для замены реле, головкой на 10 откручиваем две гайки крепления блока:
отверткой откручиваем саморез крепления реле и снимаем его.
Под приборной панелью, немного выше педали газа, расположен блок с четырьмя реле.
№ реле | Расшифровка |
1 | Реле заднего противотуманного света |
2 | Реле включения обогрева стекла двери багажного отделения |
3 | Реле ближнего света фар |
4 | Реле дальнего света фар |
Над этим блоком, за комбинацией приборов, установлено реле поворотов и аварийной сигнализации:
Реле стартера находится в моторном отсеке.
СМОТРИТЕ ТАКЖЕ — предохранители и реле для…:
- Где находится блок предохранителей в Ниве
- Схема блока предохранителей в автомобиле
- Что делать если не работает предохранитель, как определить повреждение
- Как снять и заменить блок предохранителей на Ниве

F11 (8А) | Лампы указателей поворота и реле-прерыватель указателей поворота и аварийной сигнализации (в режиме аварийной сигнализации) |
F12 (8А) | Реле дневных ходовых огней, лампы дневных ходовых огней |
F13 (8А) | Лампы и реле заднего противотуманного огня |
F14 (16А) | Прикуриватель |
F15 (16А) | Резервный |
F16 (8А) | Резервный |
Ближний свет на ниве — ВАЗ — Все Вместе
- Основная часть предохранителей располагаются в салоне Нивы под панелью слева от рулевой колонки. Всего 4 блока:
- 1 — блок предохранителей системы управления двигателем; 2 — реле стеклоочистителя ветрового стекла; 3 — блоки предохранителей; 4 — блок реле системы управления двигателем.
- Четвертый блок реле находится над педалью газа.
Панель приборов Нивы 21214, 21213, 2121: описание обозначений Также следует отметить, что в автомобилях ВАЗ 21214 инжектор находится еще один БП с компонентами системы впрыска. Он расположен отдельно от основного БП с левой стороны под рулем.
#5

Riko
BOPOH
вот свет как не было так и нету (( искал реле но что то не нашел такое ощущение что оно спрятано за общивкой пластиковой слевой стороны (( придется разбирать наверное. замерз как цуцик млин ((
Проверяй кнопку + — есть-нет, кнопка работает да-нет, потом по проводу до подрулевого переключателя — там проверб контакт, и далее к реле иди. оно там под торпедой. проверяй + на реле есть-нет, + после включения кнопки на выходе реле есть-нет, далее по этому проводу до фары.
Щиток приборов нива 21214 инжектор — Все о Лада Гранта
Не работают поворотники и аварийка: причины, диагностика и ремонт Следует также отметить и тот факт, что помимо прерывистого режима работы, реле поворотов издают звуковые сигналы в виде щелчков, которые помогают водителю. По этим щелчкам водитель понимает, что устройство функционирует в данный момент.
Главный блок предохранителей
За работу прикуривателя отвечает предохранитель номер 14 либо номер 1 на 16А, в зависимости от года выпуска.

Реле включения стартера, ближнего и дальнего света фар, обогрева стекла задней двери, электродвигателя вентилятора системы охлаждения установлены на щите передка кузова автомобиля (в салоне под панелью приборов, за блоком предохранителей, слева от рулевой колонки). Блок предохранителей для наглядности снят. |
Все перечисленные реле одного типа – 90.3747-10. |
Маркировка реле (тип, товарный знак завода-изготовителя и схема расположения контактов) нанесена на крышке корпуса. |
Для проверки реле подключите его согласно схеме к внешнему источнику питания напряжением 12 В (например, к аккумуляторной батарее). При исправном реле лампа должна загореться. Если лампа не загорается, замените реле. |
Схема предохранителей и реле Lada Niva (ВАЗ 2121, 4х4 Urban)
- Блок предохранителей системы управления двигателем
- Реле стеклоочистителя ветрового стекла
- Основной блок предохранителей
- Блок реле системы управления двигателем
- Дополнительный блок реле (над педалью газа, и не показан на схеме)
Предохранители нива 21214 инжектор и их маркировка Несмотря на то, что панели приборов отличаются, индикаторы показывающие состояние систем автомобиля остаются неизменными и разделяются по цветам:
Что в итоге
Прежде всего, перед каждой поездкой желательно проводить проверку светотехнического оборудования автомобиля. Как только выявлены признаки и симптомы неисправности системы поворотной и аварийной сигнализации (например, часто моргает или не горит поворотник), необходимо точно определить причину и устранить неполадки.
Рекомендуем также прочитать статью о том, как поставить ДХО на машину своим руками. Из этой статьи вы узнаете, как правильно установить дневные ходовые огни, каким образом выполняется подключение ДХО, а также на что следует обращать внимание в рамках выполнения подобных работ.
В качестве итога отметим, что исправность оборудования автомобиля является обязательным условием для продолжения эксплуатации. По этой причине каждому водителю необходимо не только проводить плановые проверки и диагностику, но и быть готовым к аварийной ситуации, когда тот или иной элемент неожиданно выходит из строя.

Ваз 2107 инжектор не работают поворотники и аварийка. 16.1 Проверка указателей поворотов и системы аварийной световой сигнализации
Очень важно помнить, что отличная видимость является основой безопасных поездок на машине. Поэтому если нынешние дворники отказываются должным образом выполнять свою задачу, то их стоит немедленно поменять на новые экземпляры.
Схема электрооборудования ВАЗ-21213

#9
- В данной ситуации лучше попробовать устранить поломку прямо на месте. Для этого необходимо начать проверку с реле поворотников и аварийной сигнализации. Основные трудности могут быть связаны с тем, что указанное реле поворота на разных авто может находиться как под капотом, так и в салоне (в области рулевой колонки или под панелью приборов).
Монтажные блоки для Lada 4×4 2022 года выпуска Читайте также: Chevrolet Niva (2123) 1.7 5дв. внедорожник, 80 л.с, 5МКПП, 2002 – 2009 г.в. — шум в коробке передач
Значимость торпедо
Панель приборов включает все эти вышеперечисленные элементы и располагает в себе так, что их всегда видно водителю, из любого положения. Опытные водители отмечают, что следить за состояние всех приборов необходимо тщательно, так как от их работоспособности зависит и состояние всего автомобиля ВАЗ 21214 и двигателя инжектор.

К примеру, датчик заряда аккумуляторной батареи может загодя оповестить о плохом заряде, и хозяин автомобиля поймет, что пришел в негодность ремень, приводящий в действие генератор. Когда ремню придет окончательный конец, то он сначала начнет причудливо свистеть, а потом и лопнет и вовсе.
Случись это в длительной дороге машина будет обездвижена. Также Панель приборов имеет, казалось бы, простейший датчик температуры двигателя ВАЗ 21214, так как следить за тем как греется инжектор нужно обязательно. Однако именно он может предотвратить перегрев двигателя.
По нему водитель может определить, когда температура резко начала возрастать. Если же это произошло в момент, когда машина была на ходу и долго ехала, то это может быть свидетельством того, что лопнул ремень привода помпы охлаждающей жидкости.
Вовремя бросив взгляд на панель приборов можно предотвратить резкий перегрев мотора.
Какая панель подходит на Ниву 21214
Реле предназначено для обеспечения от девяти до семнадцати активаций электрического двигателя на одну минуту, при этом температура должна быть от отрицательных 20 до положительных пятидесяти градусов, с силой напряжения системы питания в десять вольт.
Расположение блоков предохранителей и реле Lada 4×4

Монтажные блоки для Lada 4×4 2022 года выпуска
- Зеленые и синие лампы — информационные;
- Желтые лампы — информирующие (Внимание!);
- Красные лампы — аварийные, движение запрещено!
Управление наружным освещением отверткой откручиваем саморез крепления реле и снимаем его.
Приборная панель ВАЗ 2121: устранение дефектов
В своем первоначальном варианте панель приборов ВАЗ 2121 больше не выпускается. Несмотря на это, большинство автовладельцев считает, что ее дизайн и расположение функциональных элементов существенно выигрывает у современных модификаций.
Основные дефекты самой первой вариации панели приборов, с которыми сталкиваются владельцы ВАЗ 2121, возникают по мере эксплуатации автомобиля.
В первую очередь, к ним относят деформацию и растрескивание пластикового корпуса торпедо, образование прогрессирующих сколов возле гнезд приборов и рычагов.

С учетом того, что в современной продаже почти невозможно встретить оригинальную приборную панель от Нивы 2121 в состоянии, приближенном к идеальному, автолюбители прибегают к самостоятельному ремонту и модернизации конструкции.
Более радикальный метод предусматривает полную замену приборной консоли автомобиля. Для замены автолюбители используют как приборные панели современных моделей ВАЗ, так и парпризы некоторых иномарок – например, раритетных моделей Volkswagen.
Демонтаж и разборка старой консоли ВАЗ 2121 подразумевает выполнение следующих действий:
- отсоединяют минусовую клемму с АКБ;
- снимают обивку стоек ветрового окна, кожух рулевой колонки, приборный щиток;
- отсоединяют провода электроприборов;
- извлекают переключатель освещения приборов;
- извлекают вещевую полку;
- открепляют провода от приемника, прикуривателя, омывателей фар, кнопки «аварийки» и стеклоочистителей;
- извлекают вещевой ящик;
- снимают ручки рычагов привода крана отопителя и воздухопритока;
- отворачивают 4 крепежных винта, соединяющих приборную панель с кузовом автомобиля;
- снимают парприз.
Установку новой приборной панели выполняют в обратной последовательности.
Положение стрелки указателя (при напряжении в бортовой сети 13–14 В) | Сопротивление датчика температуры, Ом |
В начале шкалы | 640–1320 |
В начале красной зоны | 77–89 |
40–50 |
#17
Где стоят реле в ниве

Видео Нива против зил 157 смотрите до конца:
- Зеленые и синие лампы — информационные;
- Желтые лампы — информирующие (Внимание!);
- Красные лампы — аварийные, движение запрещено!
#5 кнопка пашет габариты включает выключает вероятность того что один проводок отвалился мала (( скорее всего реле а вот где оно именно чтой то я затрудняюсь млин ((
лана буду искать. гараж бы теплый найтить )) а то на морозе чтой то не очень ищется то ))) ) придется папин москвич на улицу выгонять ))
Диагностика неисправностей поворотников
Если однажды поворотники перестают функционировать, то это говорит о том, что пришло время провести диагностику автомобиля. Для этого нет необходимости ехать на СТО, а можно выполнить все в домашних условиях. О том, что механизм перестал функционировать, говорят следующие признаки:
- При включении поворотники горят, но при этом не происходит их мерцание. Такой вид поломки связан непосредственно с выходом из строя реле. Для исправления неисправности требуется заменить прерыватель.
- Ускоренное или замедленное мерцание поворотников. Ускоренное мерцание говорит о том, что перегорела спираль одной из ламп. Медленное мерцание свидетельствует о том, что в схеме подключена минимум одна лампа большей мощности, чем рекомендуется. Многие автомобилисты с появлением современных светодиодных ламп стремятся установить их на авто. При установке светодиодных ламп в поворотники наблюдается слишком быстрое их мерцание, это связано с их низкой потребляемой мощностью.
- Устройства вовсе не функционируют. Причина может заключаться в неисправности реле, предохранителя, подрулевого переключателя или кнопки включения аварийки. Схема подключения выполнена так, что питание поворотников проходит через кнопку включения аварийки. Если кнопка неисправна, то и повороты не будут функционировать.

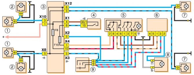
Для наглядности представим схему указателей поворотов и аварийки для семерки. В нее входят:
- блок-фары с лампочками указателей поворота;
- указатели поворота расположенные на передних крыльях авто(боковые);
- монтажный блок;
- замок зажигания;
- кнопка аварийки;
- рассматриваемое реле;
- лампочки поворотников расположенные в задних фонарях;
- лампочка на панели приборов, сигнализирующая о включении поворотов;
- подрулевой переключатель.
#3
Блок предохранителей системы управления двигателем Лампы габаритного света в левом переднем и левом заднем фонарях, фонари освещения номерного знака, контрольная лампа включения габаритного света

