Ошибка Awd Тойота Рав 4 не Заводится • Свечи зажигания
Двигатель не запускается
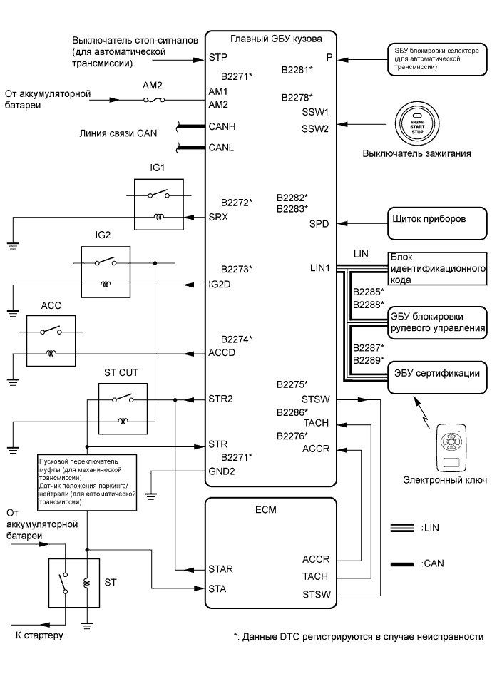
Если выключатель зажигания нажат при условии, что рычаг переключения передач находится в положении P или N, и нажата педаль сцепления (механическая трансмиссия) или педаль тормоза (автоматическая трансмиссия), главный ЭБУ кузова определяет это, как запрос запуска двигателя.
ЭБУ сертификации и прочие ЭБУ выполняют проверку ключа посредством линии связи LIN.
Главный ЭБУ кузова включает реле IG1 и IG2. Индикатор выключателя зажигания светится зеленым светом.
ЭБУ сертификации выдает сигнал разблокировки рулевого управления. Этот сигнал передается в ЭБУ блокировки рулевого управления через главный ЭБУ кузова.
Главный ЭБУ кузова передает сигнал запроса запуска двигателя в ECM.
ECM передает сигнал запроса размыкания ACC в главный ЭБУ кузова.
ECM и главный ЭБУ кузова включают размыкающее реле ST.
Главный ЭБУ кузова выключает реле ACC до тех пор, пока ЭБУ не определит, что двигатель запущен.
ЭБУ вновь включает реле ACC и выключает индикатор выключателя зажигания.

| Параметр / Устройство | Измеряемый параметр / отображение на дисплее (диапазон) | Нормальное состояние | Замечание по диагностике |
| L Code Chk | Проверка кода L / NG или OK | NG: ненормальный результат сертификации кода L ОК: нормальный результат сертификации кода L | — |
Toyota Rav4, зауск двигателя без электронного ключа инструкция онлайн
Toyota RAV4 с пробегом — все неисправности — журнал За рулем Если горит лампа «TRC On» — это значит, что включена система контроля за пробуксовкой колес и гашением заносов. В Тойоте эта система следит и смягчает заносы и пробуксовки. Хотя она изначально создавалась только как противобуксовочная.
КУЗОВ
Хромированный декор кузова ведет себя неплохо, явных слабых мест нет. Чего нельзя сказать об облезающих молдингах и расширителях на довольно редких ограниченных сериях RAV4, например, Adventure.
Вибрация капота на ходу иногда встречается на возрастных машинах, когда рассыхается заводской герметик, склеивающий решетчатый каркас капота и его панель, которая начинает «играть» на скорости.
Скрип или хруст ограничителей дверей — обычное дело, меняют их довольно часто. Опыт показывает, что смазка лишь ускоряет кончину механизмов (сам производитель также запрещает данную процедуру), так как из-за этого на них попадает больше грязи.
Ветровое стекло не самое прочное — может треснуть на морозе при включении обогрева. Особенно это касается кроссоверов первых годов выпуска. Чаще всего трещины появляются на внешней стороне стекла в нижней части. Оригинальное стекло стоит 30 000 рублей, работа по замене обойдется в 2000 рублей.
Качество лакокрасочного покрытия на среднем уровне, зато «сороковой» не имеет ржавых болячек по кузову, в отличие от некоторых других моделей Toyota и Lexus, например Camry предыдущего поколения. Это относится и к машинам отечественного производства. Время показало, что качество российской сборки не имеет явных недочетов по сравнению с японской.

Двигатель 1AZ-FE не запускается, поиск неисправности
Выключение двигателя

Магия» не сработала: Ошибка систем VSC и 4WD вынудила владельца Toyota RAV4 поехать на СТО
- НА КОНВЕЙЕРЕ: с 2012 по 2018 год
- КУЗОВ: 5-дверный универсал (SUV)
- РОССИЙСКАЯ ГАММА ДВИГАТЕЛЕЙ: бензиновые, Р4, 2,0 л (146 л.с.); 2,5 л (180 л.с.); дизельный, Р4, 2,2 л, (150 л.с.)
- КОРОБКИ ПЕРЕДАЧ: M6, А6, вариатор
- ПРИВОД: передний, полный
- РЕСТАЙЛИНГ: 2015 год — обновление головной оптики, фонарей, решетки радиатора, двери багажника, переднего и заднего бамперов; освежена центральная консоль, руль и панель приборов.
- КРАШ-ТЕСТЫ: 2013 год, EuroNCAP. Общая оценка — пять звезд. Защита взрослых пассажиров — 89%; защита детей — 82%; защита пешеходов — 66%; системы содействия безопасности — 66%.
Понимание Toyota Check Engine Light Кроссовер четвертой генерации даже успел сменить прописку на полпути конвейерной жизни: рестайлинговые машины собирали на заводе в Санкт-Петербурге, а дореформенные шли из Японии.
Если электронный ключ не работает надлежащим образом (автомобили с интеллектуальной системой входа и запуска) Toyota Rav4 с 2013 года
Если отсутствует связь между электронным ключом и автомобилем или электронный ключ не работает из-за разрядки элемента питания, использование интеллектуальной системы входа и запуска·и беспроводного дистанционного управления невозможно. В этом·случае можно открыть двери или запустить двигатель, выполнив описанную ниже процедуру.
Запирание и отпирание дверей
Для отпирания и запирания дверей используйте механический ключ.
Запуск двигателя
Автоматическая трансмиссия или бесступенчатая трансмиссия Multidrive
1. Убедитесь в том, что рычаг управления трансмиссией находится в положении «Р», и выжмите педаль тормоза.
2. Приложите электронный ключ к переключателю двигателя стороной с эмблемой Toyota. При обнаружении электронного ключа подается звуковой сигнал и переключатель двигателя устанавливается в режим «IGNITION ON».
Примечание
Если интеллектуальная система входа и запуска выключается во время пользовательской настройки, переключатель двигателя будет переведен в режим «ACCESSORY».
3. Выжмите педаль тормоза до упора и убедитесь, что на многофункциональном дисплее отображается .
4. Нажмите переключатель двигателя. Если двигатель по-прежнему не запускается, обратитесь к авторизованному дилеру, в ремонтную мастерскую Toyota либо в другую организацию, работники которой имеют соответствующую квалификацию иоборудование.
Механическая трансмиссия
1. Убедитесь в том, что рычаг переключения передач установлен в положение «N», и выжмите педаль сцепления.
2. Приложите электронный ключ к переключателю двигателя стороной с эмблемой Toyota. При обнаружении электронного ключа подается звуковой сигнал и переключатель двигателя устанавливается в режим «IGNITION ON».
Примечание
Если интеллектуальная система входа и запуска выключается во время пользовательской настройки, переключатель двигателя будет переведен в режим «ACCESSORY».
3. Выжмите педаль сцепления до упора и убедитесь, что на многофункциональном дисплее отображается .
4. Нажмите переключатель двигателя. Если двигатель по-прежнему не запускается, обратитесь к авторизованному дилеру, в ремонтную мастерскую Toyota либо в другую организацию, работники которой имеют соответствующую квалификацию иоборудование.
Выключение двигателя
Автоматическая трансмиссия или бесступенчатая трансмиссия Multidrive
Передвиньте рычаг управления трансмиссией в положение «Р» и нажмите переключатель двигателя, как это делается обычно для остановки двигателя.
Механическая трансмиссия
Установите рычаг переключения передач в положение «N» и нажмите переключатель двигателя, как это делается обычно для остановки двигателя.
Замена элемента питания в ключе
Так как приведенная выше процедура — это только временная мера, при разрядке элемента питания в электронном ключе рекомендуется незамедлительно заменить элемент питания.

Датчик положения коленчатого вала
Загорелись индикаторы CHECK, 4WD, VSC в Тойота РАВ4 (решено) — 1 ответ Если газовая крышка установлена, затяните ее.
Тест-драйв: Toyota RAV4 2.5 AT AWD Престиж Safety

Если посмотреть на агрегатную часть, то по большому счету, поменялось немного – 2-литровый бензиновый мотор 3ZR-FE (146 л.с.) остался прежним, новый агрегат 2AR-FE (2.5) отправил на пенсию былого 2.4 и компанию им двоим составил невиданный для Rav4 дизель 2.2 (150 л.с.) 2AD-FTV.
Отговаривать вас от какого-либо из перечисленных моторов у меня нет серьезного повода. Да, «миллионников» сюда давно не ставят, однако каждый из перечисленных двигателей при нормальном уходе способен дотянуть до 400 ткм без капитального ремонта поршневой. Из проблем их всех объединяет достаточно безобидные, но все же хронические течи насоса охлаждения, то бишь помпы.
Рассматривая агрегаты по отдельности, трудно возразить на то, что из бензиновых моторов лучше выбрать 2.5 2AR-FE. Прожорливый, но тяговитый, ресурсный и надежный. Из слабых мест только уже привычные для Тойоты муфты изменения фаз ГРМ, которые как на родственной Camry, могут безобидно «застрекотать» при запуске.
У двухлитрового 3ZR-FE порой перетирает провод массы из-за не самого удачного расположения. Также, как и 2.5, 2-литровик цепной, но цепь оказалась не самой ресурсной – бывает, что к 200 ткм вытягивается и просится на замену. В остальном мотор непривередливый и надежный.
Перетертый минусовой провод у версии 2.0
Загорелась лампочка VSC в автомобиле
Поскольку современная электроника требует соответствующего обслуживания и подхода, при загорании на приборной панели автомобилей Toyota, оборудованных системой курсовой устойчивости, лампочек check VSC и VSC off. И если у Вас загорелась лампочка VSC в автомобиле, то не думайте о том, что делать? Будет весьма желательно, как можно быстрее посетить диагностический центр.
Одна из причин загорания лампочек VSC check engine скрывается в неисправности рулевого шлейфа, однако если с ним все в порядке, следует озаботиться калибровкой датчика курсовой устойчивости. И поскольку среди многих бытует мнение, будто подобная процедура не может быть произведена, постараемся развеять этот миф и разобраться с последовательностью устранения проблемы.
Впрочем, стоит обратить внимание, что некоторые из владельцев не стремятся этого делать, просто заменяя датчик на новый. Однако стоимость датчика кусается, и потому нелишне будет знать, как можно реально сэкономить.
Отдельные модели Toyota, оснащенные системой VSC (ESP) сигнализируют загоранием соответствующих лампочек о возникших проблемах, отмечаемых такими кодами неисправностей:
Читайте также: Лямбда на Тойота Камри 40: принцип работы и особенности конструкции, причины и признаки выхода из строя, инструкция по замене кислородного датчика
• C1336 (39) — Не выполнены калибровочные работы по выведению нуля датчика контроля замедления;
МОТОРЫ
- Нужно открыть капот рав 4 и снять крышку с блока DLC 1. На крышке будет написано Diagnostic.
- На этой крышке есть список разъёмов.
- Заранее подготовленную проволоку необходимо вставить в гнезда, которые подписаны на крышке как TE1 и E1. Если в машине разъём DLC3, тогда нужны гнезда TC и CG.
- Замкнуть проволоку.
Представлен бронированный Land Cruiser 200 с шикарным салоном Удостоверьтесь, что в топливном баке есть топливо, и ключ находится в салоне.
2,0-литровый ДВС Dynamic Force Engine
Отличительными особенностями двигателя стали седла клапанов с лазерной наплавкой, комбинированный впрыск, а также электронные термостат и водяной насос. Заявленная отдача — 169 л.с. (205 Нм) при отдельном использовании и 144 л.с. (180 Нм) в составе гибридной силовой установки.
Тойота VSC и Проверка Двигателя Горит
- Общей проблемой для многих автомобилей Toyota является то, что в дополнение к лампе проверки двигателя может также загореться лампа VSC OFF. VSC означает контроль устойчивости автомобиля. Кроме того, может включиться противобуксовочная система или индикатор Trac Off.
- Если это так, это не обязательно означает, что есть проблема с вашей системой контроля тяги Toyota. Это просто означает, что система отключена и не будет работать, пока проблема с индикатором проверки двигателя не будет устранена. Недостатком отключения VSC или Trac Off является то, что ваш автомобиль может заносить в экстремальных условиях вождения.
- Тойота «VSC Off» и «Check Engine» могут включаться от неплотной газовой крышки. Единственный способ узнать наверняка – это прочитать коды со сканером OBD2.
Отключите Trac и проверьте свет двигателя на Toyota
- Обычно световой индикатор включения тяги загорается при включении контрольной лампы двигателя на вашей Toyota. Контроль тяги отключается, но это не означает, что есть проблема с системой Trac. Просто исправьте проблему с индикатором проверки двигателя, и индикатор Trac Off также будет сброшен.
Нормально ли загорается лампа проверки двигателя Toyota после замены масла?
Единственная причина, по которой Toyota проверяет лампочку двигателя после замены масла, – это случайное отключение датчика. В противном случае, нет причин для замены масла в маршруте, чтобы запустить Toyota CEL.
Могу ли я сбросить индикатор проверки двигателя Toyota, отсоединив аккумулятор?

2,0-литровый ДВС Dynamic Force Engine
- Двигатель работает плохо
- Включается тяговый свет или VSC Light
- Проверьте, мигает ли индикатор двигателя при ускорении
- Двигатель пропускает зажигание или трясется
- Недостаток силы
- Плохая реакция газа
Датчик массового расхода воздуха – При включении системы ESP в работу начинает мигать контрольная лампаухудшения сцепных свойств дорожного покрытия, расположенная на приборной панели.
